Hi and thanks for using 2CarPros.
The fuel filter is located in the fuel tank and attached to the pump. However, you can replace the filter. Here is a manufacturer and part number. Please confirm this is correct for your vehicle, but to the best of my knowledge, it is.
Beck Arnley 043-3015
Now, here are the directions for replacement. The attached picture correlates with these directions.
Fuel Filter Replacement
After making sure that the fuel pump and the fuel pressure regulator are OK, replace the fuel filter whenever fuel pressure drops below the specified value (320 - 370 kPa, 3.3 - 3.8 kgf/sq.cm, 47 - 54 psi with the fuel pressure regulator vacuum hose disconnected and pinched).
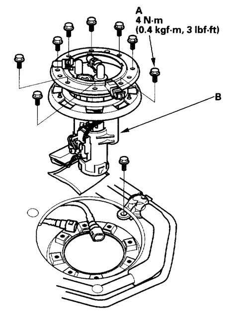
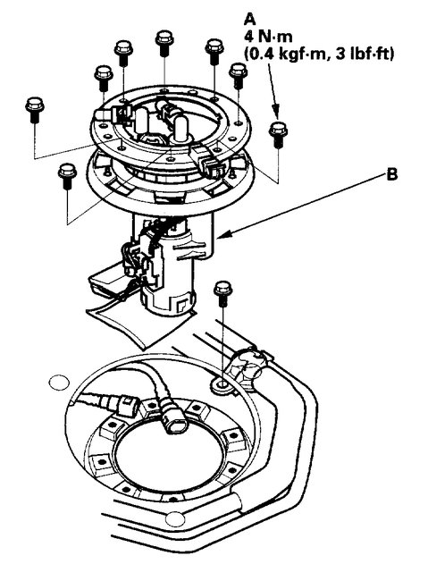
1. Remove the fuel tank unit.
See Picture 1
2. Remove the fuel filter (A).
3. Install the parts in the reverse order of removal with a new base gasket, then check these items:
- When connecting the wire harness, make sure the connection is secure and the terminal (B) is firmly locked into place.
- Check that the tab of the clamp (C) does not interfere with the wire harness.
- Do not push the lower part of the suction filter (D).
- When installing the fuel gauge sending unit (E), make sure the connection is secure and the connector is firmly locked into place. Be careful not to bend or twist it excessively.
_____________________________________
Here are the directions for removing the pump. The remaining pics correlate with these directions.
Fuel Pump Replacement
1. Remove the trunk floor.
2. Remove the access panel from the floor.
3. Turn the ignition switch OFF, then disconnect the fuel pump 5P connector.
4. Remove the fuel cap.
5. Relieve the fuel pressure.
6. Disconnect the quick-connect fittings from the fuel pump.
Fuel Pump
Picture 2
7. Remove the bolts (A), and the fuel tank unit (B).
Picture 3
8. Remove the bracket (A), the fuel filter (B), the fuel gauge sending unit (C), the hose (D), and the wire harness (E).
9. When connecting the fuel pump, make sure the connection is secure and the suction filter (H) is firmly connected to the fuel pump (I).
10. Install the pants in the reverse order of removal with a new base gasket, then check these items:
- When connecting the wire harness, make sure the connection is secure and the terminal (F) is firmly locked into the place.
- Check that the tab of the clamp (G) does not interfere with the wire harness.
- Do not push the lower part of the suction filter.
- When installing the fuel gauge sending unit, make sure the connection is secure and the connector is firmly locked into place. Be careful not to bend or twist it excessively.
___________________________________________
Note: There is also a suction filter (letter H picture 3). Most refer to it as a sock. Replace it too. That shouldn't be hard to get.
Let me know if this helps or if you have other questions.
Take care,
Joe
Images (Click to enlarge)
Sep 19, 2020 at 1:20 PM
(Merged)