[quote:e4127c6516="kikilabs"]I have a 1996 honda civic DX, with a 1.6L engine. it has 101,000 miles and is automatic. Someone recently tried to steal the car and tore apart the ignition system so i replaced the steering column and now the engine will not crank over and i also have no dash lights lighting up when i turn on the ignition. all it does is make the beeping sound. also my wipers and signals dont work but my head lights do. i tried starting the car from neutral but that did not work. i also have an alarm on the car that still works fine. please help.[/quote:e4127c6516]
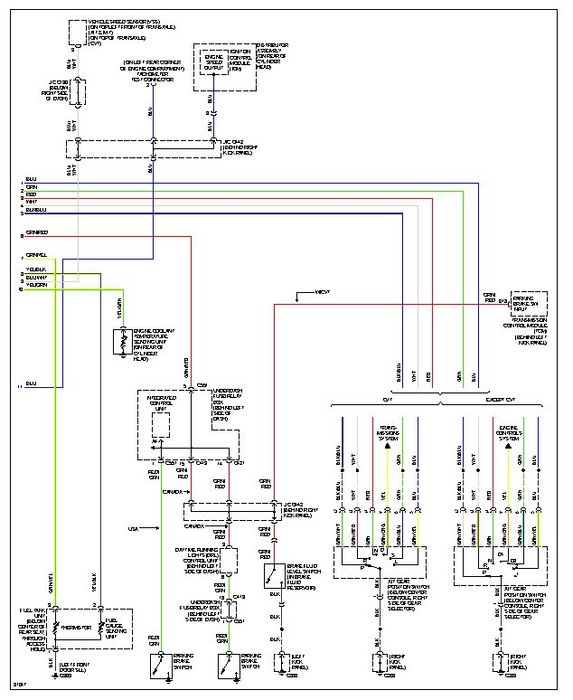
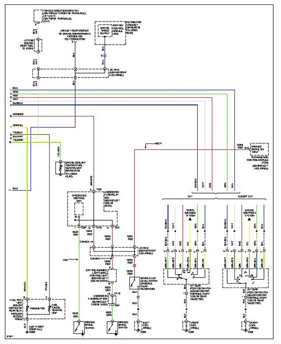
Better check the ignition switch wiring connector-the power from the distribution box is not at the ignition switch- Check the main fusible link and other links/fuses.-might be blown, shorted out by the thieves.
It doesn't wanna crank bcuz there's no power at the ignition switch starting circuit.
Dec 27, 2018 at 7:23 PM
(Merged)