Electrical problem 4 cyl Two Wheel Drive Manual 91000 miles
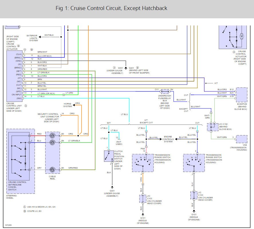
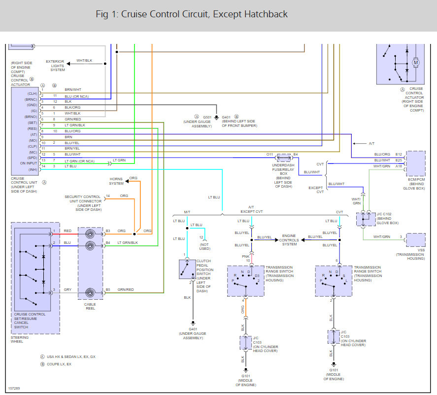
I spilled some juice on the steering wheel and the cruise control stopped working. I changed the switch that is attached to the steering wheel, but, it didn't fix the problem. Got any ideas?
I spilled some juice on the steering wheel and the cruise control stopped working. I changed the switch that is attached to the steering wheel, but, it didn't fix the problem. Got any ideas?
Jan 2, 2009 at 4:27 PM










