Turn headlights off and the horn runs continuously

2002 MITSUBISHI LANCER
150,000 MILES • 2.0L • 4 CYL • 2WD • AUTOMATIC
Avatar
TOWMATER2
  • MEMBER
  • 1 POST
i just replaced the alternator, now when i turn my headlights off the horn runs continuously.
Jan 3, 2020 at 6:29 PM
Advertisement
Avatar
KASEKENNY
  • CERTIFIED EXPERT
  • 18,907 POSTS
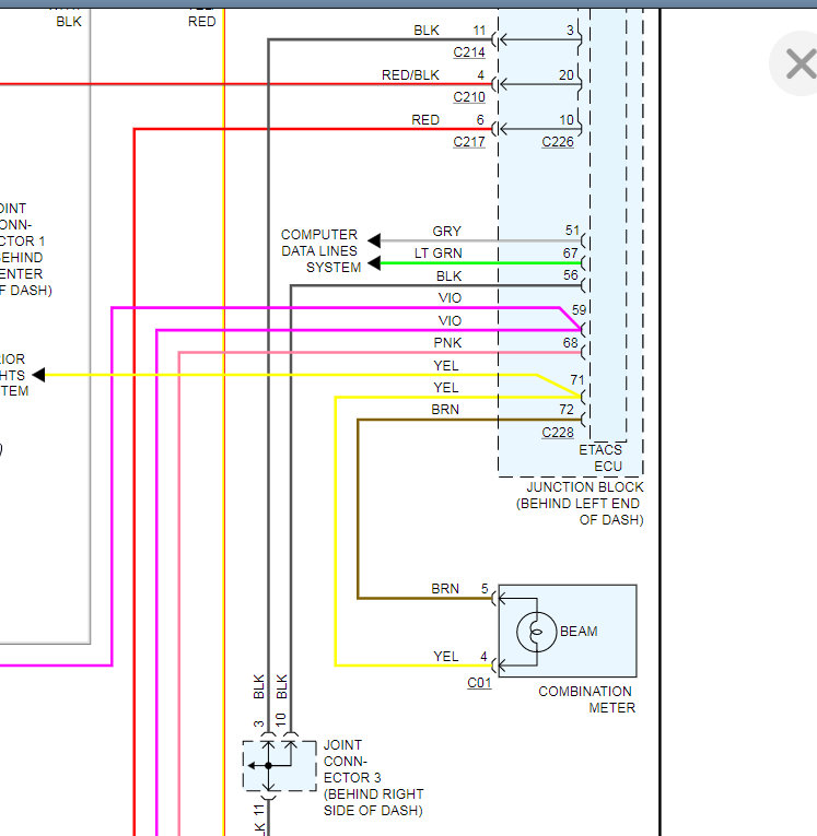
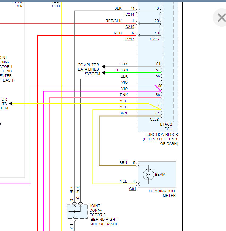
I don't think this has anything to do with the alternator currently. Meaning I don't think the alternator is the cause of this. Maybe something happened when installing it but I don't think it is causing the issue currently. I suspect there is a wiring issue or maybe something with the junction block as the head light switch and horn signal run through the junction block. I would suggest removing the headlamp switch and jumping the red wire to the violet, pink, and yellow/red wire and see which one the horn blows on. If none then the switch is the issue. However I don't think this is the issue. I suspect you will find it only blows on one of the wires. If it does then you need to trace that wire. If it blows on all three then the junction block is most likely the issue because each of these run into the circuit board of the junction block.

Let me know what questions you have.
Jan 4, 2020 at 6:48 PM