Horn stopped working

2000 DODGE STRATUS
150,000 MILES
Avatar
JOHNJRESCIGNO1025
  • MEMBER
  • 1 POST
When the horn did work it was very weak sounding. A few months ago it would blow on its own. One day while at work a coworker told me my horn was stuck on. When I went outside it had stopped and has not worked since. The fuse is good however I cannot seem to find the horn. Any suggestions?
Aug 16, 2018 at 8:01 AM
Advertisement
Avatar
STEVE W.
  • CERTIFIED EXPERT
  • 15,113 POSTS
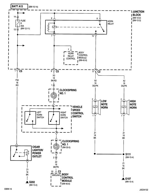
The horns are mounted under the car on the right front frame rail. There will be a splash shield that you need to remove to get to them. However a failing horn would not be the reason for it to stay on. There is a relay in the circuit that removes power from them when it is open, (the switch is not being pushed), for the horns to stay on that relay would need to be closed. The first item I would check would be the relay, it is possible it failed and stuck closed and finally burned out so the horns shut off. However, I would suspect the actual problem is in the clock-spring under the steering wheel. Every time you move the wheel that coil of wire flexes. If it were to break or rub through and short it can would send a signal to the body module telling it to turn on the horn. This is likely the root cause of your problem. You can test the horns themselves by applying battery voltage to the two pins on each horn. They will sound if they are okay. If you wanted to make it easier and test the horns and their wiring you can simply remove the relay and apply battery voltage to pin 10 from pin 9 If the horns work, the power to the relay is good, the wiring to the horns and their ground is good as well. Then you need to determine if the relay actually works, The easiest way to do that is to swap it with an identical part. There will usually be one you can "borrow" or even a spare that you can plug in. The catch there is that if the clock spring is bad you may not be activating the relay when you push the buttons. If you plug the "good" relay in and the horns start blowing you can try moving the steering wheel and see if they stop. That would prove it is the wiring.
Aug 16, 2018 at 2:04 PM