Hi,
I'm not sure what size van this is, so I went with an E350. If that is incorrect, let me know.
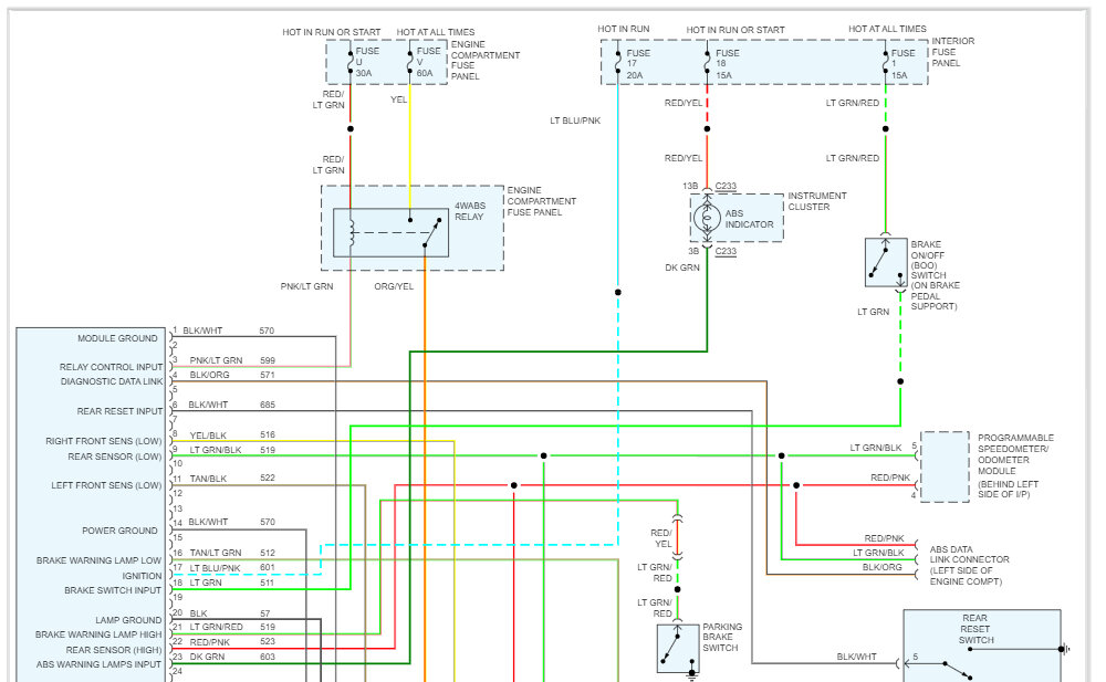
As far as the ABS system, the most common cause of the light turning on is a faulty speed sensor. Other things, such as low brake fluid, a faulty toner ring, or a wiring problem, can also be at fault.
Here is what I need to know. Does the vehicle have a wheel speed sensor at each wheel? The easiest thing to check is on the rear differential. If it only has rear ABS and not 4-wheel ABS, there will be one sensor at the top of the differential.
As far as front wheel speed sensors, you will see wires coming from the rear of the steering knuckle if it has front sensors.
Do this. One wheel at a time, lift the vehicle. Disconnect the wheel speed sensor at the wheel and using a multimeter, check to see if a voltage signal is produced when you spin the wheel. Here is a link that explains how to do it.
https://www.2carpros.com/articles/abs-wheel-speed-sensor-test
Try that and let me know the results. Note: If I recall, the sensor wiring from the sensors connects to another wire near the frame rail or on it.
Let me know.
Joe
Oct 17, 2023 at 7:20 PM