engine wiring diagrams

2013 HYUNDAI SANTA FE
38,000 MILES • 2.0L • 4 CYL • 2WD • AUTOMATIC
Avatar
RWETMORE71
  • MEMBER
  • 3 POSTS
I need engine wiring diagrams please as well, i have an electrical issue I need to check it out.
Feb 11, 2021 at 12:15 PM
Advertisement
Avatar
JACOBANDNICKOLAS
  • CERTIFIED EXPERT
  • 110,175 POSTS
Hi,

Here is a link that explains how to check wiring. I'm adding it in case you want to check what's there. Even a loose connection at the O2 sensor can be causing this.

https://www.2carpros.com/articles/how-to-check-wiring

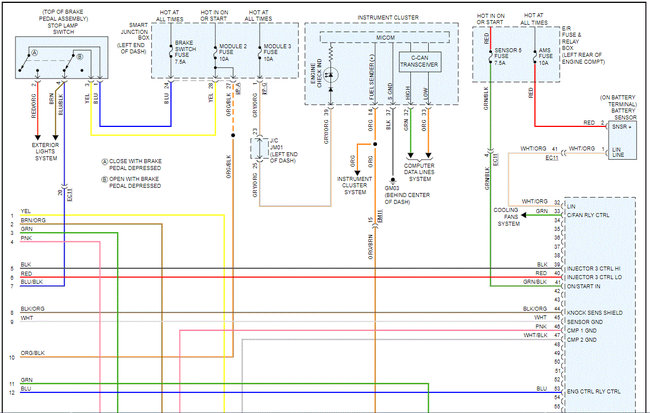
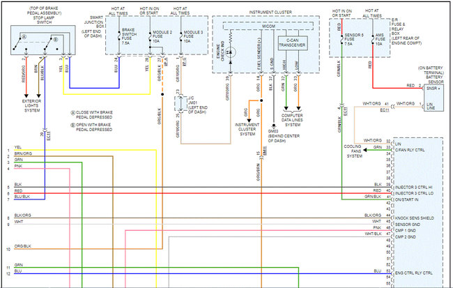
Also, I wanted to attach the powertrain management wiring schematics for you. I'm not sure how involved you got into the wiring. There are five pics below. They are in order, so hopefully, they will help. I did overlap each pic so you can follow from one to the next.

Check out the diagrams (Below). Please let us know what happens.
Mar 10, 2021 at 7:35 PM
Avatar
BERNARD SMITH
  • MEMBER
  • 1 POST
Hi, i need a diagram like this for 2003 Hyundai 2.7l v6 i have no pulse at injector #2, please.
Jun 5, 2022 at 8:06 PM
Advertisement
Avatar
JACOBANDNICKOLAS
  • CERTIFIED EXPERT
  • 110,175 POSTS
Hi,

I have to ask a favor. I need you to start a new post. We try to keep this specific to one topic and vehicle type, so it is more helpful to others.

Here is the link to start the link:

https://www.2carpros.com/questions/new

Just request the powertrain management wiring schematic specific to your vehicle.

I hope you understand.

Take care,

Joe

Jun 5, 2022 at 10:42 PM