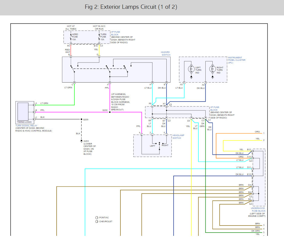
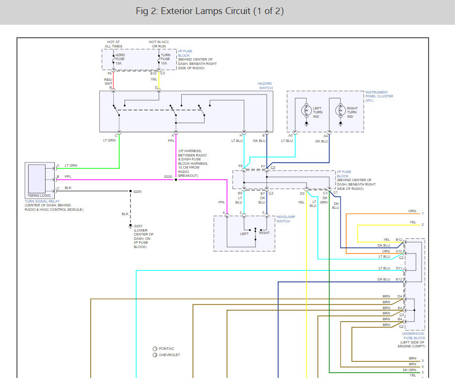
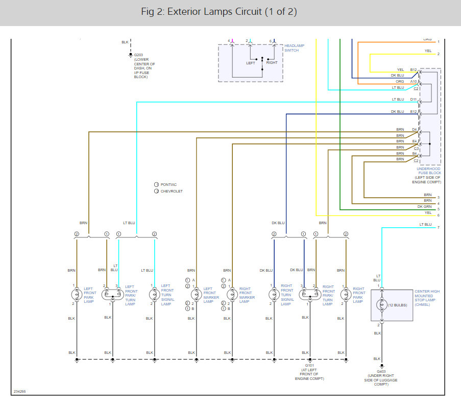
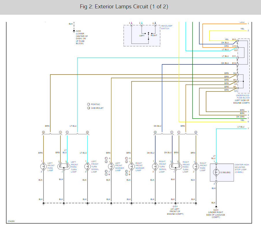
I have no taillights no running lights, no, turn signals, no hazards and no panel where my speedometer is lights at all.
I have a friend here looking at it and I don't know how to remove it without breaking the center panel or you turn on the shift.
I have a friend here looking at it and I don't know how to remove it without breaking the center panel or you turn on the shift.
Feb 14, 2020 at 11:23 AM











