How to replace power window regulator

1995 TOYOTA AVALON
200,000 MILES • 3.0L • V6 • 2WD • AUTOMATIC
Avatar
AVALON1995
  • MEMBER
  • 121 POSTS
I need to replace the power window regulator on the rear driver's side, since the motor doesn't work. I have managed to disassemble the door panel and remove all the nuts and bolts from the motor and regulator. I have even managed to remove the 2 bolts that hold the window to the regulator, while the window was still up, although it was very challenging and tedious. At this point, I'm stuck as I'm unable to remove the regulator. It seems that the window needs to be pushed down first, then pulled out, which then will allow the regulator to come out. However, since the motor doesn't work, what can I do in order to take out the regulator? Are there any options available? Thank you!
Jul 28, 2020 at 7:23 AM
Advertisement
Avatar
KASEKENNY
  • CERTIFIED EXPERT
  • 18,907 POSTS
You need to remove the glass and tilt it at an angle then pull it down in to the door and rotate it so that you can pull it out through the opening at the top. I don't expect that to make sense but hopefully this info will help. Also, if you have not removed the window channel around the bottom of the window opening then you need to do that so that you have room to move the window around. Once you get the window out the regulator will come out as well.

Here is a guide that will help in more general terms:

https://www.2carpros.com/articles/how-to-check-and-replace-a-electric-power-window-motor

Here is a video that will help. Clearly this is a front door but the process is similar.

https://youtu.be/xn_vqOnVhvE

Let us know if you still have issues. Thanks
Jul 28, 2020 at 8:24 AM
Avatar
AVALON1995
  • MEMBER
  • 121 POSTS
Can you please tell me how I can test if a motor for a window regulator is working or not without it being attached or connected to the regulator? For example, can I use a multi-meter or a test light or something? Thanks!
Jul 31, 2020 at 1:04 PM
Advertisement
Avatar
AVALON1995
  • MEMBER
  • 121 POSTS
Attached is a video link that demonstrates an excellent method on how to test a power window motor and regulator connected together. My question is if there is a way to test the motor by itself, without it being connected to the regulator? Thanks!

https://youtu.be/UZdqPHQ4c2E
Jul 31, 2020 at 4:14 PM
Avatar
KASEKENNY
  • CERTIFIED EXPERT
  • 18,907 POSTS
Is the motor currently not attached to the regulator? If so, you can just put power to it like they did in the video. The motor will come on and it is very rare that the motor will run without the regulator but not run with it hooked up. The only time this happens is when the regulator is bound up and not allowing the motor to run. However, when this happens the motor will flex the regulator so it is pretty clear that it is bound.

Let me know if I am not understanding what you are looking for but if the motor runs then it is fine.
Jul 31, 2020 at 6:17 PM
Avatar
AVALON1995
  • MEMBER
  • 121 POSTS
Thank you for your explanation. Can you please provide a wiring diagram for the power window system?

Thank you!
Aug 1, 2020 at 12:57 PM
Avatar
KASEKENNY
  • CERTIFIED EXPERT
  • 18,907 POSTS
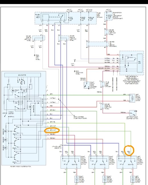
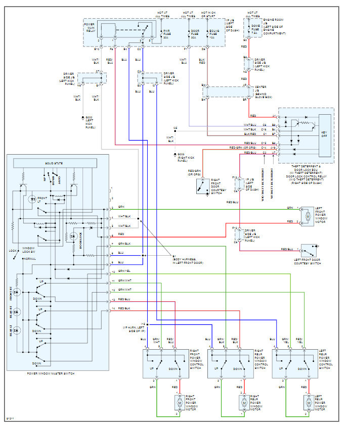
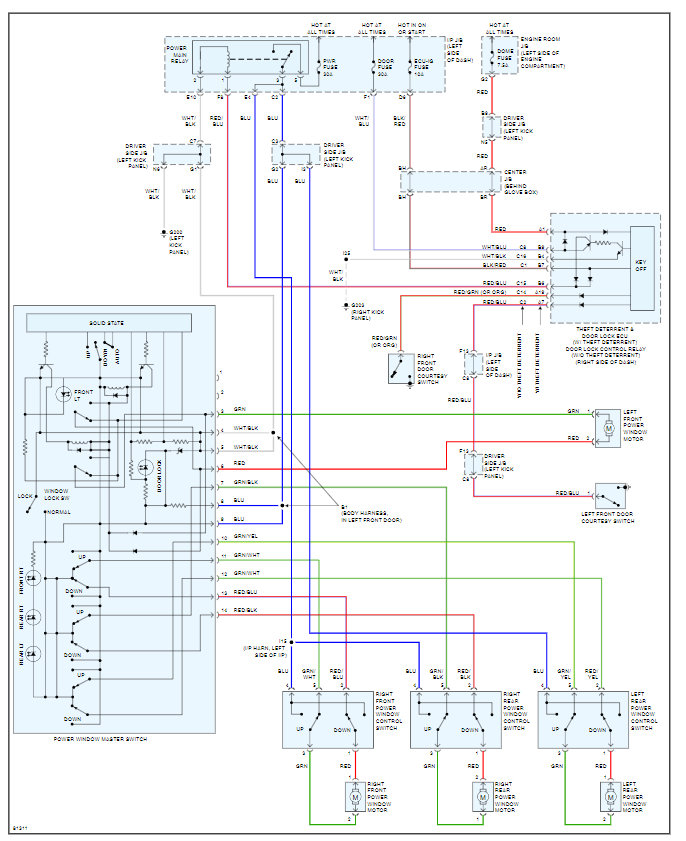
You are welcome. I attached the entire diagram and then close ups for this specific portion.
Aug 2, 2020 at 6:18 PM
Avatar
AVALON1995
  • MEMBER
  • 121 POSTS
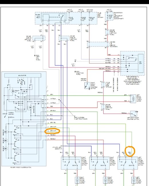
Thank you for providing the diagrams. Correct me if I'm wrong, but isn't there an error on the diagram? Please take a look at what I circled in orange in the attached picture.

Cheers!
Aug 3, 2020 at 1:38 AM
Avatar
AVALON1995
  • MEMBER
  • 121 POSTS
There is something that I have been struggling to understand. In the attached video link, a test light is being used to roll up and down the power window. I tired the same method on one of my windows, the front passenger's side to be exact, which is a perfectly functioning window, but it didn't work out. I made sure the key was on the "ON" position in the ignition. So, why did the test light method did not work on my car?

On the other hand, by running a positive and a negative wire from the battery to the window motor switch, the window is able to roll up and down as demonstrated in the attached 2CarPros.com video link. I have tried this method on my car and it has worked out. So, the interesting question to me is, if a positive and a negative wire from the battery is required to be connected to the motor switch for the window to operate, then how in the world is a test light by itself supposed to roll the window up and down as demonstrated in the first video link? Something clearly is not adding up.


https://youtu.be/B1t8CnMpp4Q

https://youtu.be/HBFBcJrdym4


Thanks!

Cheers!
Aug 3, 2020 at 2:01 AM
Avatar
AVALON1995
  • MEMBER
  • 121 POSTS
There is something that I have been struggling to grasp. In the attached video link, a test light is being used to roll up or down the power window. I tired the same method on one of my windows, the front passenger's side to be exact, which is a perfectly functioning window, but it didn't work out. I also made sure the key was on the "on" position in the ignition. So, why did the test light method did not work on my car?

On the other hand, by running a positive and a negative wire from the battery to the window motor switch, the window is able to roll up or down as demonstrated in the 2carpros.com video link that I will attach in a separate message. I have tried this method on my car and it has worked out. So, the interesting question to me is, if a positive and a negative wire from the battery is required to be connected to the motor switch for the window to operate, then how in the world is a test light by itself supposed to roll the window up or down as demonstrated in the video link below? Something clearly is not adding up.


https://youtu.be/B1t8CnMpp4Q


Thanks!

Cheers!
Aug 3, 2020 at 2:20 AM
Avatar
AVALON1995
  • MEMBER
  • 121 POSTS
Here is the 2carpros.com video link. Btw, for some reason, it doesn’t allow us to send more than one video link in one message. Is that correct?

https://youtu.be/HBFBcJrdym4
Aug 3, 2020 at 2:21 AM
Avatar
KASEKENNY
  • CERTIFIED EXPERT
  • 18,907 POSTS
Yes. You are correct that the wiring color labels appear to be wrong. That happens every once in a while. Good catch.

You should be able to use the test light method if you are jumping power to the correct terminals.

Looks like you need to be touching power to pins 1 or 3 to get the motor to change direction. The motor doesn't care where it is getting the power from as long as it has power to one side and a path to ground on the other side. My guess is, you are removing the connector and applying power to one of these pins but due to the connector being unhooked, it doesn't have a path to ground. So you need to ground the other pin that you are not using. Meaning put power on pin 1 and a path to ground on pin 3 and then switch them to get it to go the other way.
Aug 3, 2020 at 7:05 PM
Avatar
AVALON1995
  • MEMBER
  • 121 POSTS
What you are saying is essentially the same as running a positive and a negative wire from the battery to the window motor switch, to pin 1 and 3.. In other words, what you are saying is, instead of running a negative wire from the battery, a test light can be used for ground in its place. That's pretty much what I have understood from your response. However, if you take a look at the attached video link, the only thing that is used is a test light by itself. How is that possible?

By the way, I was able to operate the power door lock with just a test light. I attached the test light to ground and back probed the respective terminal for the lock and unlock switch. Only one pin needed to be back probed at a time. However, when it came to the power windows, it just doesn't seem to work like it's demonstrated in the video link below. Let me know your thoughts about the video link.


https://youtu.be/B1t8CnMpp4Q


Thanks!

Cheers!
Aug 3, 2020 at 7:34 PM
Avatar
AVALON1995
  • MEMBER
  • 121 POSTS
Let me simplify my question. Let's leave out the test light method, so there is no confusion. For my car, in order to operate the window, I would need to run a positive and a negative wire at the same time from the battery to the window motor switch, which would be pin 1 and 3. However, as demonstrated in the attached video link, all he is doing is running just a negative wire by itself from the battery to the window motor switch, and he is able to roll the window up or down by back probing the respective terminal pins one at a time. As we can see, he doesn't even need to run a positive wire from the battery. So, my question is, how is that method possible for him when it's not for me? Does it vary from car to car or something?

https://youtu.be/B1t8CnMpp4Q

Thank you!

Cheers!
Aug 4, 2020 at 1:08 AM
Avatar
KASEKENNY
  • CERTIFIED EXPERT
  • 18,907 POSTS
They are able to operate that with a single test light because the window motor has its own ground. Your window motor is grounded through the control switch. So if you unplug the control switch then you are removing the ground. So you need to restore the ground.

This video appears to be a Ford Focus that is relatively newer. You have a Toyota. Not all windows operate the same way. So in looking at the wiring diagram, that is how you will have to test your window when unplugging the switch. You need to apply a power and a ground because you are removing it when it is unplugged.
Aug 4, 2020 at 6:32 PM
Avatar
AVALON1995
  • MEMBER
  • 121 POSTS
So, for my power door lock, it needs just power and no ground. On the other hand, for my power window, it needs both power and ground. Is that correct?

Thanks!

Cheers!
Aug 4, 2020 at 7:10 PM
Avatar
KASEKENNY
  • CERTIFIED EXPERT
  • 18,907 POSTS
That is correct. Look at the difference between this wiring diagram for the door lock and the one I attached previously for the window motor. You will see that the door lock motor has its own ground. So if you apply power to this it will operate on whichever pin you put the power too because it has a path to ground.

The window motor comes from the switch and returns to the switch and it does not have its own ground so you have to supply the ground if you disconnect the switch to test it.

Remember you need power and a path to ground in order to operate the motor. If you have no path to ground then it is an open circuit. Does that make sense?
Aug 4, 2020 at 7:37 PM