How to replace purge valve

2004 PONTIAC GTO
139,100 MILES • 5.7L • V8 • 2WD • AUTOMATIC
Avatar
SEBASTIANTUDON
  • MEMBER
  • 30 POSTS
How do I go about to removing and replacing the purge valve?took one line off but the other one kinda stuck on there.do I need to remove the purge from the bracket to replace?
Apr 27, 2020 at 9:36 AM
Advertisement
Avatar
KASEKENNY
  • CERTIFIED EXPERT
  • 18,907 POSTS
If the line is fighting a little bit, I would remove the purge except for that line and then you will have more room to get it off.

I attached the process on how to remove and replace it. Let us know what happens and we can go from there. Thanks
Apr 27, 2020 at 10:59 AM
Avatar
JACOBANDNICKOLAS
  • CERTIFIED EXPERT
  • 110,175 POSTS
If you press the release, gently wiggle the connector while turning 1/4 turns back and forth. It should come off.

_______________________________

Here are the directions for replacement. The attached pics correlate with the directions.

_______________________________

2004 Pontiac GTO V8-5.7L VIN G
Procedures
Vehicle Powertrain Management Emission Control Systems Evaporative Emissions System Canister Purge Control Valve Service and Repair Procedures
PROCEDURES

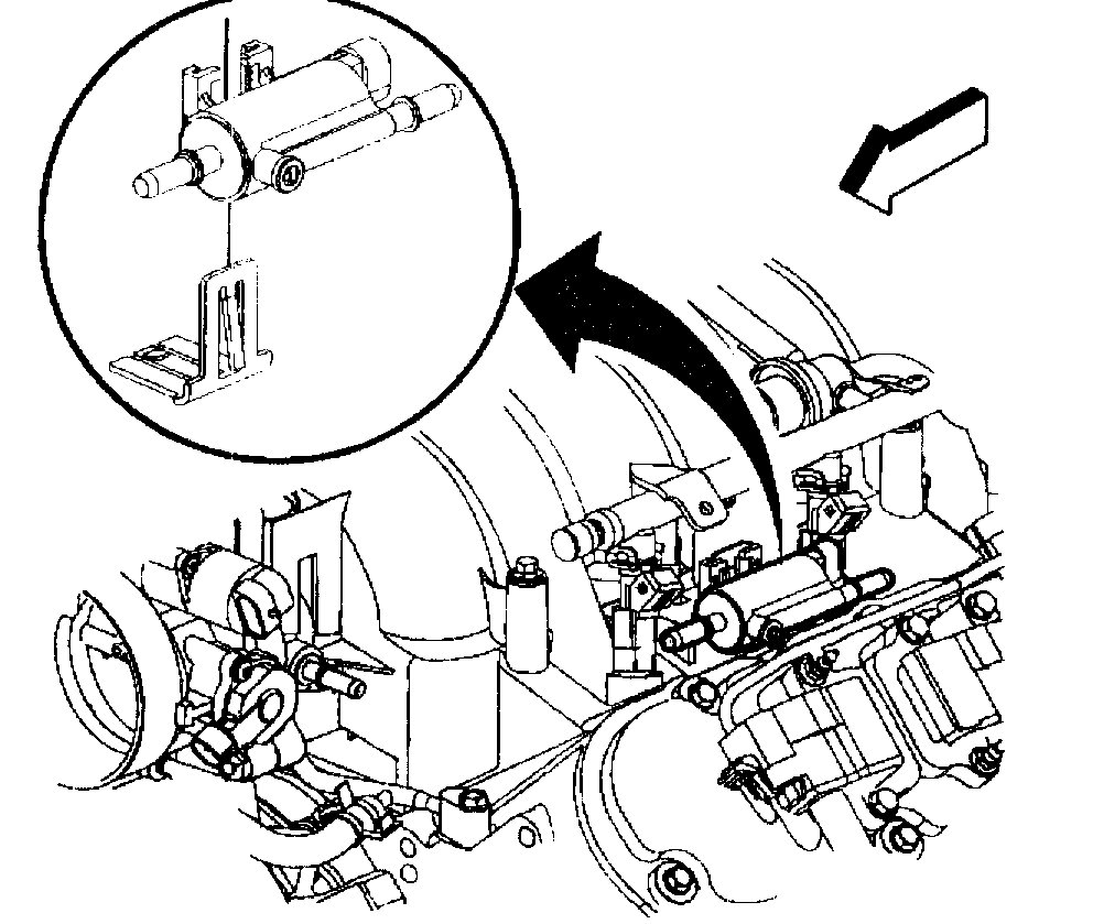
pic 1


Evaporative Emission (EVAP) Canister Purge Valve Replacement

Removal Procedure

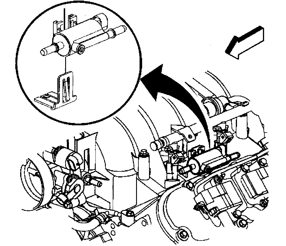
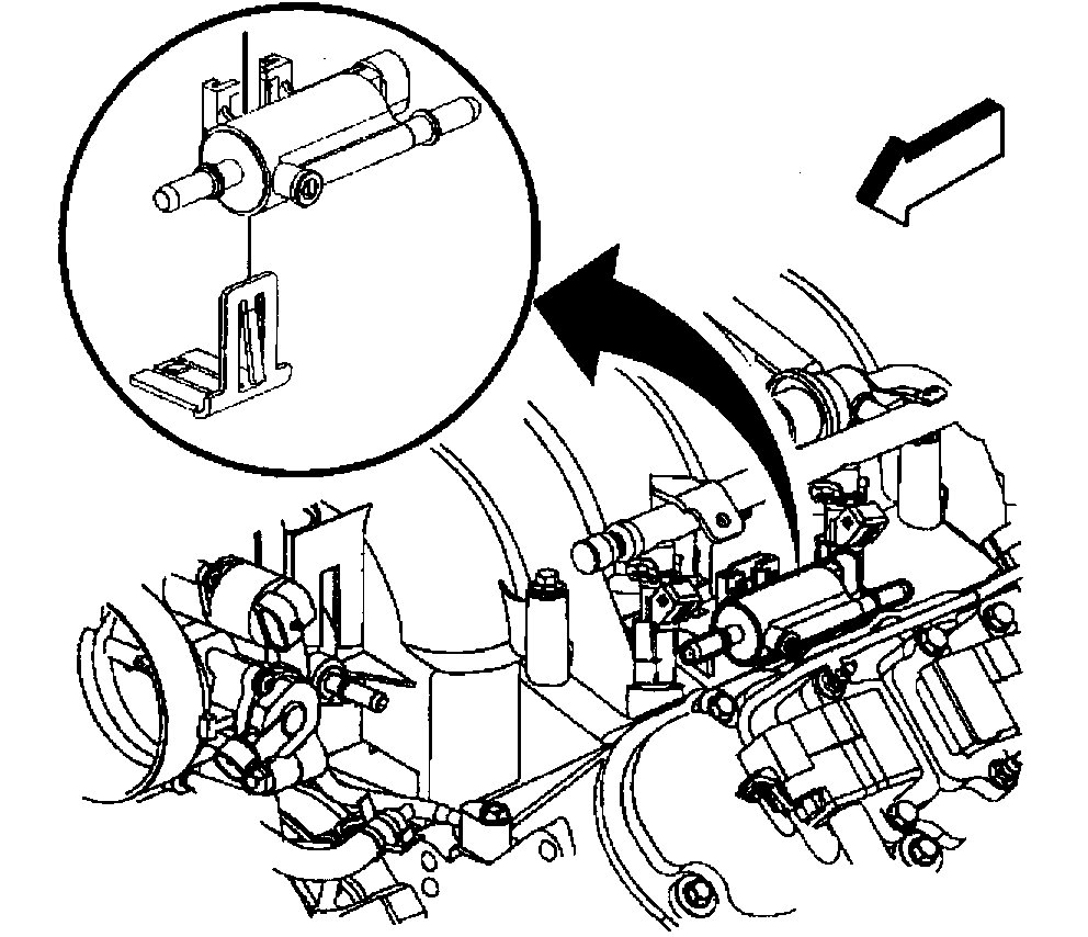
1. Disconnect the EVAP engine vacuum pipe from the EVAP canister purge pipe.


pic 2

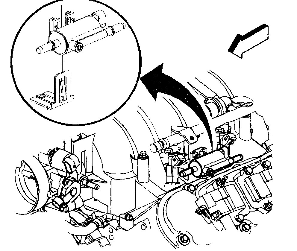
2. Disconnect the engine compartment EVAP pipe at the EVAP canister purge valve.

3. Disconnect the EVAP canister purge valve harness.

4. Remove the EVAP canister purge valve.


pic 3

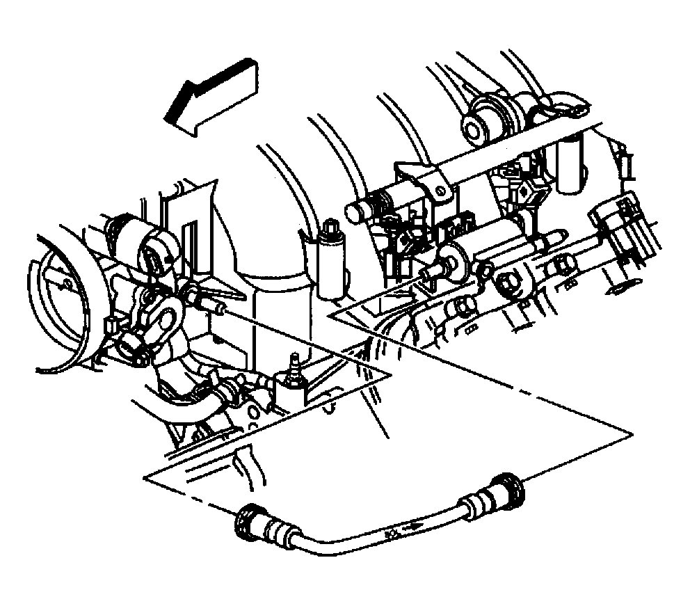
Installation Procedure

1. Install the EVAP canister purge valve to the bracket.

2. Connect the electrical connector to the EVAP canister purge valve.


pic 4



3. Connect the engine compartment EVAP pipe at the EVAP canister purge valve.

4. Connect the engine vacuum pipe to the EVAP canister purge valve.

_________________________________

Let me know if it doesn't come off. Note there is a rubber o-ring in there that may have a bit of corrosion on it causing the problem.

Let me know.
Joe
Apr 27, 2020 at 11:00 AM
Advertisement