HVAC wiring diagram

1991 BUICK PARK AVENUE
105,000 MILES • 3.8L • V6 • AUTOMATIC
Avatar
WELDONAB+FORUMS
  • MEMBER
  • 16 POSTS
HVAC climate control. Where may a cross section/schematic diagram be found, showing dual zone air doors and all other air doors, together with actuators for same?
Feb 15, 2019 at 2:46 AM
Advertisement
Avatar
ASEMASTER6371
  • CERTIFIED EXPERT
  • 52,796 POSTS
Good morning,

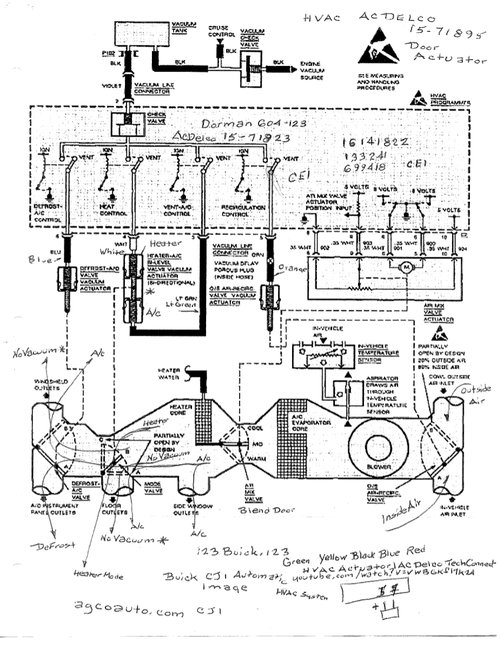
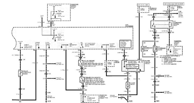
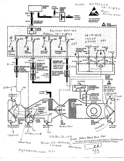
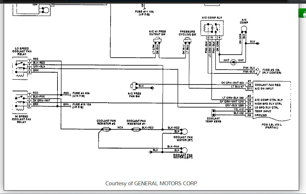
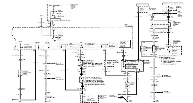
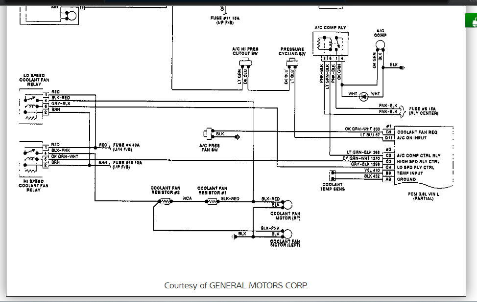
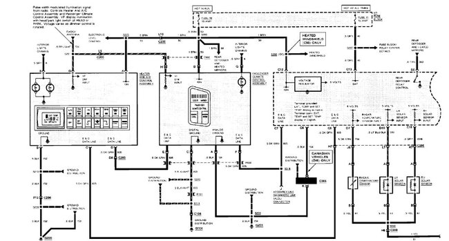
I attached the wire diagrams for you to view as requested.

What is the exact issue you have with the AC?

Roy
Feb 15, 2019 at 3:41 AM
Avatar
WELDONAB+FORUMS
  • MEMBER
  • 16 POSTS
Thank you, appreciate the information you have offered. I have a question; Is the “cross section/schematic diagram” enclosed, for a 1991 Buick Park Avenue with a “Dual Zone, Climate Control” HVAC system. If the enclosed diagram is not for a “Dual Zone, Climate Control” unit, where may I find the proper diagram.
Feb 17, 2019 at 12:40 AM
Advertisement
Avatar
ASEMASTER6371
  • CERTIFIED EXPERT
  • 52,796 POSTS
The diagrams we provided are for your exact system.

What specifically are or do you want to test?

Roy
Feb 17, 2019 at 3:02 AM
Avatar
WELDONAB+FORUMS
  • MEMBER
  • 16 POSTS
Question; On lower row of HVAV panel push buttons; OFF, EX TEMP, LO-AUTO-HI, COOL and WARM, on start up or thereafter, when the AUTO between LO and HI is pushed nothing happens except a beep is heard when the AUTO button is pushed. Is the beep sound all that is activated. The LO and HI buttons work.
Feb 18, 2019 at 10:30 AM
Avatar
ASEMASTER6371
  • CERTIFIED EXPERT
  • 52,796 POSTS
No it does not.

Good chance the actual control head may be the issue. Does the heat and Ac work?

Roy
Feb 18, 2019 at 10:42 AM
Avatar
WELDONAB+FORUMS
  • MEMBER
  • 16 POSTS
AC works fine not much heat.
Feb 18, 2019 at 10:56 AM
Avatar
ASEMASTER6371
  • CERTIFIED EXPERT
  • 52,796 POSTS
Let me see if there is any other information.

Roy
Feb 18, 2019 at 10:58 AM
Avatar
WELDONAB+FORUMS
  • MEMBER
  • 16 POSTS
Replaced the blend door actuator. The large white gear was cracked open from one tooth to center shaft. Blend door, at this time, operates properly.
Feb 18, 2019 at 11:05 AM
Avatar
ASEMASTER6371
  • CERTIFIED EXPERT
  • 52,796 POSTS
From what I am reading the beeping is just a notification of the system being turned on or off. It does not indicate a malfunction.

Roy
Feb 18, 2019 at 11:13 AM
Avatar
WELDONAB+FORUMS
  • MEMBER
  • 16 POSTS
Do you have a diagram that shows the air doors with air ducts for a 1991 Buick Park Avenue with Climate Control HVAC unit? Windshield, panel, door and floor outlets have more cooling and/or heating capacity on passenger’s side than driver’s side. Passenger’s door climate control cool and warm buttons will increase or decrease air temperature but, will not allow passenger’s and driver’s temperature to be equal. Manually moving blend door has no affect on driver’s and/or passenger’s air flow temperature differential capability; driver’s side will always be; not as cool or not as warm as passenger’s side.
Mar 12, 2019 at 4:38 PM
Avatar
ASEMASTER6371
  • CERTIFIED EXPERT
  • 52,796 POSTS
Okay, did you not have heat or AC?

Roy
Mar 12, 2019 at 5:01 PM
Avatar
WELDONAB+FORUMS
  • MEMBER
  • 16 POSTS
AC and heater okay. Just AC and heat not same both sides cabin.
Mar 12, 2019 at 6:05 PM
Avatar
ASEMASTER6371
  • CERTIFIED EXPERT
  • 52,796 POSTS
Okay, that could be the temperature sensor in the car.

They are called solar sensors. I attached a picture of the location of both the left and right side sensors.

Roy

Mar 12, 2019 at 6:13 PM
Avatar
WELDONAB+FORUMS
  • MEMBER
  • 16 POSTS
Okay, will check the sensors tomorrow. The temperature difference from driver's side to passenger's side outlets is near fifteen plus degrees.
Mar 12, 2019 at 6:20 PM
Avatar
ASEMASTER6371
  • CERTIFIED EXPERT
  • 52,796 POSTS
Okay.

Roy
Mar 12, 2019 at 6:35 PM
Avatar
WELDONAB+FORUMS
  • MEMBER
  • 16 POSTS
Removed Solar Sensor on passenger's side and tested with voltmeter. The greater the sun light on sensor, the higher the voltage reading. Without sun sensor reconnected; test as follows. Place HVAC on max cool, air flow temperature on driver's side and passenger's side panel outlets was equal. Placed HVAC on max warm; air flow temperature on driver's side floor outlet was same as outside air temperature and passenger's side floor outlet air flow temperature was A/C cool. Able to see blend door and windshield/panel door operating properly. Unable to find cut away diagram, know to be for 1991 Buick dual zone, showing air flow at air door when door is in different positions for floor outlets.
Mar 17, 2019 at 2:58 PM
Avatar
ASEMASTER6371
  • CERTIFIED EXPERT
  • 52,796 POSTS
I would replace the sensor.

Checking with a voltmeter is not the correct check. There is an ohm reading based on temperature. I do not see it listed anymore.

Roy
Mar 17, 2019 at 3:45 PM
Avatar
WELDONAB+FORUMS
  • MEMBER
  • 16 POSTS
I intended to make a ohms test but, got spooked were ASE Certification Practice Tests at www.ase.com par: Resistance Test reads; "Check for manufacture's specifications before testing though. This is because some of today's automatic air conditioning sensors are too sensitive for an ohmmeter's test current." The story is on paper titled; "Sun Load Sensor Testing and Operation". The temperature difference between driver's floor outlet and passenger's outlet is est. 10 - 15 degrees, do not think the sun senors malfunction could make so much difference. The distance between the two outlets is 18 inch at most. Without a cut away diagram, I am lost. Having this Buick since it's birth, looks like I should know what the problem is.


Mar 17, 2019 at 6:36 PM
Avatar
ASEMASTER6371
  • CERTIFIED EXPERT
  • 52,796 POSTS
Yep. As I stated, replace the solar sensor.

Roy
Mar 17, 2019 at 6:39 PM
Avatar
WELDONAB+FORUMS
  • MEMBER
  • 16 POSTS
How to connect wiring; potentiometer and actuator motor located in HVAC programmer box?
Jan 25, 2021 at 9:55 AM (Merged)
Avatar
SCGRANTURISMO
  • CERTIFIED EXPERT
  • 4,897 POSTS
Hello,

I have included the wiring diagrams for your vehicle's HVAC system in the diagrams down below. This is the only information I could pull up in my two reference sources for it. Please go over them and get back to us with what you are able to find out.

Thanks,
Alex
2CarPros
Jan 25, 2021 at 9:55 AM (Merged)