☰
Login
Join
×
Home
Answered Questions
Repair Topics
Repair & Service Guides
Popular Questions
Warning Lights
Trouble Codes
How It Works
Testing / Diagnostics
Symptoms
Videos
Login
Become a Member
Home
Chevrolet
Silverado
Climate Control
Computer
HVAC module pin out needed?
2014 CHEVROLET SILVERADO
83,000 MILES
THOMPNATEE
MEMBER
3 POSTS
FOLLOW
I need the HVAC control module pin out diagram, I need to know what wires are for what.
May 16, 2025 at 8:17 PM
Advertisement
STRAILER
CERTIFIED EXPERT
53,855 POSTS
What size engine? 4x4?
May 18, 2025 at 6:32 PM
THOMPNATEE
MEMBER
3 POSTS
It’s the v6 2-wheel drive.
May 19, 2025 at 8:56 AM
Advertisement
STRAILER
CERTIFIED EXPERT
53,855 POSTS
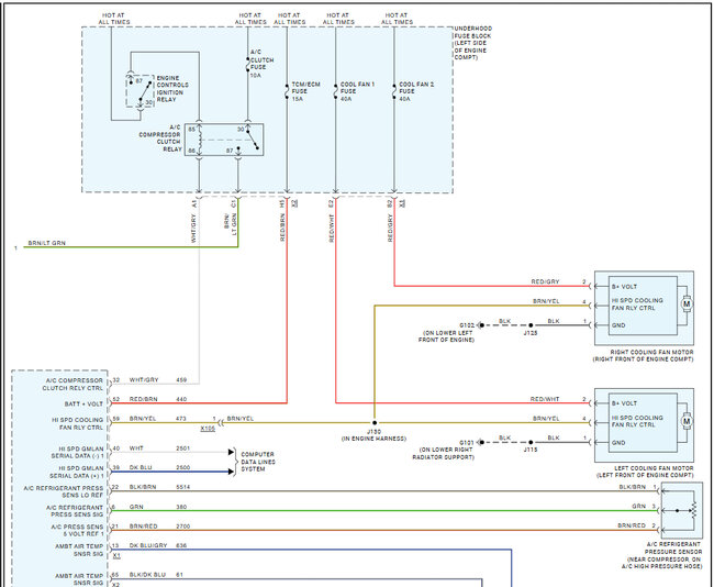
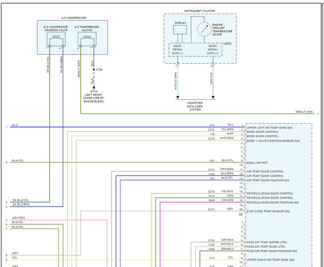
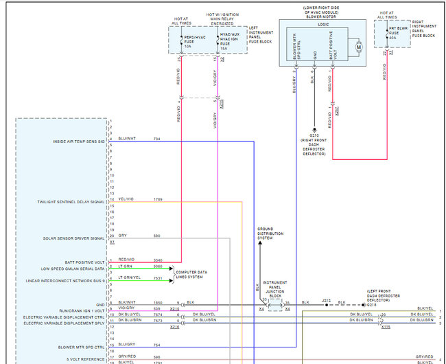
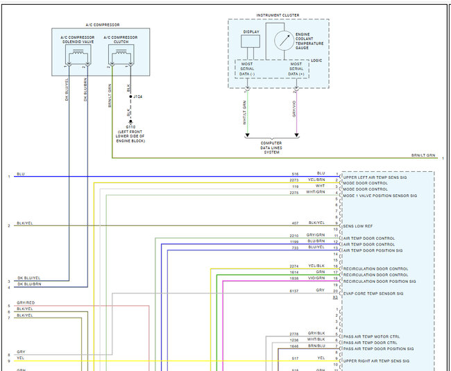
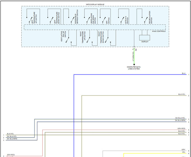
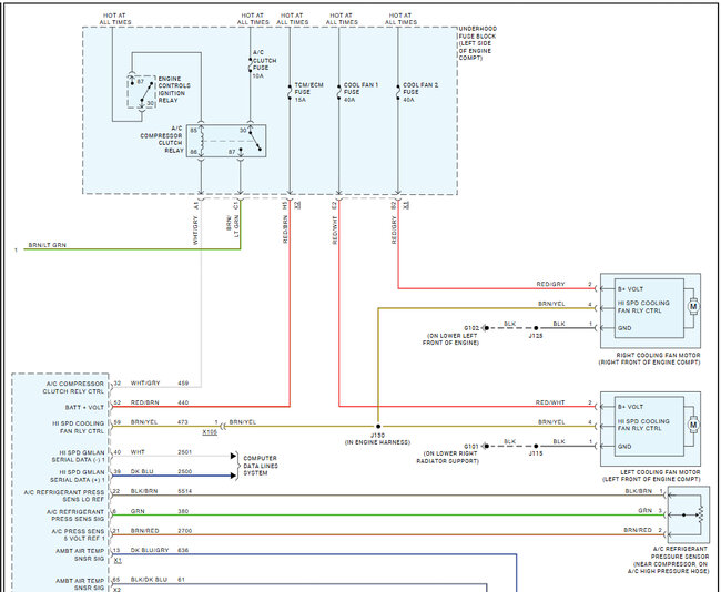
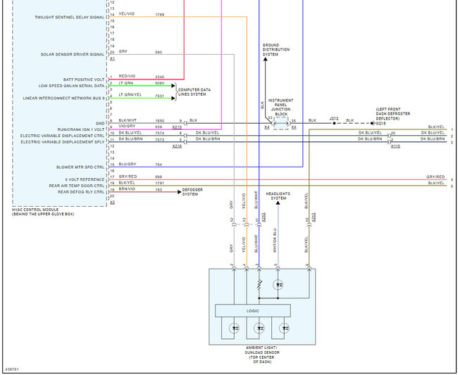
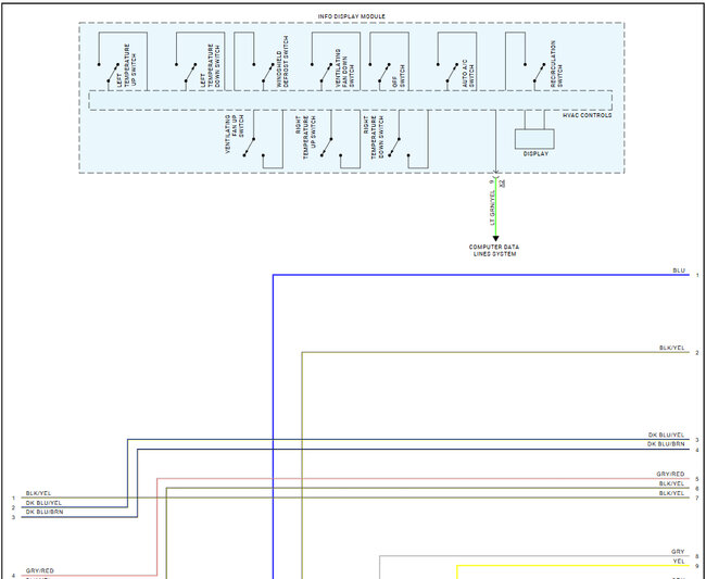
Here are the HVAC wiring diagrams so you can see how the system works.
Check out the images (below). Let us know if you need anything else.
Images (Click to enlarge)
May 19, 2025 at 10:04 AM