Installed a new throttle body and still getting codes P0122, P0223, and P2135?

2017 CHEVROLET SONIC
100,879 MILES • 1.4L • 4 CYL • TURBO • 2WD • AUTOMATIC
Avatar
SAVINGMONEY
  • MEMBER
  • 2 POSTS
Is it the fuel throttle or does it just have to go away itself? I bought a Bosch throttle body and replaced my current gm throttle body, but it only had the code P2135. Before replacing I couldn’t drive far without getting a reduced engine light but after I was able to drive for quite a while and still haven’t experienced a problem, but I still get the codes. I’ve unplugged my negative from the battery and left it for about 20 minutes and retested yet still getting the 3 codes. Is it the throttle body or ECU? The car has been running solid but the codes are still there and I did try erasing with my scanner but it says permanent. The images on the left and right is after replacing. The one in the middle is before. Sorry it didn’t let me delete the pics
Mar 14, 2023 at 7:40 PM
Advertisement
Avatar
AL514
  • CERTIFIED EXPERT
  • 5,465 POSTS
Hello, it sounds like the throttle relearn procedure is not able to complete because of having these codes, they are circuit codes too, so since you have a scan tool can you pull up live data on the Throttle position sensors that are on the throttle body, there could be a connector somewhere that is causing the voltage levels to be off just a little bit. It doesn't take much for the TPS to set codes. As for the Under boost code, wasn't there before the throttle body change, correct? I Don't think the codes will go away until we figure out exactly what your voltage signals are for the throttle body and get that taken care of.
It must be TPS month, this is the 2nd TPS case this week,
So, we need to know what the TPS sensor 1s voltage is at closed throttle, same for tsp 2. The two throttle position sensors go opposite of each other with throttle plate movement. And even a couple hundred milli volts can make a difference.
Circuit Testing is diagrams 8, 9, and 10 below.
This can even be as simple as loose pins in the throttle body connector. Checking that the pins in the connector are tight is extremely important.
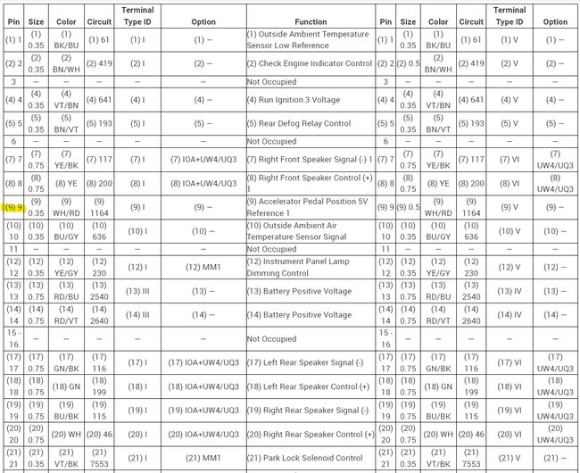
I need to add a correct here too, the P2135 is actually the sensors on the gas pedal, the APP sensors correlation. There is a Technical service bulletin on it. I will post it shortly, service info at first had no code listing for 2135 and I'm not sure why, it is a common code. I apologize I should have gone through the TSBs first. But check the sensor on the gas pedal for any water intrusion and I will check for any connectors in series to the ECM that need to be checked. TSB is 10 and 11 below.

Okay, I've added the 2 bulk connectors that the APP sensor (accelerator pedal position) wires run through. The X101 connector is in the engine compartment and the X202 is down on the driver side below the dash behind the kick panel, so where your left foot would be, if you have a sunroof, this area is susceptible to water intrusion if the sunroof drain tubes are clogged. So, check this connector for corrosion with the key Off. Also check the X101 connector for the same. Look deep into the connector pins for any white or green corrosion. The pinout sheet is after each bulk connector picture.

https://www.2carpros.com/articles/how-to-use-a-voltmeter
Mar 15, 2023 at 11:51 AM
Avatar
SAVINGMONEY
  • MEMBER
  • 2 POSTS
Okay. so, I’m pretty sure it was just the throttle body because the code disappeared and now it’s just engine under boost which deals with the turbo but is it the turbo or how can I find out what’s wrong? The code I’m getting is P0299. This is a code I’ve had for a while, and it comes and goes.
Mar 17, 2023 at 11:25 PM
Advertisement
Avatar
AL514
  • CERTIFIED EXPERT
  • 5,465 POSTS
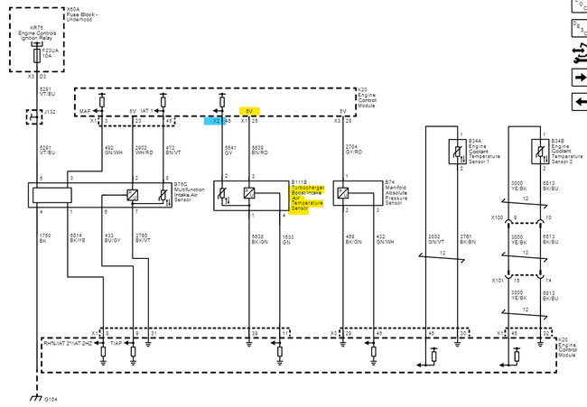
Okay. So, the throttle body needed time to do its relearn procedure. Is this code P0299 only showing up on colder days? There is a Technical Service Bulletin about it acting up on cold days where there may be ice from moisture either covering the boost pressure sensor or restricting air flow. If the code is not something permanent, there might be environmental conditions causing it. With the Key On, engine off, the boost pressure sensor should read normal atmospheric pressure (or Barometric), which is about 14.7 psi at sea level. At wide open throttle the boost pressure can go up to about 34-35psi. and at idle it or decelerating the pressure should be back to Barometric pressure. The ECM is setting this code when it is seeing the "Actual Pressure" is lower than the "Desired Pressure" it expects to see for greater than 1.4seconds, at the current engine speed, intake air temperature, ambient pressure. etc.
So basically, is seeing lower pressure than there should be. Now if this was a bad boost pressure sensor, you would have codes set all the time. The Turbocharger has many components and specific specs for each component. The diagnostic aid below can give you some possibilities of what the cause might be, but the turbo is not something you want to pull apart to check internal components. With intermittent codes it's difficult to say exactly what the fault is, especially since it could be hot or cold related. The special clamps used on the hoses are torqued to spec, which is not something you would normally do with a coolant hose for example.
You can pull out the air filter and check the air intake hose but since you just did a throttle body, I don't think you will find any issues there. I will post the data that you would monitor on a scan tool when diagnosing this code, so if your scan tool can read live data you can watch for any irregular pressure changes. (Diagrams 4-6). If you live above sea level, the scan tool reading data PID (Baro) at key on engine off, is your barometric pressure where you live. The ECM will take this reading before the vehicle is started. Diagram 7 are some other possibilities for the code setting.
But the issue with intermittent problems like this is that when the engine gets hot, leaks can seal up and hide themselves. This happens with intake manifold gasket and even head gaskets in some cases if the issue is not too far gone. Those are just examples.

The rest of the testing for the code is very specific, applying so many inches of vacuum to hoses and watching for any pressure decreases. So, it really should be done by a tech that knows these particular setups well. I wouldn't want to recommend replacing the boost pressure sensor when it is probably not the issue. But I will check on other testing methods you can try, and post them here.

https://www.2carpros.com/articles/how-turbo-chargers-work
Mar 18, 2023 at 1:42 PM