Can I get the pinout for the cluster odometer?

2010 HONDA CRV
285 MILES • 2.4L • 4 CYL • 4WD • AUTOMATIC
Avatar
ELMERMATUTEV
  • MEMBER
  • 1 POST
Hello, could someone give me the pinout of cluster odometer for the vehicle listed above. i want to turn it on with the godiag. thank you
Jun 21, 2024 at 8:54 PM
Advertisement
Avatar
STEVE W.
  • CERTIFIED EXPERT
  • 15,116 POSTS
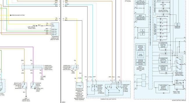
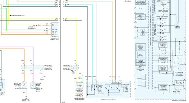
Could you clarify what it is you are trying to do? If you are trying to communicate with the cluster you can only do that using the CAN bus and the proper scan tool. Even then it will not let you alter anything in the cluster as that is all saved in a secure eprom. The attached are the wiring to the cluster.
Jun 22, 2024 at 7:18 AM