Hello again.
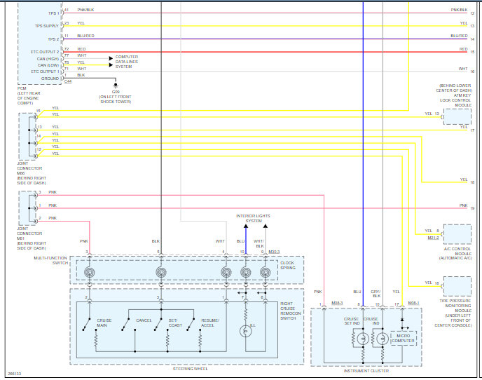
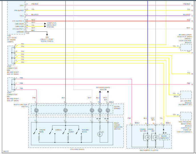
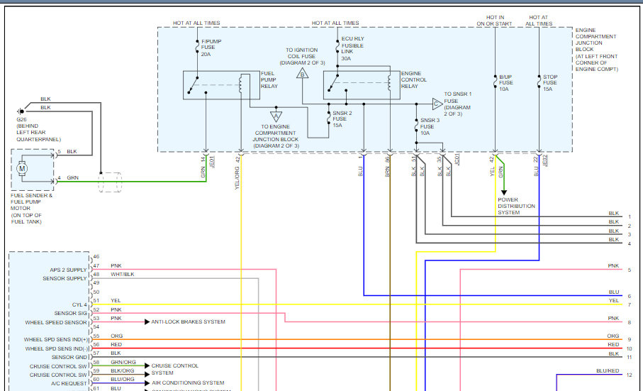
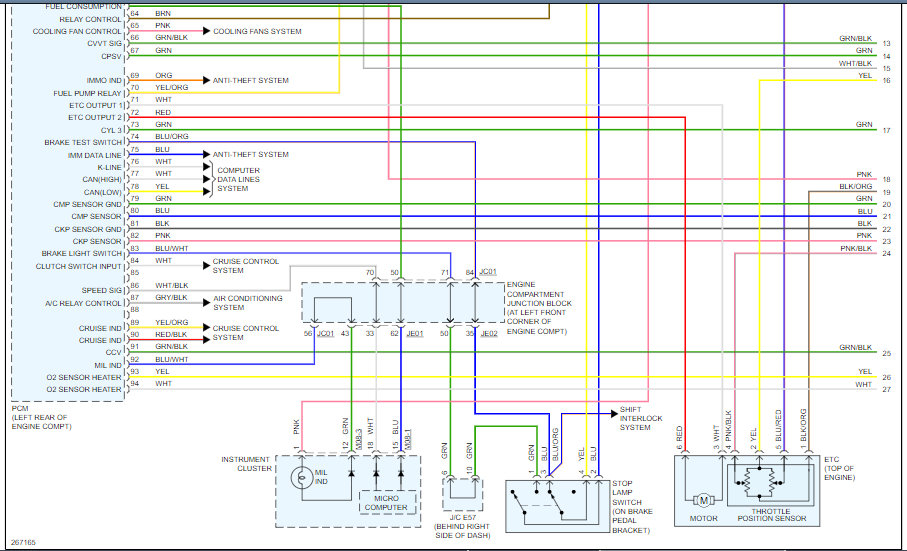
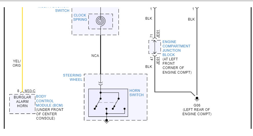
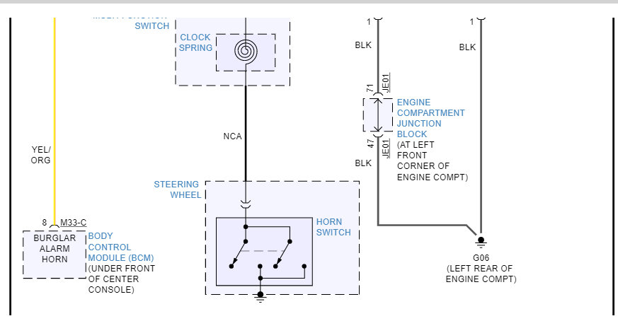
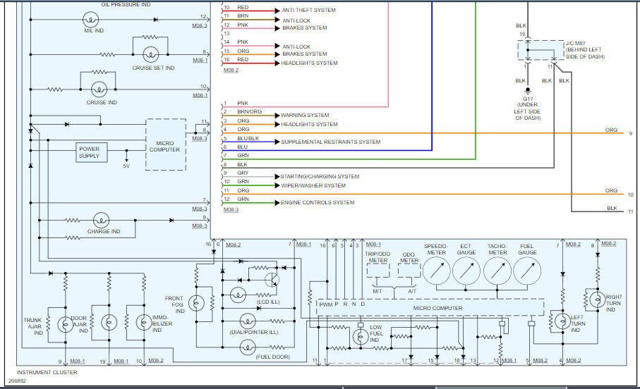
Here is the wiring diagram for the cruise control system. The wires will need to be attached to the multi-function switch which is located on the steering column. I've cut the pictures into 3 pieces each so you can view larger and attached them below. Hope this helps and thanks again for using 2CarPros.
Danny-
Images (Click to enlarge)
Jun 12, 2021 at 12:27 PM