Identifying a wire under the seat

2006 DODGE CHARGER
176,000 MILES • V8 • 2WD • AUTOMATIC
Avatar
NASER NASER
  • MEMBER
  • 836 POSTS
Had water risen by the creek next to where i parked this car where water has gotten into the trunk. dried everything, new battery, still drying carpet. car started, airbag light is on. trying to figure out whether it is because this water got cut in the flooding process or if it's just water in the connectors, or if this wire is the way it is from factory. can you tell me? It's the pink wire underneath the passenger side front seat.
Feb 18, 2020 at 3:11 PM
Advertisement
Avatar
KASEKENNY
  • CERTIFIED EXPERT
  • 18,907 POSTS
Hi again. Sorry for all your issues due to that flood. Can you attach a picture of the wire and I will let you know what I think?

Do you have any idea what the wire is going to? Have you followed it at all to a connector or harness or component? I looked but didn't find a pink wire on things related to the seat so I suspect it is in a harness if it is OEM. Thanks
Feb 18, 2020 at 4:18 PM
Avatar
NASER NASER
  • MEMBER
  • 836 POSTS
sorry, took the pictures and forgot to attach them. It goes into the box in the picture, which is mounted to the seat bottom, along with another connector.
Feb 18, 2020 at 4:26 PM
Advertisement
Avatar
KASEKENNY
  • CERTIFIED EXPERT
  • 18,907 POSTS
It looks like a factory connector and that module that it goes to does look factory. However, I am not sure what module would be under the passenger seat on this vehicle. Can you get a picture of that label on the module in the last picture? Or if you can just pull it down and get a part number I will be able to find out all the detail about it and the wiring.

However, that is clearly cut and so finding out the detail about this may help explain why it could be cut. Thanks
Feb 18, 2020 at 4:42 PM
Avatar
ASEMASTER6371
  • CERTIFIED EXPERT
  • 52,796 POSTS
Good evening,

This looks like either from the seat belt light or a power seat.

If it was airbag-related, those harnesses are yellow in color.

Roy
Feb 18, 2020 at 5:14 PM
Avatar
NASER NASER
  • MEMBER
  • 836 POSTS
So you think it should be reconnected? yes the airbags are usually yellow.
Feb 18, 2020 at 5:50 PM
Avatar
ASEMASTER6371
  • CERTIFIED EXPERT
  • 52,796 POSTS
Yes. Disconnect the negative cable on the battery and reconnect that wire.

Roy
Feb 18, 2020 at 5:51 PM
Avatar
NASER NASER
  • MEMBER
  • 836 POSTS
Thanks.
Feb 18, 2020 at 5:52 PM
Avatar
ASEMASTER6371
  • CERTIFIED EXPERT
  • 52,796 POSTS
You are welcome.

Always glad to help.

Roy
Feb 18, 2020 at 5:56 PM
Avatar
NASER NASER
  • MEMBER
  • 836 POSTS
Put everything together now i have this code. can you tell me if it may be related to the wire maybe? Maybe was not meant to be connected? Airbag light is on, deleted it and came back.
Mar 28, 2020 at 10:00 AM
Avatar
NASER NASER
  • MEMBER
  • 836 POSTS
Here.
Mar 28, 2020 at 10:01 AM
Avatar
ASEMASTER6371
  • CERTIFIED EXPERT
  • 52,796 POSTS
What color is the wire that is disconnected?

Yes, it may be related.

Roy
Mar 28, 2020 at 12:09 PM
Avatar
NASER NASER
  • MEMBER
  • 836 POSTS
Pink, not disconnected anymore. i attached it back then before putting the seat back.
Mar 28, 2020 at 12:14 PM
Avatar
ASEMASTER6371
  • CERTIFIED EXPERT
  • 52,796 POSTS
Okay, so it is connected now.

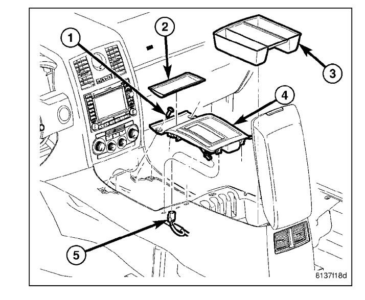
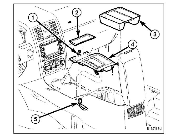
The code indicates the module is bad and must be replaced. I attached the procedure and pictures for you to follow.

Roy

WHEN MONITORED
With the ignition on. The module's on board diagnostics continuously performs internal circuit tests.

SET CONDITION
This DTC will set if the module identifies an out of range internal circuit.

POSSIBLE CAUSES
Occupant restraint controller

DIAGNOSTIC TEST

1. REPLACE OCCUPANT RESTRAINT CONTROLLER
Turn the ignition on.
With the scan tool, erase and read ORC DTCs.

WARNING:
TO AVOID PERSONAL INJURY OR DEATH, TURN THE IGNITION OFF, DISCONNECT THE BATTERY AND WAIT TWO MINUTES BEFORE PROCEEDING.
IF THE OCCUPANT RESTRAINT CONTROLLER IS DROPPED AT ANY TIME, IT MUST BE REPLACED. FAILURE TO TAKE PROPER PRECAUTIONS CAN RESULT IN ACCIDENTAL AIRBAG DEPLOYMENT AND PERSONAL INJURY OR DEATH.

When this code is set, view repair.

Repair
Replace the Occupant Restraint Controller.
Perform the ORC VERIFICATION TEST-VER. 1. See: A L L Diagnostic Trouble Codes ( DTC ) Verification Tests > Occupant Restraint Controller (ORC) Verification Test

Mar 28, 2020 at 12:36 PM