Idle air control valve wire diagram needed?

2002 FORD F-150
215,000 MILES • 4.6L • V8 • 2WD • AUTOMATIC
Avatar
J3SUS777
  • MEMBER
  • 11 POSTS
I have no power on the Idle air control valve connector when I turn the key to the on position. I've attached a light Noid and no power. The truck starts but it shuts off. The only way I can keep it running is by keeping the throttle open just a bit. So Iam thinking that since there is no power to the IAC through the connector it's not sending the amount of air coming in so that the motor can supply the correct amount of fuel, so then it shuts off. The other thing I was thinking is the key might have gotten unprogrammed. All this started when I replaced the valve cover gaskets. And in doing so I unplugged the main connectors on the firewall. I've cleaned the throttle body; I've confirmed I got spark and fuel. It just does not stay running and there is no power at the IAC connector. I need a wire diagram for the idle air control valve that looks similar to the picture below so I can trace those wires and see if there is power or continuity. Can someone please help? Thank you! Truck in question is listed above, a XLT crew cab.
Sep 13, 2022 at 2:17 PM
Advertisement
Avatar
AL514
  • CERTIFIED EXPERT
  • 5,465 POSTS
Hello, it sounds like you're absolutely right, if the IAC is not powered up the ECM will have no control over the idle. The power supply (12v) is actually the same one that powers the fuel injectors, it's a red wire, I will pull up a diagram, but if this happened when you did some more work, there might be a pinched wire somewhere.
With a 12-volt feed it's probably a pulse width modulated circuit on the ground side for control. So, with a node light you would see a pulse.
Another thing to think about, is if you unplugged the main bulk connector at the firewall going to the ECM, the ground wire that controls the IAC might have a pin fitment issue at that bulk connector and it is not reaching the ECM, trace back the work you did and check the connector to make sure there is a good connection to the ECM. It looks like the control wire is White/Light Blue stripe.
I added the OEM diagram too, just to verify wire coloring. They are the same, Also the bulk connector, pin 39 is the ground side control wire for the IAC. White/light blue wire.

https://www.2carpros.com/articles/how-a-idle-air-control-valve-works
Sep 13, 2022 at 2:40 PM
Avatar
AL514
  • CERTIFIED EXPERT
  • 5,465 POSTS
Can you repost your question please, it did not come through. Try not to use any keyboard symbols, they can cause a post to be erased.
Sep 13, 2022 at 3:24 PM
Advertisement
Avatar
J3SUS777
  • MEMBER
  • 11 POSTS
I just wanted to say thank you so much for these diagrams. I will definitely be able to check these wires now and hopefully get my baby back on the road. I did try with a Noid light to see if there was power from the Idle air control valve connector and also the air temperature sensor with the key turned to the "on" position and nothing from either connector. I am wondering if they have the same ground wire. Would you be so kind as to send me a diagram for the air temperature sensor since there is no power on this connector either. Hopefully it's not the PCM. Thank you so much for your time. Once I find the solution, I will gladly post it for future reference.
Sep 13, 2022 at 4:43 PM
Avatar
AL514
  • CERTIFIED EXPERT
  • 5,465 POSTS
Okay, the Intake Air temperature sensor will have a 5-volt reference on the grey wire and the other wire is a shared ground, but not with the IAC. The ground for the IAC goes to the ECM. When you check the Intake temperature sensor you need to have it unplugged with the key On. And the grey wire should read 5 volts. It will be lower plugged in because that's how the ECM reads the temperature by monitoring the voltage drop on that grey wire. So, it needs to be unplugged to test for voltage.
Sep 13, 2022 at 4:57 PM
Avatar
J3SUS777
  • MEMBER
  • 11 POSTS
I am so relieved!!! It appears that there was a pin fitment issue at the bulk connector on the firewall. Just like you said AL514. It appears the female pin was somehow pulled to the back of the connector, making the male pin unable to establish a connection. There were 3 pins connectors that were pulled to the back, which can be seen on the picture below, which were wires 35, 39 and 41. The other pictures show the pins, which are located at the bottom row barely protruding. No wonder there was no ground connection. So, if anyone has any issues after unplugging these connectors, it won't hurt to inspect these pins. Thank you all for this amazing website and your amazing willingness to help!! Two thumbs up for sure!!!
Sep 13, 2022 at 9:46 PM
Avatar
AL514
  • CERTIFIED EXPERT
  • 5,465 POSTS
Thats good news, glad it was only a wiring issue, pin issues happen a lot after so many years of heating up and cooling off, the plastic expanding and contracting. With low voltage issues I usually don't touch connectors and wires until the problem area is isolated. I hear about modules being replaced so much over a bad wire or ground, sometimes going back to the basics helps a lot. I see a few pins there that look like they might have some corrosion on them, they sell terminal cleaners you can try spraying in there to clear that up. Deoxit Terminal cleaner seems to be the best. You can spray it right into the connector and it will clear up any corrosion. Saves you from future headaches.
Sep 13, 2022 at 10:50 PM
Avatar
J3SUS777
  • MEMBER
  • 11 POSTS
Thanks, I'll be spraying that corrosion out of there God willing tomorrow. If it's not too much to ask, I would like to know where I can download a file, containing a full range wire diagram for my truck, for future reference. I looked and looked online, lol, but I could not find the diagram I was looking for. And here you come along and in a jiffy are able to provide what I needed... definitely God sent, bro. I appreciate everything you've done today. Keep up the good work.
Sep 13, 2022 at 10:59 PM
Avatar
AL514
  • CERTIFIED EXPERT
  • 5,465 POSTS
What diagrams are you looking for, something like the complete engine block diagram? We use a paid service called All Data and Mitchell1(Pro Demand) for our wiring diagrams and information. It would be too much to post the entire trucks diagrams, it would be over 200 pages. It's divided up by systems. So, under Powertrain management I can give you the entire engine computer diagrams with all the sensors. And in future if you happen to need diagrams for anything else, just come on here and ask. The powertrain ones I can do, it will be 8 pages, each main page split in half so you can see it close up.

Here's the entire engine to ECM wiring diagrams, pages 1 and 2, if you print them out you'll see they go together. And 3 and 4 and so on. If you need any other specific diagrams in the future, just ask and we can pull them up. These are the aftermarket ones; they are much easier to read than the OEM ones.
Sep 14, 2022 at 11:23 AM
Avatar
J3SUS777
  • MEMBER
  • 11 POSTS
Okay, that's fine. Send the 8 pages please. Thank you
Sep 14, 2022 at 12:00 PM
Avatar
AL514
  • CERTIFIED EXPERT
  • 5,465 POSTS
They are already in my last post, you might need to refresh the page in a few minutes.
Sep 14, 2022 at 12:03 PM
Avatar
J3SUS777
  • MEMBER
  • 11 POSTS
Good afternoon AL514. Hope all is well. You have been a great help and I appreciate everything you are doing for me and others as well. So thank you brother. I was reviewing the last pictures you sent for the entire engine diagram, and these are not it. I need ones showing the light blue cable for the Idle air control valve going to pin 39 instead of 29. Hopefully, you can find one. Thank you for your help.
Sep 15, 2022 at 10:44 AM
Avatar
AL514
  • CERTIFIED EXPERT
  • 5,465 POSTS
Okay, that might be an aftermarket diagram issue. They are not always perfect. If there anything else about this F150, I see there is an F150 2wd Lightning, f150 2wd pick up, an F150 super crew 2wd. All have a 4.6-liter v8 engine. I'll go through and see if there's any difference, I'll take a look at the OEM as well.
Oh, one other thing, that c133 connector is not the ECM connector, it is just that bulk connector. The ECM pin I'm seeing a white/light blue wire going to pin 83 on the ECM is IAC control.
I know the aftermarket diagrams don't show every connector on a block diagram.
Here is the IAC connector too if you need that.
The 4th diagram shows where the c133 bulk connector is. Let me know if you're good.
Sep 15, 2022 at 2:42 PM
Avatar
J3SUS777
  • MEMBER
  • 11 POSTS
My truck listed above is a Super Crew 2WD. It's a beauty, LOL.
Sep 15, 2022 at 5:09 PM
Avatar
AL514
  • CERTIFIED EXPERT
  • 5,465 POSTS
Okay, this is c133 for the 2002 Ford F150 Super Crew 2wd 4.6l v8. It's pretty much the same, you might notice some difference, but I can't really find a list of what every single wire in this connector goes to. I'm going through the OEM (Ford) engine diagrams, which are there are about 40 pages of. This connector is all going to be engine components, powers and grounds, sensors, etc. mostly anything running to the ECM from the engine compartment. There are 33 pins used up in the connector, I'll go through and try to find out which each pin is for, but to do that I'll need to search through all the 2002 Ford F-150 4.6L V8 2WD Automatic 215,000 miles engine diagrams. Which I don't mind doing if you're still having wiring issues. It will just take a while. Unless you want to make a list of the pins you need to know.
But on the aftermarket diagrams, where the pages change and there's a number there, that number doesn't mean anything. It's just to help you trace the wire to the next page. For example, that number 29 you mentioned has nothing to do with ECM pins or connectors. Thats just a number listing the wiring from page to page. But the IAC control is pin 83 on the ECM. I can give you the OEM connector for the engine computer that does list each component. I'll post that next. It gives pin number, wire color and component name. It should be helpful. I'm just Al btw.. nice to meet you. give me a couple minutes and I'll have the ECM connector up for you.

Okay, diagrams 4, 5, and 6, are the PCM connectors and every wire to it. It looks like it's a 1 connector at the PCM.
Sep 15, 2022 at 5:50 PM
Avatar
J3SUS777
  • MEMBER
  • 11 POSTS
Really, I want to know about 4 wires. which are 34, 35, 39, and 41. 39 can be excluded because I know it's the ground to the Idle air control valve. But the diagram that will identify the other 3 wires has to confirm that the white/ light blue wire that goes to pin 39, is for the idle air control valve. Thank you for your help.
Sep 15, 2022 at 5:59 PM
Avatar
AL514
  • CERTIFIED EXPERT
  • 5,465 POSTS
Okay, connector c133
Diagram 1
pin 41 is Cylinder number 2 ignition coil control wire.
pin 34 is the power feed (12v) for all the ignition coils and ignition capacitors for noise suppression.
pins 26 is coil 1 control,
pin 32 is coil 3 control,
pin 33 is coil 7 control.

Diagrams 2 and 3,
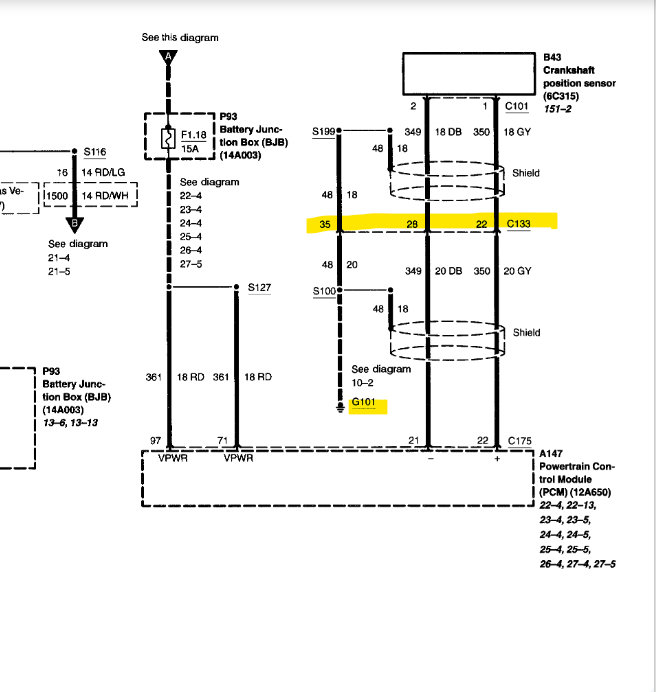
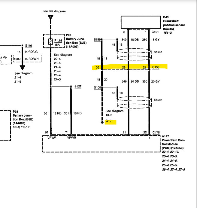
pin 35 is a ground shield for the crankshaft position sensor also splices at s199 and s100 for additional ground shielded wires.

Diagram 4,
pin 20 Fuel Injector 7 control
pin 21 fuel injector 8 control

Diagram 5,
pin 5 Cylinder head temperature sensor (5 volt) reference feed
pin 27 Intake air temperature sensor (5 volt) reference feed

Diagram 6
pins 7,8,13,14,15,19 Fuel Injector (1 to 6) control wires
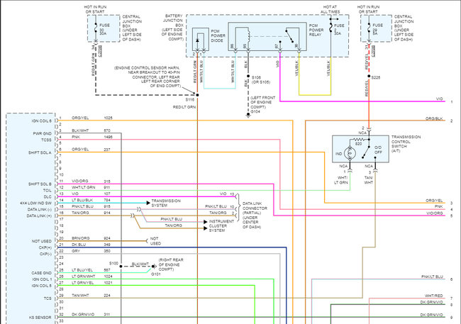
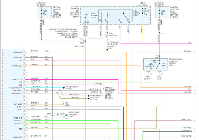
pin 39 Idle Air Control valve control wire white/light blue to pin 83 at PCM connector
These are all OEM Ford diagrams.



Sep 15, 2022 at 6:41 PM