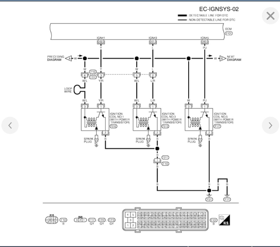
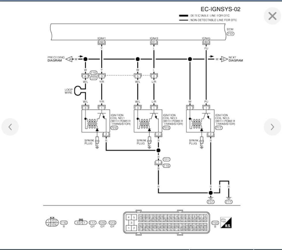
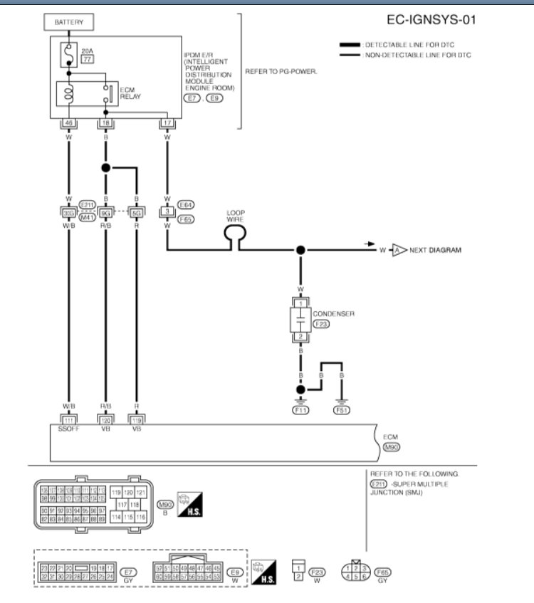
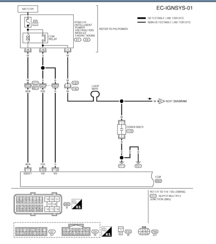
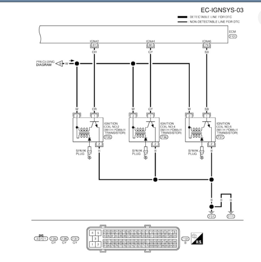
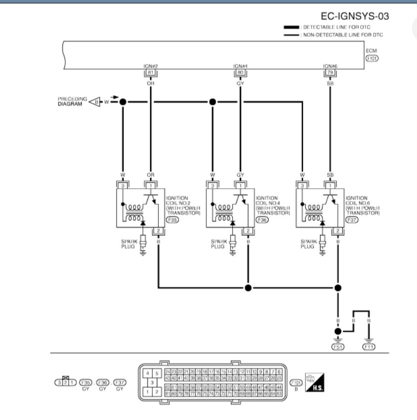
This vehicle burns all the cylinder ignition coils when you crank it, I first diagnosed it and there was no fault code stored. then i unplug the ignition coil connector to check resistance on terminal 3 and 2 (power and ground) with ignition switch on, there was no resistance. Then i checked terminal 1 and 2 (igniter from ECM and ground) there was resistance or short to voltage. could this be an ECM issue or wire problem? though i suspect wire problem.
May 24, 2022 at 7:16 PM














