Ignition fuse blowing on start

2002 FORD TAURUS
190,000 MILES • 3.0L • 6 CYL • 2WD • AUTOMATIC
Avatar
RICHARD WALDEN
  • MEMBER
  • 10 POSTS
Here is how my problem started. I was getting a code for a misfire on the number three cylinder. First thing I did was to replace the spark plugs and cleared the code. I drove the car around and after a few minutes I was getting the code again. I pulled in and popped the hood checked the wire from the coil to the plugs and cleared the codes (with the car running). I went to turn off the car and it would not turn off. Instead it started making a loud awful noise. I disconnected the battery cable from the battery and was successful in turning off the car. I went to start it back up and nothing. I checked the fuses under the hood and found the 40 amp ignition fuse had blown. I replaced the fuse and tried to start the car. As soon as I turned the key to the start position the fuse blew again. Any ideas before I start tearing the car apart? I need to get it running before tomorrow or I will miss work.
Jan 8, 2017 at 6:59 AM
Advertisement
Avatar
STEVE W.
  • CERTIFIED EXPERT
  • 15,113 POSTS
The loud noise may have been the starter motor trying to start the running engine. From the description I am going to suggest the ignition switch itself is bad. Not shutting down and then the noise could be a bad contact in the switch.
Jan 8, 2017 at 10:18 AM
Avatar
RICHARD WALDEN
  • MEMBER
  • 10 POSTS
I pulled the ignition switch and tested it. It was good. I also discovered it had a blown starter relay. Just bought a new one along with a new ignition relay but dont want to try them yet out of fear they will blow again. What could cause both to blow if the ignition switch is good?
Jan 8, 2017 at 10:35 AM
Advertisement
Avatar
RICHARD WALDEN
  • MEMBER
  • 10 POSTS
Update. I replace the starter relay and the ignition fuse and the car started. I drove it around and parked it. I went out there a few minutes ago and tried to start it and the relay and fuse has blown again.
Jan 8, 2017 at 12:40 PM
Avatar
STEVE W.
  • CERTIFIED EXPERT
  • 15,113 POSTS
If it is the contact side that is failing it is a starter drawing a lot of current. Check the battery feed to the starter motor for a bad connection, the relay is only supposed to pull the starter contact in and the big cable supplies the actual starting current. If the battery feed is dirty/blown, the relay carries the load. It will not last doing that and will blow the fuse.

I would also pull the starter and have it tested. If it is pulling excess current the solenoid may be shorted.

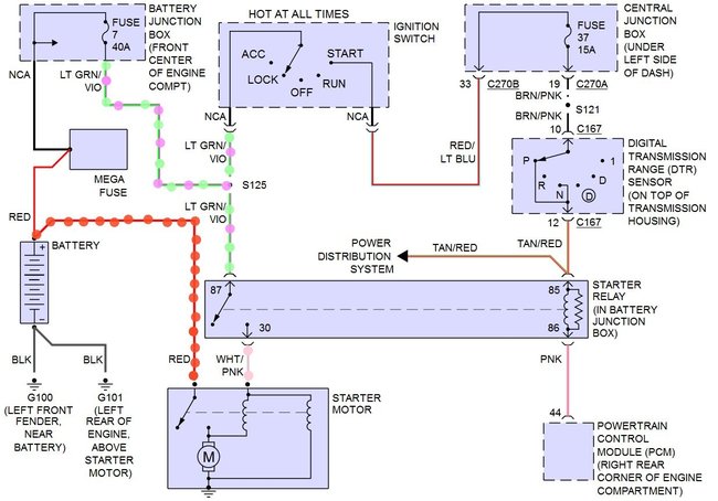
If you look at the diagram the red lead is the one that is supposed to carry the starter current. The green/violet is the starter relay feed through the start fuse. Then the pink/white feeds the starter motor solenoid from the relay. Your issue is on that pink/white wire. Without seeing it it's possible the wire even got close to something and melted/shorted out.
Jan 8, 2017 at 4:11 PM
Avatar
RICHARD WALDEN
  • MEMBER
  • 10 POSTS
Thank you. It gives me something to work with.
Jan 8, 2017 at 6:53 PM
Avatar
RICHARD WALDEN
  • MEMBER
  • 10 POSTS
Ok. I took the day off to work on the car. I pulled the starter and will have it tested. I see the pink and white wire your talking about. How do I test that wire?
Jan 10, 2017 at 9:15 AM
Avatar
STEVE W.
  • CERTIFIED EXPERT
  • 15,113 POSTS
If the starter tests OK (doubt it but I've been wrong before) just check to see if that pink/white is grounded somewhere.
Check the red battery feed very close, I think it has a bad connection or connector and is causing the pink/white to carry to much current. That blows the fuse and relay.
Jan 10, 2017 at 10:33 AM
Avatar
RICHARD WALDEN
  • MEMBER
  • 10 POSTS
Hello. I pulled the starter and had it tested. It tested ok. I replaced the red battery cable to the starter. I put in a new relay and ignition fuse. The car turned over then went dead. Relay and fuse blown again
Jan 10, 2017 at 12:05 PM
Avatar
RICHARD WALDEN
  • MEMBER
  • 10 POSTS
I do not know how to test the continuation of the pink and white wire
Jan 10, 2017 at 12:06 PM
Avatar
STEVE W.
  • CERTIFIED EXPERT
  • 15,113 POSTS
OK if the starter tested good. and you replaced the red cable the only thing left is a short somewhere in that pink/white wire. It might be easier to just run a bypass wire or install a good old fashioned starter relay.

Anyway, Get a test light. Connect it to battery positive. Now pull the starter relay and disconnect the Pink/W at the starter end. If you look at the wiring diagram and the relay you will see they are labelled. You want to touch the test tip of the light to terminal 30. If the wire isn't grounded somewhere, the light will stay out. If it lights that wire has a short. It could be right under the socket in the relay box or anywhere along the wire. That would be something to track down and repair.

https://www.2carpros.com/articles/how-to-use-a-test-light-circuit-tester
https://www.2carpros.com/articles/how-to-check-an-electrical-relay-and-wiring-control-circuit


This is one of those times when it gets frustrating being at a keyboard and not standing over the car. If you want to cut your losses and take it to a shop I would understand.
Jan 10, 2017 at 3:54 PM
Avatar
RICHARD WALDEN
  • MEMBER
  • 10 POSTS
Steve, YOU WERE 100% CORRECT when you said it was the pink and white wire running from the starter relay to the solenoid. I ran the bypass wire from the junction box to the solenoid and it worked. So now I have a similar gauge wire running from the starter relay to the solenoid. I was about to give up.
THANK YOU!
Jan 10, 2017 at 5:32 PM
Avatar
STEVE W.
  • CERTIFIED EXPERT
  • 15,113 POSTS
OK lets try this again (was writing a reply when the power went out)

When you get a chance follow the original wire and see why it has a problem. I'm concerned that there may be other wires in there and if it's a short from something like hitting the exhaust you could end up with a worse problem.

That said, Congratulations on repairing it. I just gave you clues, you solved the case.

Thanks for using 2carpros.com Return anytime with questions, tell your friends about us, we are here to help.

Jan 10, 2017 at 9:04 PM
Avatar
RICHARD WALDEN
  • MEMBER
  • 10 POSTS
Hello Steve. So here is another problem I am having with the same car. Maybe you can point me in the right direction. I am getting a code for misfire at start up, misfire on cylinder 3 and system running too lean on bank 1 (P0171).
I have replaced the spark plugs, an upstream 02 sensor on bank 1 that I was getting a code for and the fuel filter. What are my next steps and what should I be looking at?
Jan 15, 2017 at 7:00 AM
Avatar
RICHARD WALDEN
  • MEMBER
  • 10 POSTS
Here is the live data Im getting on my scanner while car is at Idle. Can you help make any sense of it. I also replaced the PVC hose and elbow along with the ERG Sensor it was attached to.

DTC-CNT 0
FUELSYS1 CL (THIS FLUCTUATES BETWEEN CL, DRIVE AND OL FAULT)
FUELSYS2 NA
LOAD-PCT (%) 34.7
ETC (*F) 174
SHRFT1 (%) 15.6
LONGFT1 (%) 21.9
SHRFT2 (%) -1.6
LONGFT2 (%) 14.6
FRP (psi) 38.7
RPM (/min) 722
VSS (mph) 0
SPARKADV 19
IAT (*F) 68
MAF (IB/MIN) 0.593
TP (%) 19.6
O2 SENSOR B1S12--B2S12
02B1S1 (v) 0.075
SHRTFTB1S1 (%) -3.9
O2B1S2 (V) 0.025
O2B2S1 (V) 0.780
SHRFTB2S1 (%) -3.1
02B2S2 (v) 0.850
OBD OBD2

I appreciate any help, tips or points in the right direction
Jan 15, 2017 at 8:22 PM
Avatar
STEVE W.
  • CERTIFIED EXPERT
  • 15,113 POSTS
High fuel trim and misfire caused by a lean condition sounds is 90% of the time a vacuum leak. Most likely a bad intake gasket because it's on the one cylinder.
Jan 16, 2017 at 10:54 AM