Ignition switch wiring diagram

2002 CHEVROLET IMPALA
130,000 MILES • 3.8L • 6 CYL • 2WD • AUTOMATIC
Avatar
COTTONBALL
  • MEMBER
  • 3 POSTS
Someone replaced ignition switch and when they did they disconnected one of the wiring connectors from somewhere in the car than from the ignition switch itself. I cannot locate the other connector. The connector in question has two red wires, two pink wires, a purple wire and an orange wire. All the wires will have power at times. Two have power all the time, two when key is turned to the on position and the others when key is turned to start. Can you tell me where to look for the connector? I have looked but cannot locate.
Jul 19, 2018 at 8:05 PM
Advertisement
Avatar
DANNY L
  • CERTIFIED EXPERT
  • 5,648 POSTS
Hello, I am Danny.

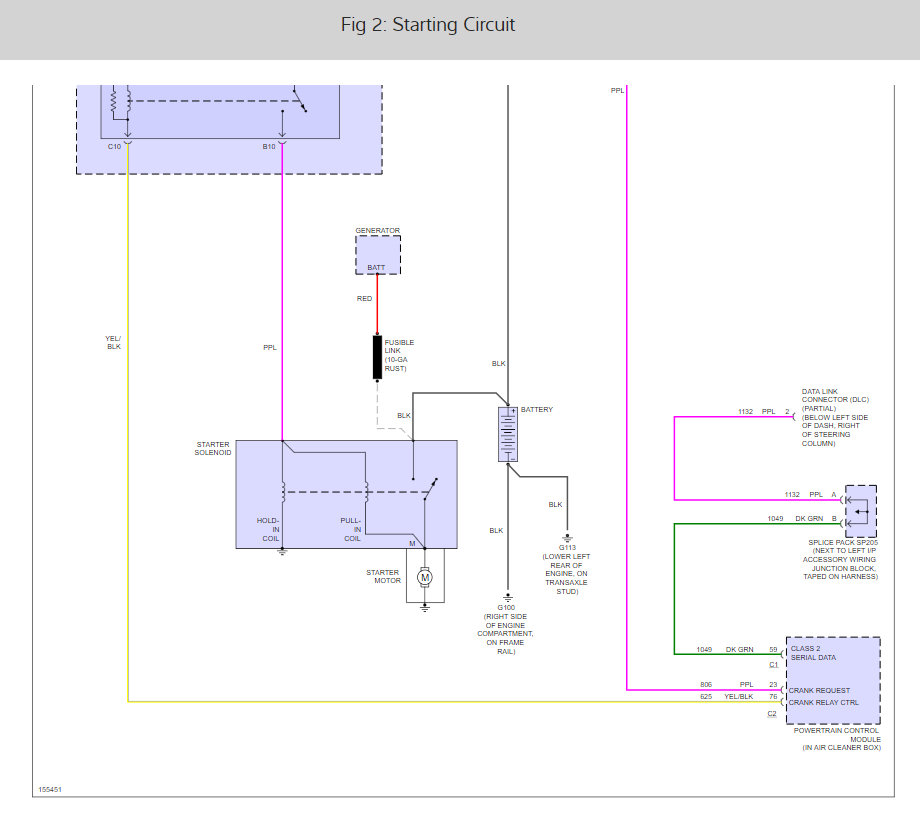
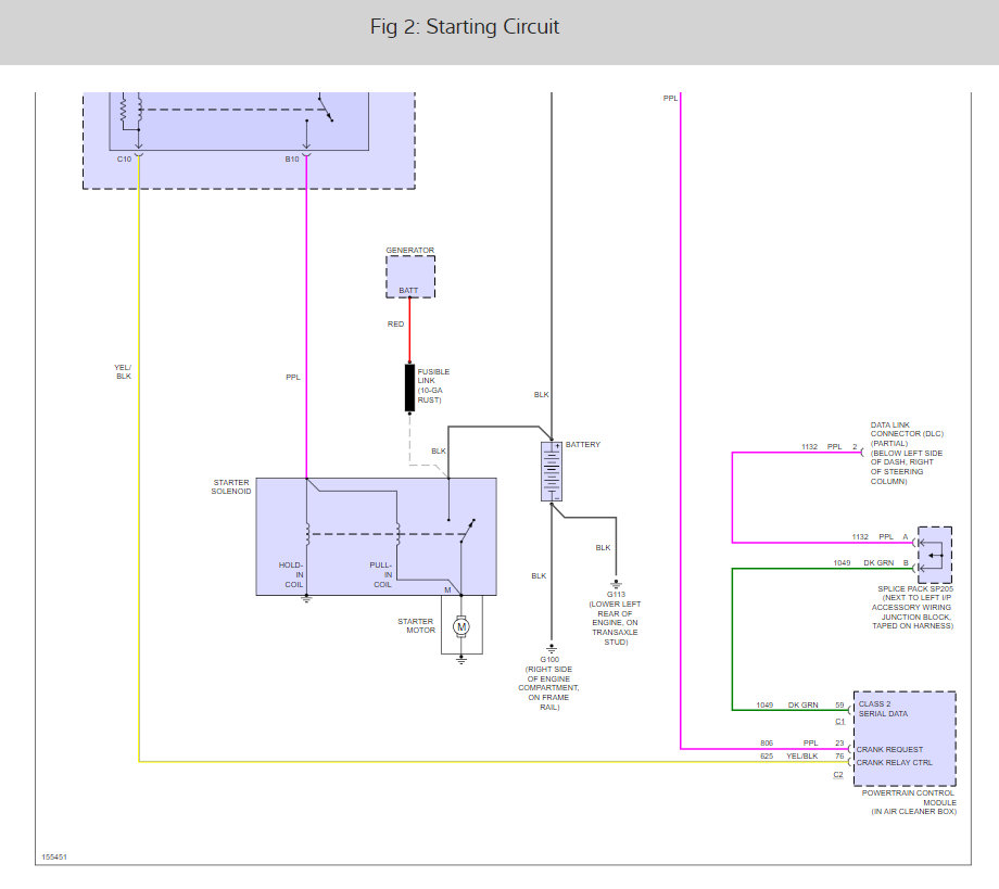
I was able to find a wiring diagram for the starting circuit including the ignition switch. I have attached the picture and including a link showing how to test electrical circuits. Hope this helps and feel free to ask any other questions if needed. Thanks for using 2CarPros.
Danny-

https://www.2carpros.com/articles/how-to-check-wiring
Jul 21, 2018 at 5:42 AM
Avatar
COTTONBALL
  • MEMBER
  • 3 POSTS
Did not answer my question! Needed to know the location of a connector that comes from the ignition switch, I provided a picture of one end. Individual wiring diagram will not help
Jul 23, 2018 at 12:51 PM
Advertisement
Avatar
STRAILER
  • CERTIFIED EXPERT
  • 53,855 POSTS
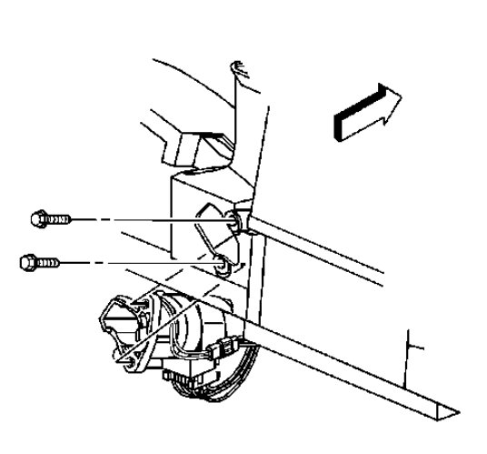
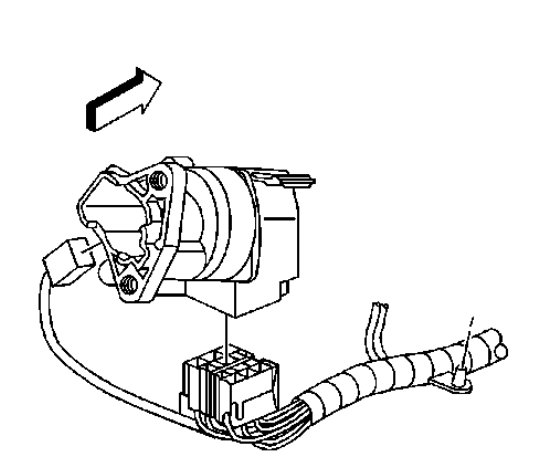
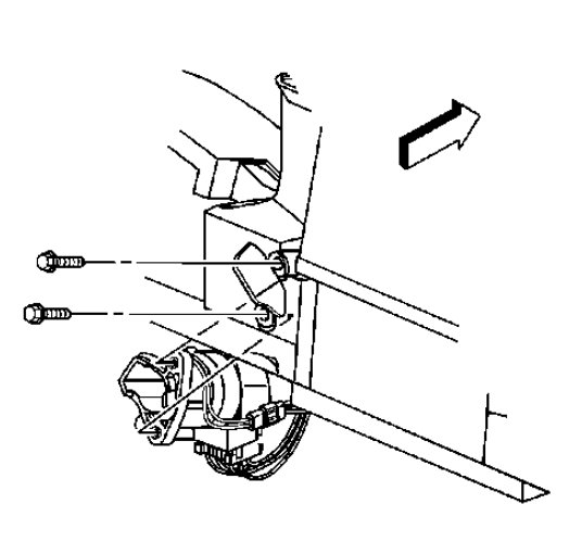
Sorry we do not see the picture you uploaded? Here are the ignition switch wiring diagrams and the starter. I am not sure what else you are looking for please reload the images so we can help.

https://www.2carpros.com/articles/how-to-check-wiring

Check out the diagrams (below). Please let us know what happens.

Cheers, Ken
Jul 23, 2018 at 12:57 PM
Avatar
COTTONBALL
  • MEMBER
  • 3 POSTS
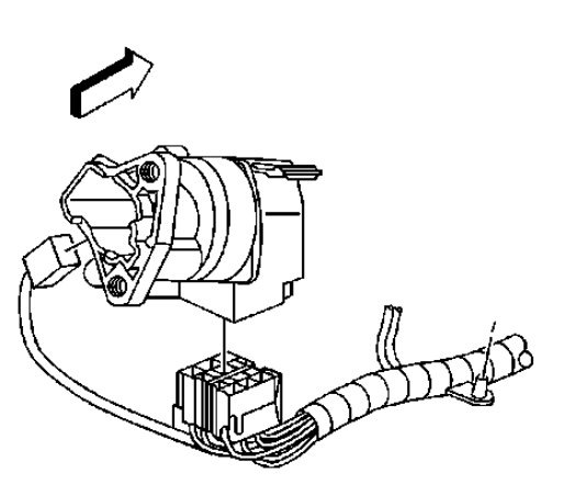
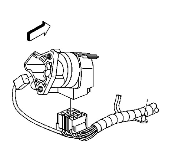
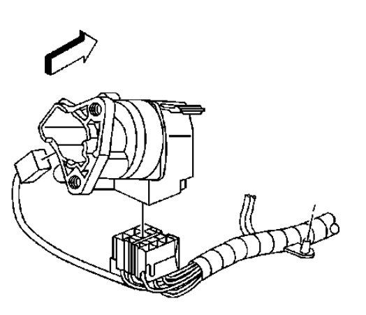
Here is a picture of the connector that I am having trouble finding where it connects. The other end is connected to the ignition switch. Need approximate location where the other end connects.
Jul 23, 2018 at 2:29 PM
Avatar
COTTONBALL
  • MEMBER
  • 3 POSTS
Also, this would seem to be the exiting side off the switch, as in the wires have power when the switch is turned. A couple of wires have power all the time, two more when the key is turned on and then when the key is turned to start the purple and one the other wire has twelve volts.
Jul 23, 2018 at 6:53 PM
Avatar
DANNY L
  • CERTIFIED EXPERT
  • 5,648 POSTS
Hello again.

Okay, thanks for sending the video. I will do some more research and get back to you. Thanks for being patient.
Danny-
Jul 24, 2018 at 4:07 AM
Avatar
STRAILER
  • CERTIFIED EXPERT
  • 53,855 POSTS
Those are mostly power wires so they should plug into another connector which powers the car and starter. Look around up under the dash about the length the wires extend to. Send a video of under the dash so we can look as well.
Jul 24, 2018 at 10:53 AM
Avatar
REBECCA RAE DEHART
  • MEMBER
  • 2 POSTS
Hello, I'm sorry I don't know if I can offer any advice on your problem but I'm hoping you or someone else can help me with mine, I have a 2003 Chevrolet Impala and my ignition switch was cut out. I don't have the old one or any parts to the old one, I bought a new ignition switch and lock cylinder as well as the ignition connecter pigtails. My problem is, there's no old connecter to plug into the new ignition. the wires are hanging out from the dashboard and the wires on the new connectors are all grey. I need to know which colored wires hook to which grey wires (color to letter A-F). If anyone has the same car as me or has access to the information I need I would greatly appreciate it, I ordered a Haynes manual, I have called every junkyard, mechanic shop, etc. Within 100 miles and I've Googled all I can Google, with no luck. My car has been sitting for at least six or seven months.. There's absolutely nothing else wrong with the car but with me now six months pregnant with my first child unfortunately my two seat beater truck is not ideal for hauling around a baby, and I really don't want to scrape the car unless it's a last resort. What should I do to fix my car?
Dec 29, 2020 at 11:26 AM
Avatar
DANNY L
  • CERTIFIED EXPERT
  • 5,648 POSTS
Hello, I'm Danny.

I've attached picture steps below on how to replace the ignition switch on your car. The last 2 pictures show the wiring diagram for the switch. Here is a tutorial showing how to test wiring:

https://www.2carpros.com/articles/how-to-check-wiring

Let us know if you have any further questions on this issue. Hope this helps and thanks for using 2CarPros.
Dec 29, 2020 at 5:08 PM