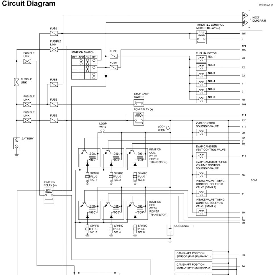
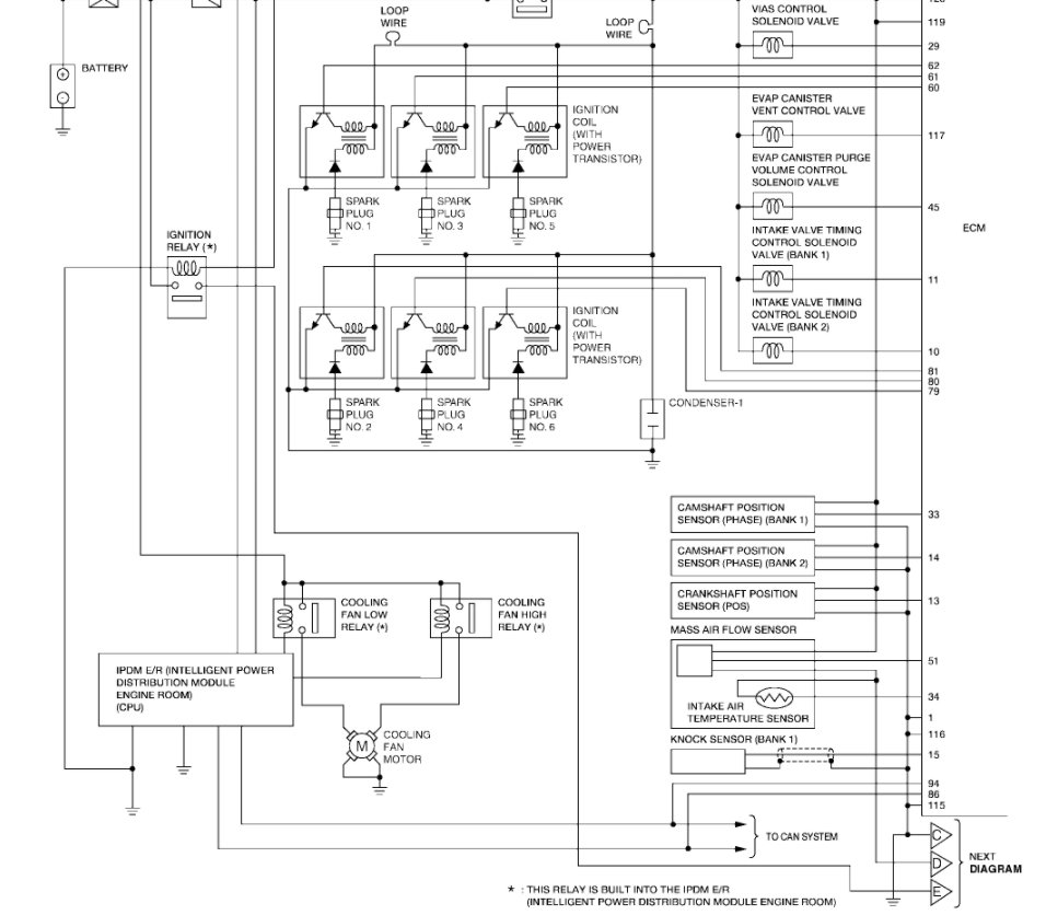
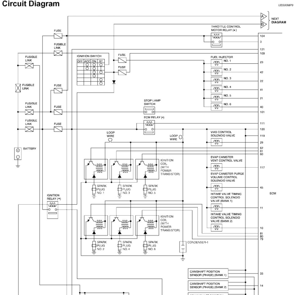
Running QR25DE engine; coolant in rad: did head gasket change, timing chain KIT change; refinished head and block at machine shop; replaced camshaft position sensor; new spark plugs. So at first, on putting the engine back together the CP sensor was not installed flush. Upon starting got 'no compression sound' and no spark. Fixed sensor and engine coughs, won't start and there are massive amounts of fuel in each chamber. Dried out chambers and plugs, no start! New plugs, no start! Lots MORE fuel in chambers! Disconnected injectors. Could fuel be entering the chamber with the vehicle off, key out? How extensive could the problem(s) be? Bad injectors or wiring? Damaged computer module? THANKS for your help!
Rosie & son
Oct 5, 2020 at 11:19 AM
(Merged)