Car will not start and the security system light is on

2011 MAZDA 2
86,000 MILES • MANUAL
Avatar
MMARIE-PIER TTREMBLAY
  • MEMBER
  • 1 POST
Hi! We have tried multiple things but this isn't working.

I have changed the crankshaft sensor because Mazda told me this was the problem ($225.00 for nothing) and my car did not start after this. I called them back to be told my PCM was in fault. I reset it and my car don't want to start.

What can I do to make my car start again?

Thank for your help I'm grateful!
Nov 5, 2019 at 4:27 PM
Advertisement
Avatar
STEVE W.
  • CERTIFIED EXPERT
  • 15,116 POSTS
What does the security light do when you try to start it? Is it in solid or is it blinking?
Your description sounds like there is a failure in one of the modules in the security system. Does your car have a key or push button starting? They are slightly different.
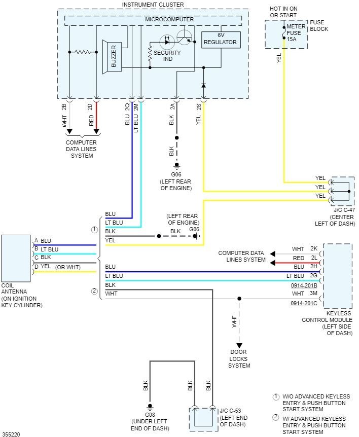
There are a few components in the system, an antenna around either the key slot or the push-button. It sends out a pulse that wakes the transponder in the key or fob. Then reads the response. They can fail, the signal is then sent to the security module built into the instrument cluster to see if the key is valid. Then if it determines the key is valid the signal goes to the power-train controller that will turn the starter on. The catch is that any of those could fail and unless you have the factory scan tool to talk to the modules there is no way to tell where the problem is. You cannot just replace the parts for testing as they need to be programmed into the system and your keys programmed into them for them to work.
Nov 6, 2019 at 12:12 AM