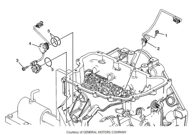
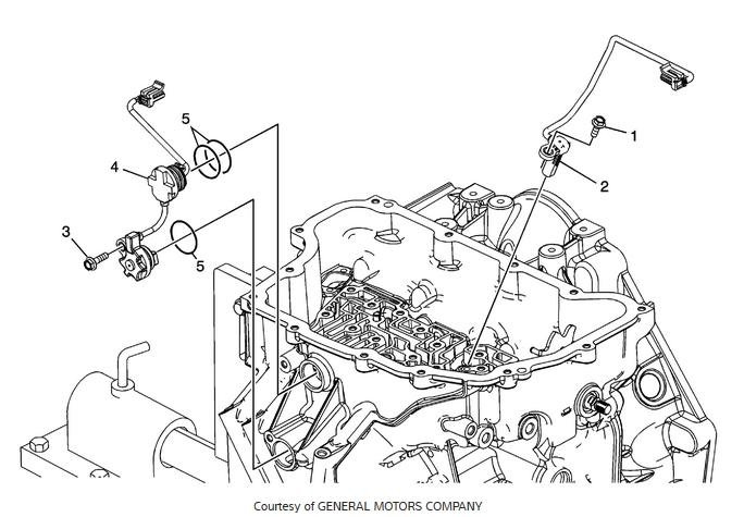
Input speed sensor location

2012 CHEVROLET MALIBU
98,000 MILES • 4 CYL • FWD • AUTOMATIC
Avatar
67KAYLENE
  • MEMBER
  • 5 POSTS
Location of input speed sensor can you tell me?
Jul 3, 2017 at 4:37 PM
Advertisement
Avatar
MHPAUTOS
  • CERTIFIED EXPERT
  • 31,937 POSTS
Hello,

The input sensor for the transmission is near the front by the bell housing. Check out the diagrams (Below). Please let us know if you need anything else to get the problem fixed.
Jul 4, 2017 at 3:50 AM
Avatar
67KAYLENE
  • MEMBER
  • 5 POSTS
Where is it located, and how do I access it? I need to replace it. Picture would be great.
Feb 13, 2019 at 7:12 PM (Merged)
Advertisement
Avatar
HMAC300
  • CERTIFIED EXPERT
  • 48,601 POSTS
it is in the transmission see pictures for instructions if you want to tackle yourself.
Feb 13, 2019 at 7:12 PM (Merged)
Avatar
67KAYLENE
  • MEMBER
  • 5 POSTS
So we are going to have to open the transmission up to get to it? Was really hoping it was reachable from the outside. Estimation of time it will take?
Feb 13, 2019 at 7:12 PM (Merged)
Avatar
HMAC300
  • CERTIFIED EXPERT
  • 48,601 POSTS
any estimate is for a mechanic that is familiar with it with little knowledge it can take you a half a day or more.
Feb 13, 2019 at 7:12 PM (Merged)
Avatar
67KAYLENE
  • MEMBER
  • 5 POSTS
we changed this out and now the car is still jerking and very slow to accelerate. Also when going 75mph it feels like it is downshifting to 3rd gear and staying there. Ran codes again and now it is throwing a transmission control module error......any suggestions???
Feb 13, 2019 at 7:12 PM (Merged)
Avatar
HMAC300
  • CERTIFIED EXPERT
  • 48,601 POSTS
recheck your work and make sure all your plugins are good and have good connections. if it was ok before and now not then it' may be some thing you did
Feb 13, 2019 at 7:12 PM (Merged)
Avatar
KEN JAMES2
  • MEMBER
  • 1 POST
What is the part number for this sensor? I've been to auto zone twice now but the wrong sensors.
Jan 8, 2020 at 3:18 PM
Avatar
KASEKENNY
  • CERTIFIED EXPERT
  • 18,907 POSTS
The manual doesn't list the part number for it but I attached a link to a common parts website. This is for the input speed sensor so if this is wrong then I suspect we are looking for the wrong sensor.

https://www.rockauto.com/en/catalog/chevrolet,2012,malibu,2.4l+l4,1501855,electrical,speed+sensor,10634
Jan 8, 2020 at 4:45 PM