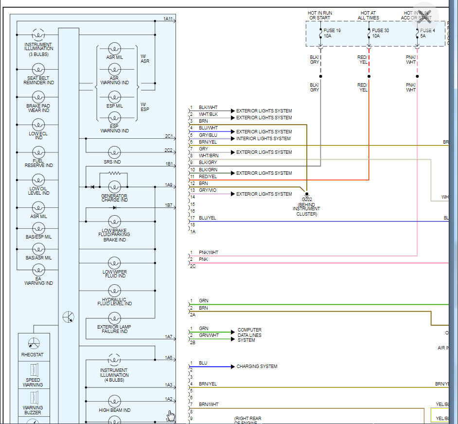
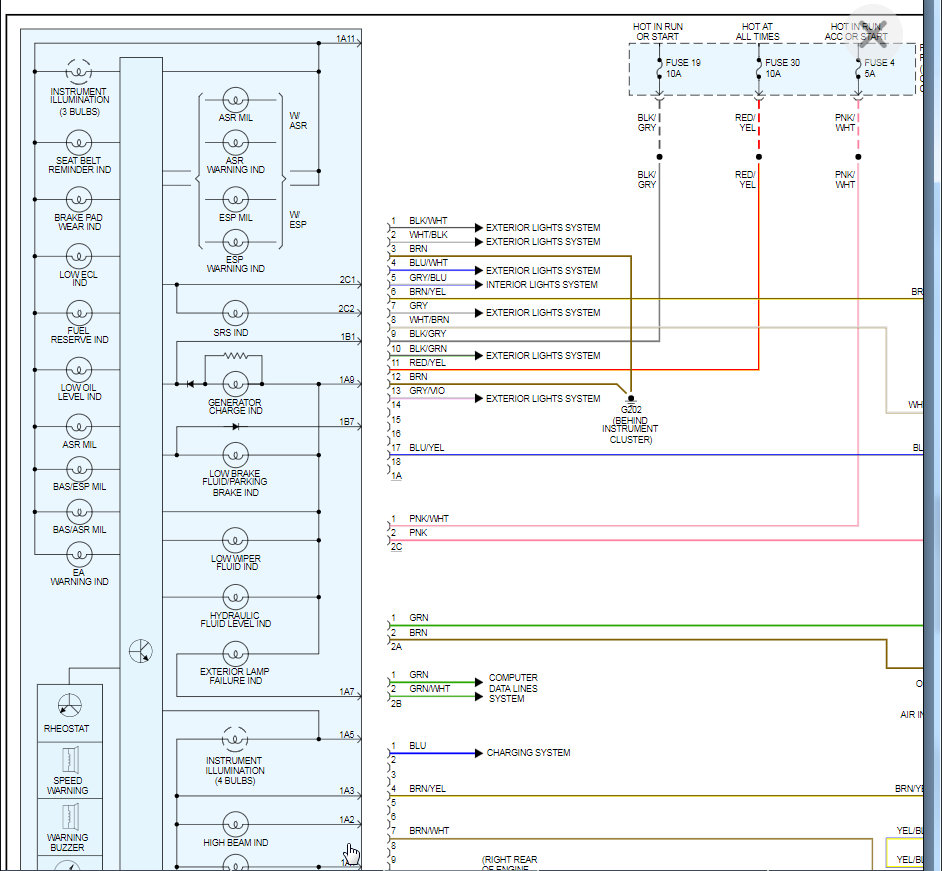
Fuse #19 gets burnt when replaced. seems it is in short but where? Can this short be before or inside cluster? High beam light does not holds with lever and rest oh head light don't work. maybe these 2 issues are separated. Ignition switch run engine fine. Additionally fob key does not close/open doors.
Jan 2, 2020 at 5:45 PM



