Instrument cluster wiring diagrams needed?

2004 HYUNDAI ACCENT
250,000 MILES • 1.5L • 4 CYL • 2WD • MANUAL
Avatar
QAQA
  • MEMBER
  • 2 POSTS
Hi,
I need the pin out connector for the instrument cluster to matching it with my new instrument cluster.
May 1, 2025 at 3:51 AM
Advertisement
Avatar
STRAILER
  • CERTIFIED EXPERT
  • 53,855 POSTS
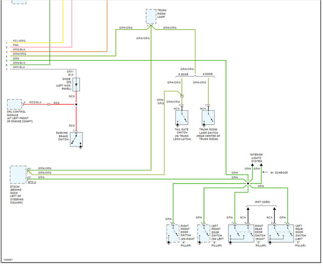
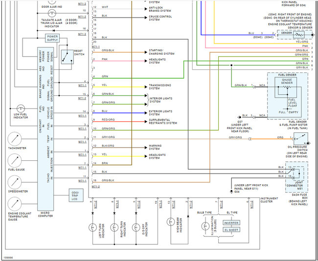
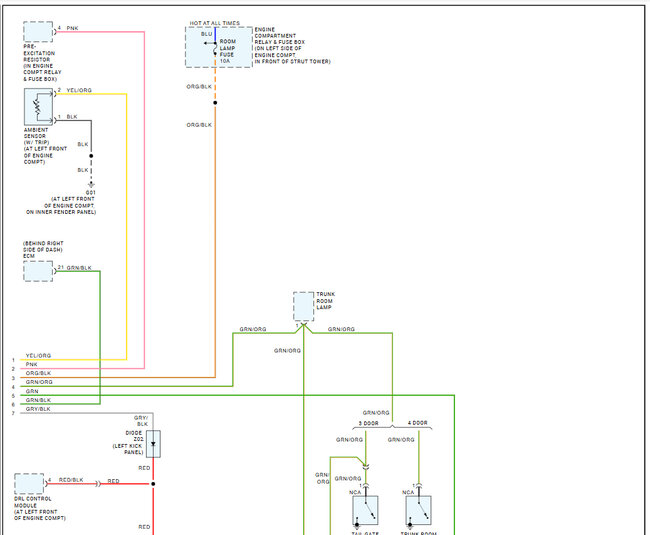
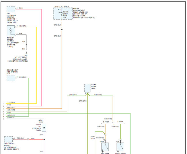
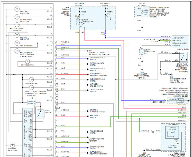
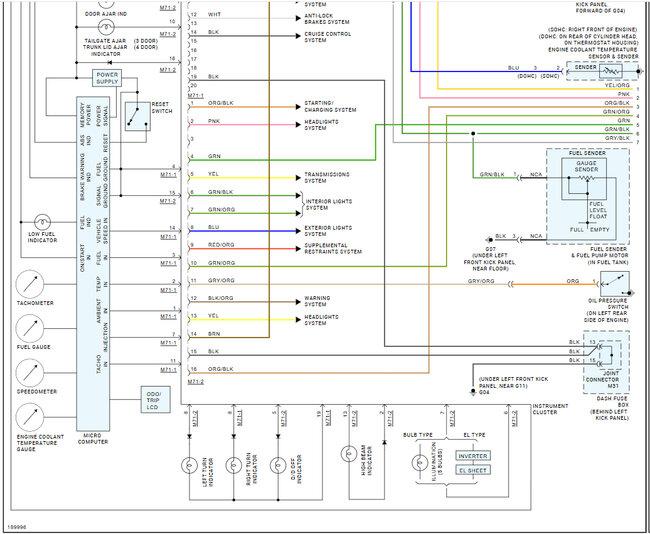
Sure, here is the connector view and the wiring diagrams so you can do the repair needed. Check out the images (below). Let us know if you need anything else.
May 1, 2025 at 11:34 AM
Avatar
QAQA
  • MEMBER
  • 2 POSTS
Thank you so much.
I want to swap my 2004 accent instrument cluster to 2002, becouse because i didn't find tlike the factory one in my cuntry and it's to expensive to import one. So I'm facing some problems to match some wiring.
May 13, 2025 at 3:04 AM
Advertisement
Avatar
STRAILER
  • CERTIFIED EXPERT
  • 53,855 POSTS
Hmm. I don't think you can do that, these systems are integrated into the CAN system which talk to other modules in the car so I cant recommend it. I would get the correct cluster or look the circuit board of something burnt and try to fix the failure.
May 14, 2025 at 10:30 AM