instrument cluster lights not working properly

1995 CHEVROLET 1500
50,000 MILES • 4.3L • V6 • 2WD • AUTOMATIC
Avatar
1234R7X
  • MEMBER
  • 6 POSTS
The lights on the instrument cluster do not illuminate when the headlights are turned on. Same thing with the lights on the A/C heater control. All fuses are good.
Jul 24, 2021 at 10:09 AM
Advertisement
Avatar
JACOBANDNICKOLAS
  • CERTIFIED EXPERT
  • 110,175 POSTS
Hi,

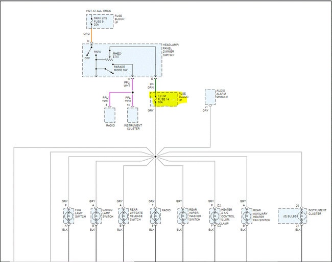
The first thing I suggest is checking fuse 14, illumination fuse. It is in the vehicle's fuse block (passenger compartment).

I realize you mentioned fuses have been checked, but I just want to confirm this one has.

Now in addition to checking the fuse's condition, I also need you to check it for power. Power to the fuse comes from the dimmer switch and voltage will change when you adjust the brightness. However, I need to make sure there is power. If there isn't, the switch may be bad. If there is power, then we must have an open circuit.

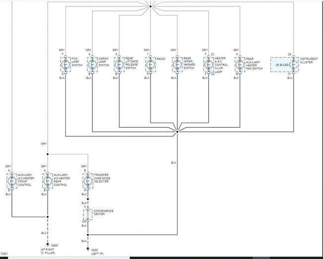
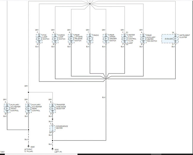
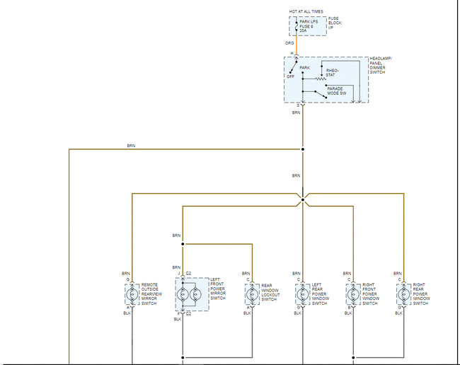
I attached the wiring schematic for the instrument cluster illumination for your review. I highlighted the fuse I'm referring to.

Here is a link you may find helpful when performing the test:

https://www.2carpros.com/articles/how-to-check-a-car-fuse

The last pic shows the fuse location in the box. Check this and let me know the results.

Take care,

Joe

See pics below.

Jul 24, 2021 at 9:15 PM
Avatar
1234R7X
  • MEMBER
  • 6 POSTS
In the first picture, what is the parade mode switch?
Jul 25, 2021 at 10:30 AM
Advertisement
Avatar
1234R7X
  • MEMBER
  • 6 POSTS
Thanks for the response. There is no power to the fuse. The headlights come on and when I turn the dimmer knob until it clicks, the orange gear indicator for reverse, drive etc does come on brighter.
Jul 25, 2021 at 2:15 PM
Avatar
JACOBANDNICKOLAS
  • CERTIFIED EXPERT
  • 110,175 POSTS
Hi,

To the best of my knowledge, that is a way to turn driving lights off when they are not needed.

If it is the illumination fuse you are referring to, pull the dimmer switch and check the dark green wire from it for power to the fuse. We need to determine where that power is lost. The likely cause of the issues. As far as the shift indicator, I believe that power comes in differently.

Try that and let me know what you find. Here is a link you may find helpful:

https://www.2carpros.com/articles/how-to-check-wiring

Joe
Jul 25, 2021 at 7:17 PM
Avatar
1234R7X
  • MEMBER
  • 6 POSTS
Thank you. It turned out to be the fuse. It did not appear blown but when I tested it with a meter it was open.
Jul 26, 2021 at 6:11 PM
Avatar
JACOBANDNICKOLAS
  • CERTIFIED EXPERT
  • 110,175 POSTS
Hi,

Thanks for the update. That can happen to all of us. I'm glad to hear it's fixed. That's what really matters.

Regardless, please feel free to come back anytime in the future if you have questions or need help with anything. You are always welcome here.

Take care of yourself,

Joe
Jul 26, 2021 at 6:41 PM