Instrument Cluster Wiring Diagram needed?

2005 CHEVROLET SILVERADO
180,000 MILES • 5.3L • V8 • 4WD • AUTOMATIC
Avatar
BECCAH98740
  • MEMBER
  • 12 POSTS
All of the wires are out of my instrument cluster wiring harness, and I can't seem to find an accurate pinout to put them back.
Jun 14, 2023 at 12:19 AM
Advertisement
Avatar
BORIS K
  • CERTIFIED EXPERT
  • 836 POSTS
Hello,

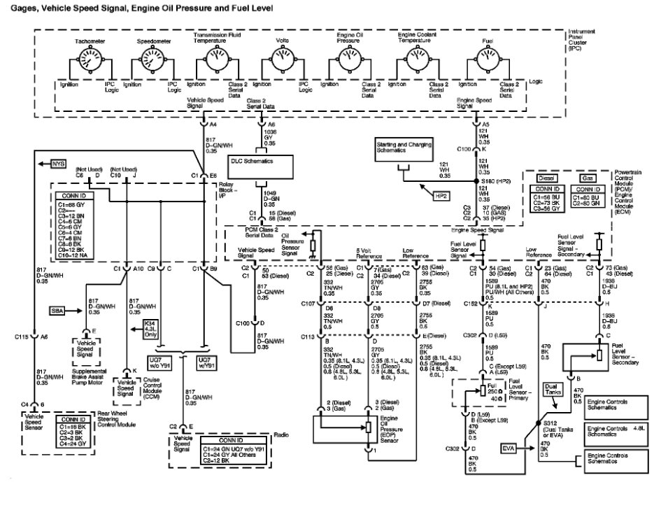
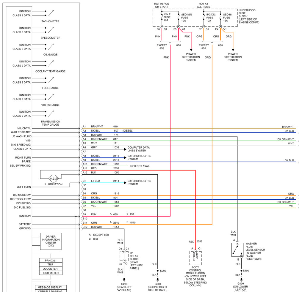
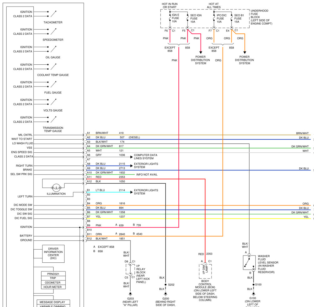
See below images for the wiring diagrams.

Please let us know if you need further information.

Cheers, Boris
Jun 14, 2023 at 3:31 AM
Avatar
BECCAH98740
  • MEMBER
  • 12 POSTS
I just looked at the wires and mine didn't match. I have 1 light blue, 2 dark blue, 3 green and white. The white strip is slightly different on each one, 1 pink, 1 red, 1 yellow, 1 brown and white, 2 black and white, 1 black, 1 grey, and 1 white.
Jun 14, 2023 at 11:43 AM
Advertisement
Avatar
BORIS K
  • CERTIFIED EXPERT
  • 836 POSTS
Hello,

No matter which wiring diagram I look at they do not match your description.

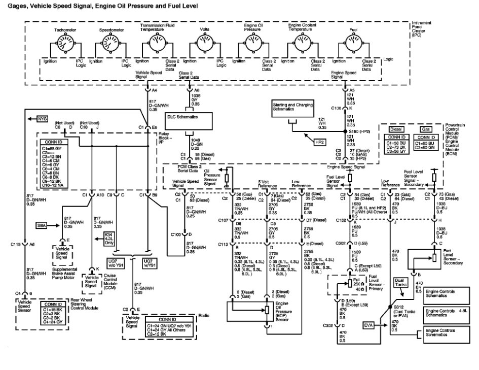
Below please see another set of diagrams from a different source.
They also do not match your description.

Hope these help.

Cheers, Boris
Jun 15, 2023 at 8:04 AM