Where is the Intake air sensor located?

2008 FORD F-150
200,000 MILES • 4.2L • 6 CYL • 2WD • AUTOMATIC
Avatar
PLPFLOYD
  • MEMBER
  • 2 POSTS
Trying to locate the IAT sensor.
Mar 8, 2025 at 12:30 PM
Advertisement
Avatar
PLPFLOYD
  • MEMBER
  • 2 POSTS
Revieved a code that air intake temperature sensor is bad. Trying to locate. Saw there was a specific way to test sensor, is that available as well?
Mar 8, 2025 at 1:04 PM (Merged)
Avatar
CARADIODOC
  • CERTIFIED EXPERT
  • 34,308 POSTS
I can help but there's some things we should clear up first. Mainly, diagnostic fault codes never ever say to replace a part or that one is bad. When a sensor or other part is referenced in a fault code, it is actually the cause of that code about half of the time. Before we spend our customer's money on a part, we test the wiring and look for other problems, including mechanical problems associated with that part. This is even more true with temperature sensors. Other than a huge problem Ford had in the early '90s with their coolant temperature sensors, failures are very rare because there's just one part in them.

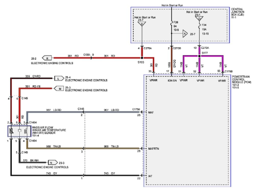
To make this unnecessarily complicated and expensive, on your truck, Ford put the intake air temperature sensor in with the mass air flow sensor. To get you started, here's the wiring diagram showing the intake air temperature sensor way to the left. It uses a gray wire and a gray / red wire. The second drawing shows the connector view.

How we would approach the diagnostics depends on the exact fault code number. If you know that, you can go here:

https://www.2carpros.com/trouble_codes/obd2

to see the definitions, or I can interpret them for you. The most common code for temperature sensor circuits is "signal voltage too high", or simply, "IAT high". Most temperature sensors are fed with a very carefully regulated 5.0 volts from the Engine Computer, then the circuitry draws that down to considerably less than 5.0 volts. As a rule of thumb, the acceptable range for signal voltage of this type of sensor is from 0.5 to 4.5 volts. Anything outside that range is what sets a fault code. A break in a wire, corroded terminals in a connector, or a break inside the sensor will cause an "open circuit". That 5.0 volts coming from the computer will not get drawn down, so the 5.0 volts is seen as a defect. The appropriate fault code is set, and when the code refers to something that could adversely affect emissions, it turns on the Check Engine light.

I shouldn't continue on yet until we know the exact code number, but you asked about how to test the sensor. Ideally, we would measure with an ohm meter right at the two wires at the computer. That would include the wires in the test, but doing so is very inconvenient. Instead, unplug the sensor, then measure right on the mass air flow sensors two terminals for the IAT. That's terminals 1 and 2 at the top of the drawing.

There's no point in looking up the resistance value because it will vary with temperature, and no two sensors are ever exactly the same. There's only two readings that are not acceptable. One is an open circuit, or infinite resistance. That's rare because the resistor's wires are pretty tough. The other is 0 ohms, or shorted. That's also rare because you'd have to take it apart, then twist the wires together mechanically. If you tell me you found the resistance to be 85 ohms, 500 ohms, or 2,500 ohms, I'd suggest that is okay, but I would look up what the typical value should be to be safe. That will only be for reference, not to judge your sensor is good or bad.

The last two drawings show where the mass air flow sensor is located. Both leave a lot to be desired. That sensor will always be in the fresh air tube or passage between the air filter and the throttle body assembly.

We'll continue on once I know the fault code number. If you don't know how to use an ohm meter, let me know. I can help with that too.
Mar 8, 2025 at 2:24 PM
Advertisement