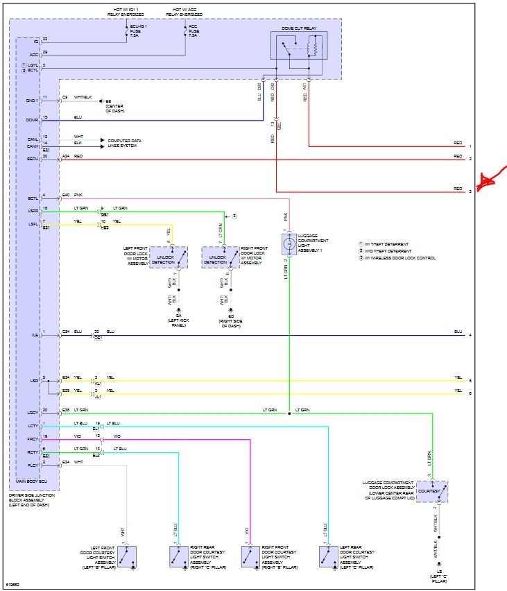
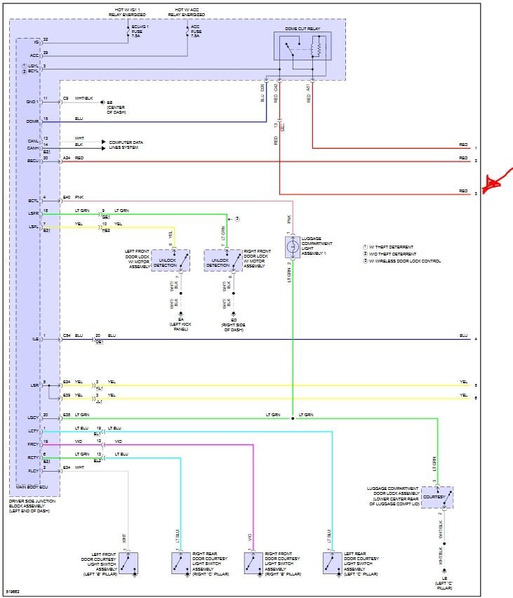
My inside lights (on ceiling of car, the ones that are supposed to turn on when I open the door), are off. They have the sliding controls with 3 positions, on, off, and door. When I press the sliding control up (towards the ceiling), the light turns on. I need to exert constant pressure. I'm guessing that something in the light isn't contacting. Is there something I can do to fix it?
Mar 6, 2021 at 11:05 AM
(Merged)