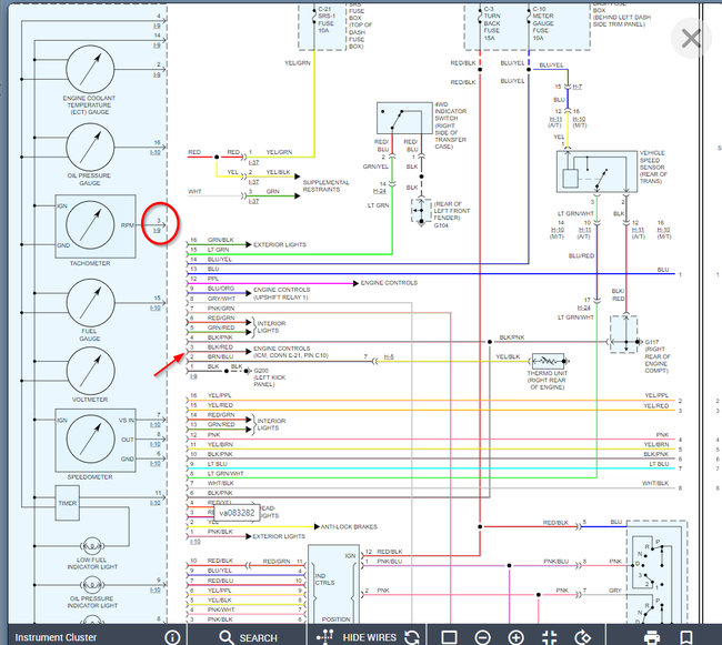
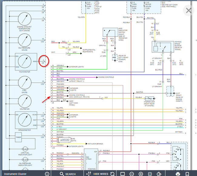
These issues with the tachometer and stalling could be related as the tachometer is fed from the ignition control module so if that is faulty then you would have stalling and no tachometer.
So, the way to check this is to go to the cluster and find out what the voltage is coming in on the wire highlighted.
Here is a guide that will help with this:
https://www.2carpros.com/articles/how-to-check-wiring
Once we know what the voltage is on this wire while the engine is running then we can take the next steps, but I suspect this will put us on the right path.
Please run through this and let us know what you find with this. Thanks
Images (Click to enlarge)
Oct 6, 2021 at 3:14 PM