Hello,
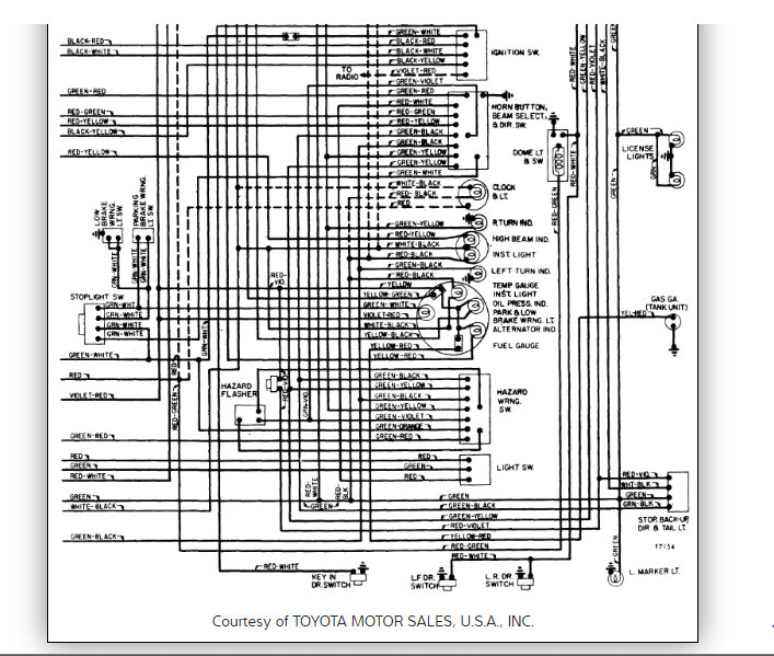
In the diagrams down below I have included the wiring diagrams for your vehicle. Please check and see with an assistant cranking the engine at the ignition switch can you take a voltage reading at the starter solenoid positive terminal. It should have a black/white wire going to it from the ignition switch. Here is a link below for you to go to if you are not familiar with how to use a Digital Multi-meter (DMM), if needed.
https://www.2carpros.com/articles/how-to-use-a-voltmeter
I have also included a guide on how to measure voltage in the diagrams down below as well. Please get this reading and report back with what you find out.
Thanks,
Alex
2CarPros
Images (Click to enlarge)
Sep 21, 2019 at 4:27 PM