you guys are great, so appreciative of your sharing knowledge. my error in my donation flop, i was scammed by another company and paid them instead of my intended recipient you.
so back to my 3 month ordeal with the crossfire heat blast when ac on. drivers side blowing cool passenger is not. as soon as car warms up im blasted with a direct flow of heater core or engine heat.
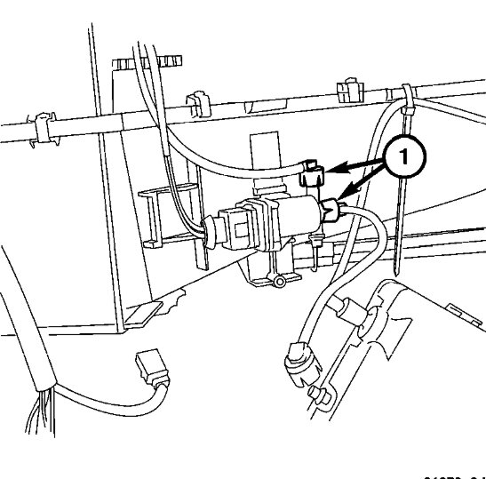
so, what ive been told twice from 2 different shops was it was a bad accuator. A scanner told them this.
ive ordered a vacuum reservoir gray box that 2 vacuum lines run through . one to the accuator the other to the back of intake manifold. ive read that there are 3 blend doors under dash , drivers side , passenger and maybe recycled? or not sure what the purpose of tje third one is but its the only one i can see. i have taken apart the whole sash lookinh for the one that is stuck preventing it from closing to get cold air. im goingvto send you pictures of what im talking about.
my question is, is the accuator in my pic the right one to replace? it looks like the part i ordered but im just not sure. if it is theres no way i can see to get to the screws holding it in c/o the blower motor and plenium ducts and air filter. unless i drop those and i dont want to do that. going in from abovebis out c/o a metal sheet above it thats welded in.
next wuestion. can i just replace the accuator and leave the mechanical part of the blend door screwed in?
this has bbeen the toughest job on a car ive ever done. . any help is greatly received. all the vids and forums are for trucks or nice roomie area to work in , mine is quite a different story. pics coming up
Images (Click to enlarge)
Sep 6, 2025 at 3:13 AM