Knock sensor location

2003 CHRYSLER PT CRUISER
182,000 MILES • 2.4L • 4 CYL • TURBO • 2WD • AUTOMATIC
Avatar
PTBILL
  • MEMBER
  • 2 POSTS
Where is it?
Jul 8, 2020 at 3:08 PM
Advertisement
Avatar
ASEMASTER6371
  • CERTIFIED EXPERT
  • 52,796 POSTS
Good evening,

I attached a picture for you of the sensor.

https://www.2carpros.com/articles/how-a-knock-sensor-works

Why are you replacing it? If you have a code, can you give me the code so I can verify if the sensor is bad?

Roy
Jul 8, 2020 at 3:29 PM
Avatar
PTBILL
  • MEMBER
  • 2 POSTS
code: 0325.
Jul 9, 2020 at 10:15 AM
Advertisement
Avatar
ASEMASTER6371
  • CERTIFIED EXPERT
  • 52,796 POSTS
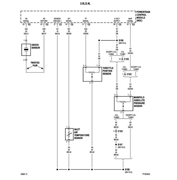
Okay, I attached a flow chart for you to view and some testing to be sure it is the sensor.

The one thing I would do is remove the connector from the sensor and use a voltmeter and test the voltage at the sensor. Use the red lead in one terminal and the black lead to the other terminal. Then tell me the voltage reading with the key in the on position.

https://www.2carpros.com/articles/how-to-check-wiring

https://www.2carpros.com/articles/how-to-use-a-voltmeter

Roy
Jul 9, 2020 at 10:23 AM