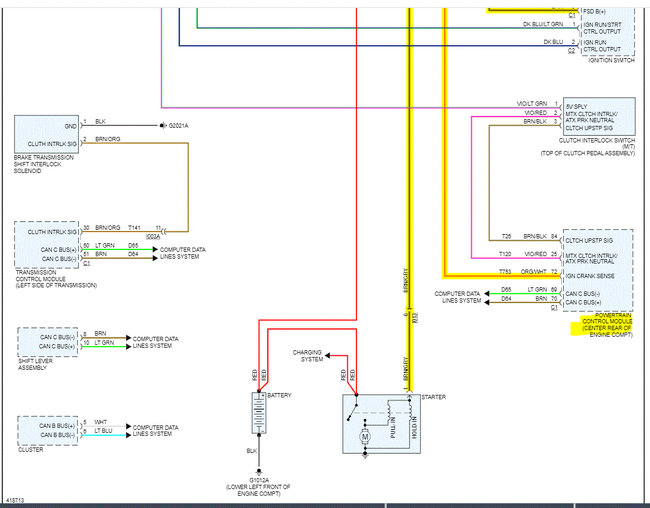
When the car is left in drive and turned off if i turn it on still in drive the car says on the cluster it's in neutral(N) then i try move it still in drive it doesn't move at all. then i put it in reverse and it shows R on the cluster i try move it, it still doesn't move. is this because the car was left in drive and thinks it's in neutral? when turned on i recently took my car back to the dealer due to a fault but now he's saying the car won't move is completely broke, but he always starts the car in drive on videos he shows me and will not start it in neutral. i drove that car 90 miles from mine to his so it definitely did drive when i took it back.
Dec 2, 2021 at 5:34 PM


