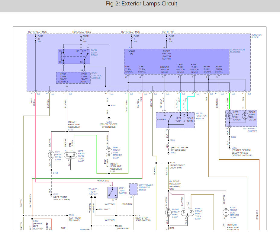
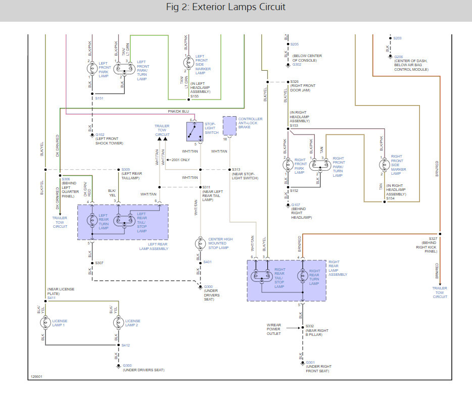
Without the lights on, all taillights, brake lights, turn signals and reverse lights work perfectly. With the lights on, the left brake light doesn’t work while all other lights work perfectly.
Nov 10, 2022 at 2:41 PM






