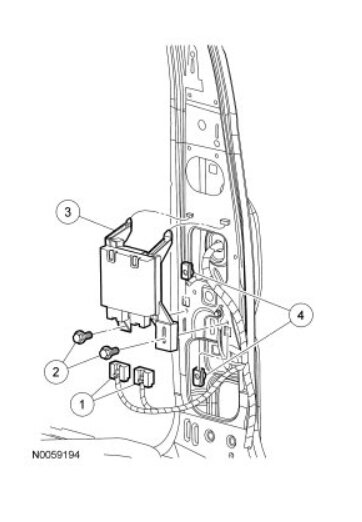
Installed new kit from ebay. Motor both brackets and rod that runs between front and rear bracket. Deploys down and flat with door open. Only goes up a few inches with door closed. Nothing in brackets to block movement. Doesn't go back down like something is blocking it. Just stops. Also when driving truck when stopped and start to move again the board will go down and up again.
Aug 15, 2025 at 1:15 PM




