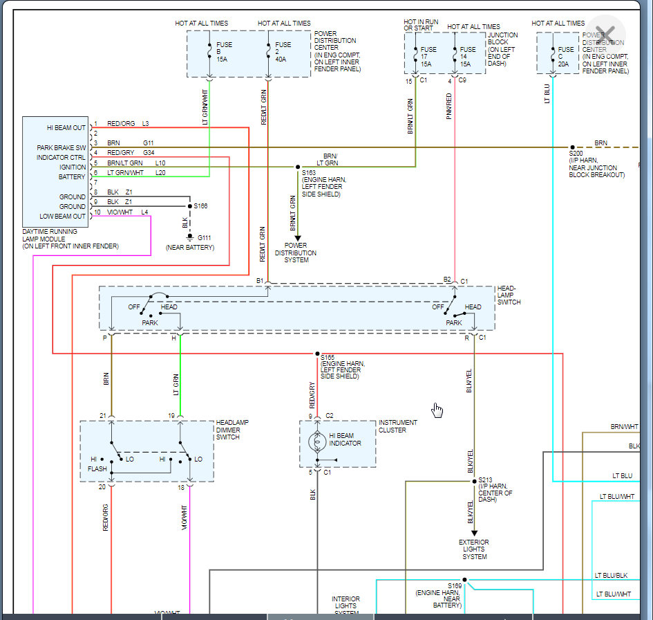
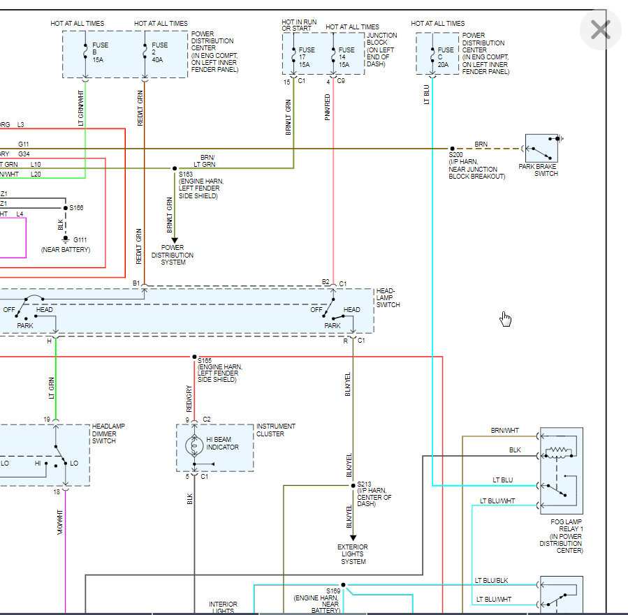
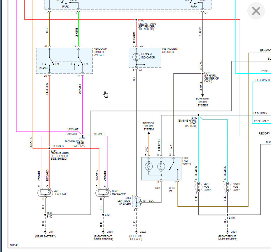
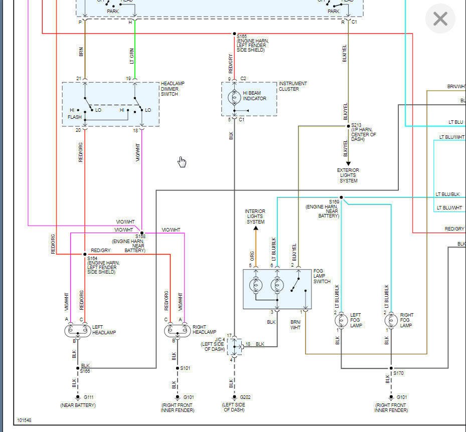
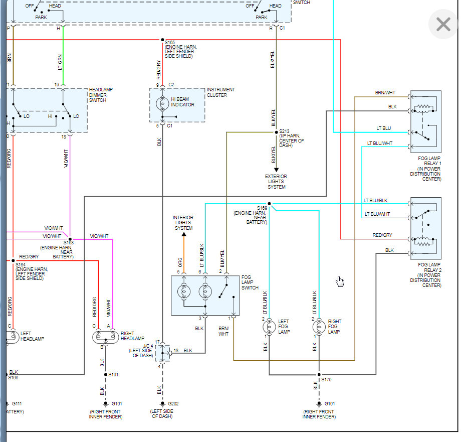
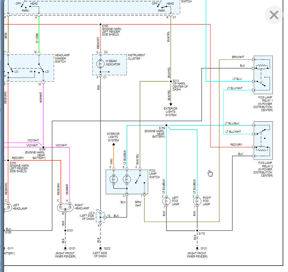
I know I don't have bad fuses or burnt/melted wiring because the park/running and instrument cluster lights work if I barely pull the switch knob out. however they won't work when pulled into park/light position.
I have searched for wiring symbols all over the internet and even looked at links that have been suggested and I can only find a page with some but not enough so I can make out how to check it out.
I can really use some insight just please don't suggest I check fuses or wiring because the lights work, just not in the positions they are supposed to.
Thanks
I have searched for wiring symbols all over the internet and even looked at links that have been suggested and I can only find a page with some but not enough so I can make out how to check it out.
I can really use some insight just please don't suggest I check fuses or wiring because the lights work, just not in the positions they are supposed to.
Thanks
Feb 28, 2020 at 2:44 PM





