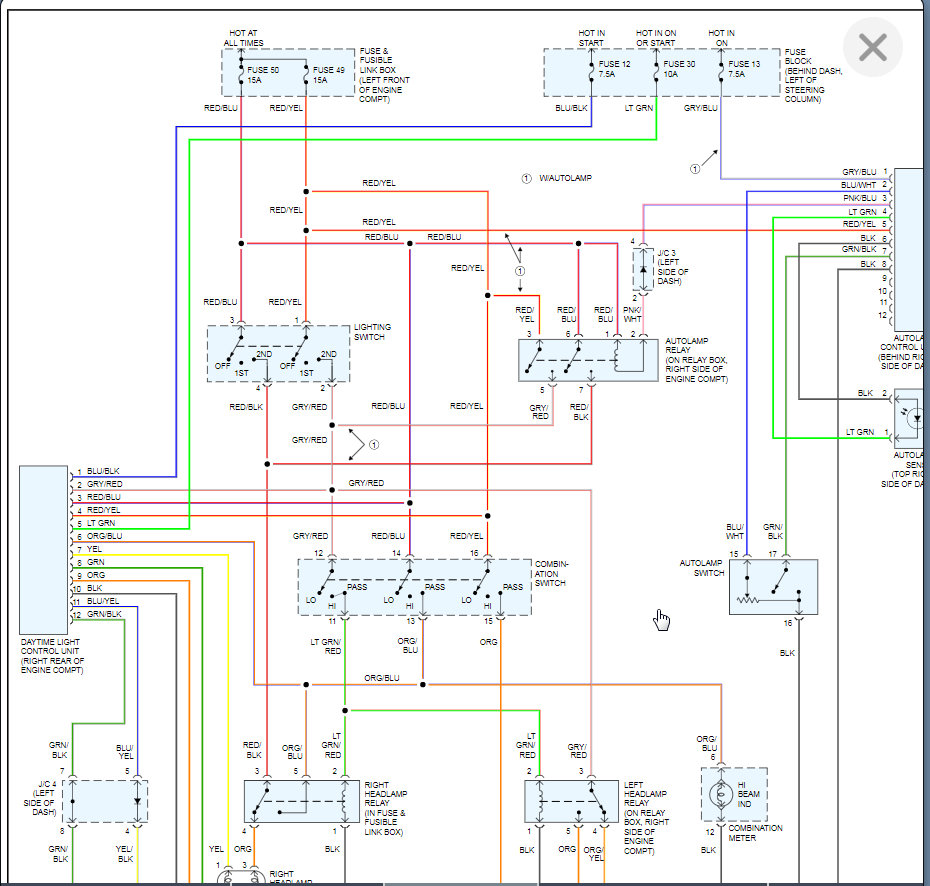
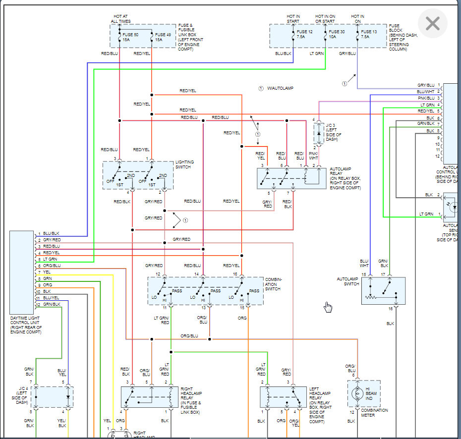
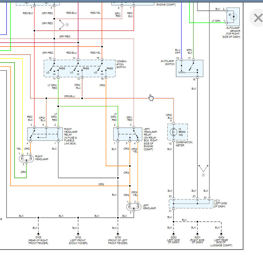
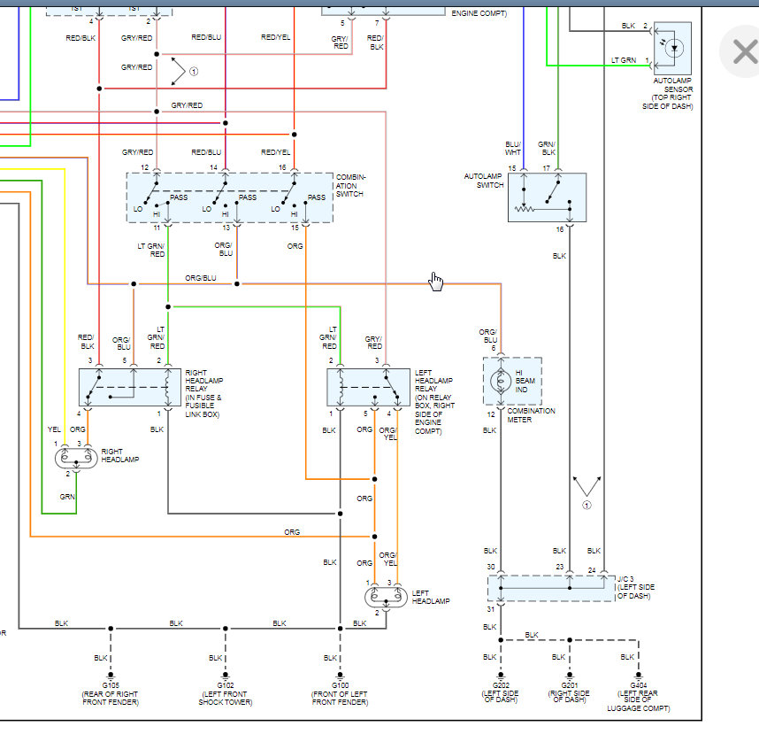
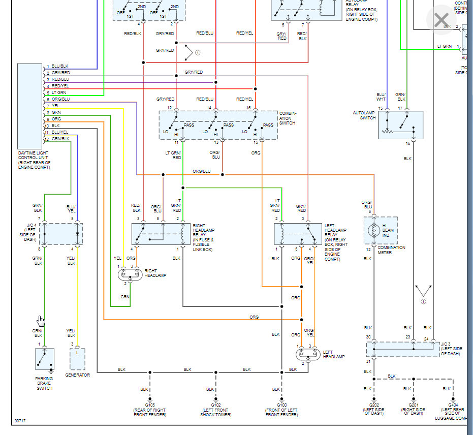
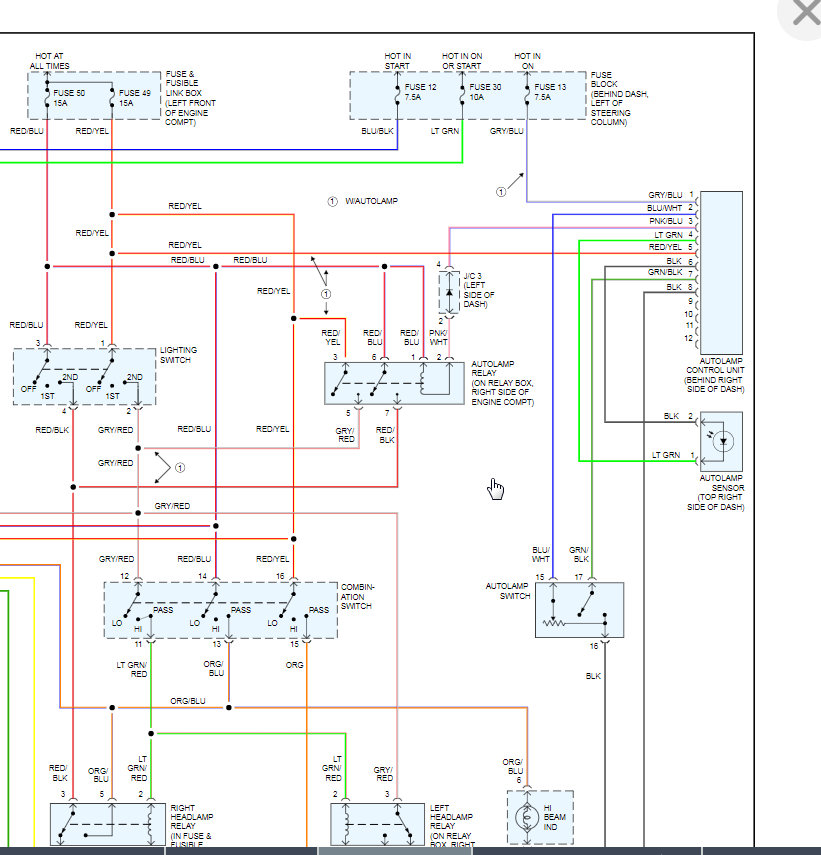
Just to clarify, do the headlamps stay on all the time even with the key off? If they just stay on when the engine is on, that may be an auto-lamp switch. However, if they are staying on all the time then we either have a switch issue or a short.
Try removing the fuses shown in the diagram and note when/if the lamps go out. If we can start finding some things that effect the lamp then we can narrow down the issue.
Let me know what you find and we can go from there. Thanks
Images (Click to enlarge)
Mar 28, 2020 at 5:20 PM