Lights mirror

2002 FORD THUNDERBIRD
40,000 MILES • V8 • 2WD • AUTOMATIC
Avatar
RICK MULLENIX
  • MEMBER
  • 1 POST
Will not shut off.
Jun 3, 2018 at 9:26 AM
Advertisement
Avatar
STEVE W.
  • CERTIFIED EXPERT
  • 15,116 POSTS
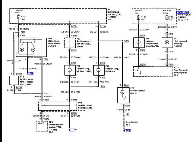
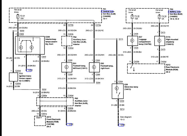
This can be caused by either of the door switches failing, however if the footwell lights are not on as well then it is more likely just an issue with the map light switch in the mirror itself. In that case replacing the mirror is the easiest solution. They sell replacement switches but you can usually get the complete mirror for about the same price.
Jun 5, 2018 at 7:33 AM