There are a couple things that can cause this, but we need to start with picking one of the circuits and figure out why it is not working. If we fix one of them then I suspect, we will fix both of them.
https://www.2carpros.com/articles/turn-signals-blink-rapidly
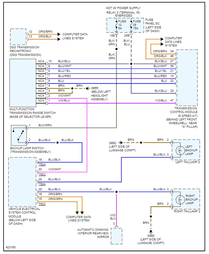
The reverse lights are an easier circuit so let's start with this.
Basically, we need to check the voltage coming out of the vehicle electrical control module and see if they are being commanded on.
If not, then we need to check the switch to make sure it is telling the module that the vehicle is in reverse.
Here is a guide that will help with this testing:
https://www.2carpros.com/articles/how-to-check-wiring
Lastly the multi-function switch needs to be checked to find out if you are getting a signal as well.
This is a pass through, but I suspect it will be the issue based on the fact that the turn signals are not working either.
Please see the wiring diagram below and let me know what you find.
Thanks
Feb 15, 2022 at 11:04 AM