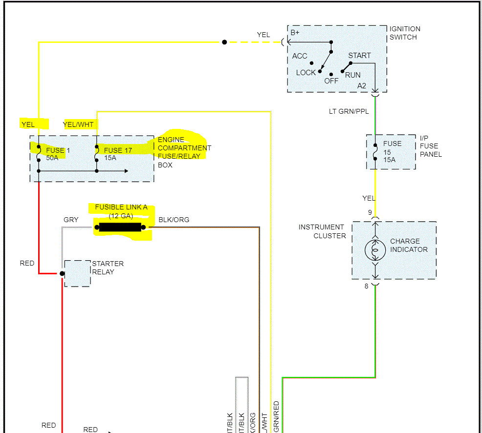
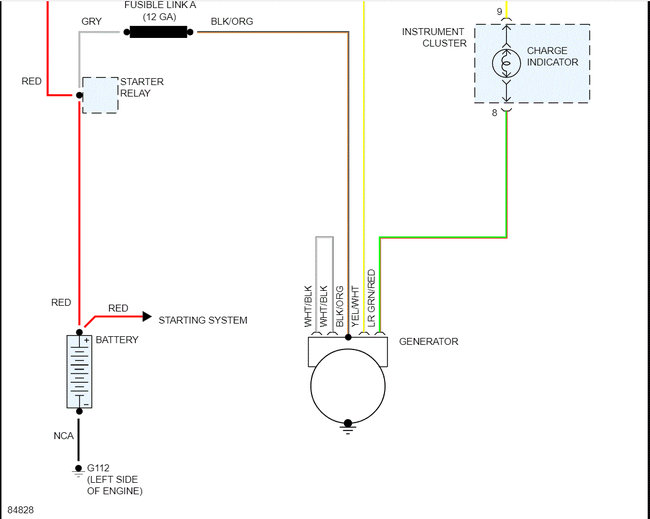
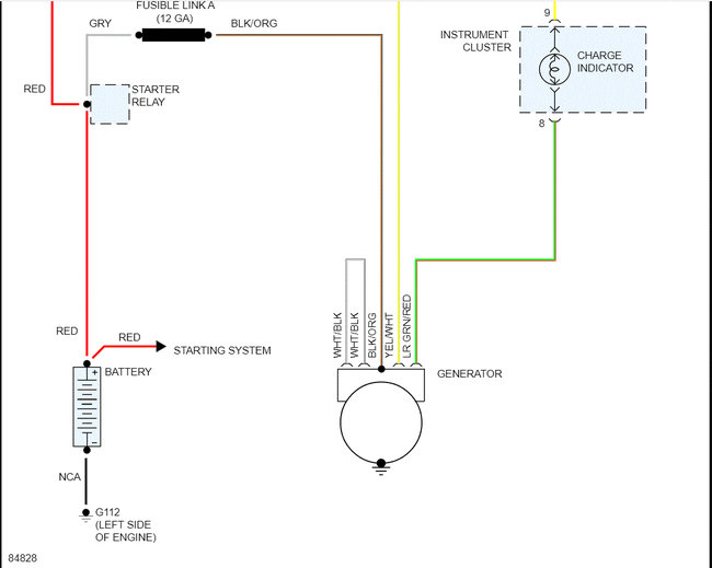
Alternator not charging battery. Checked voltage at the alternator and have no voltage on yellow wire and do have voltage on the green wire when the key is on. Can't find the fusible link between alternator and battery.
Dec 18, 2021 at 11:22 AM




