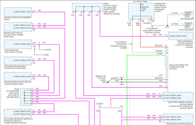
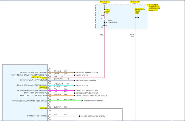
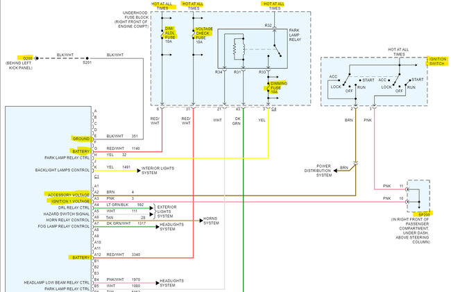
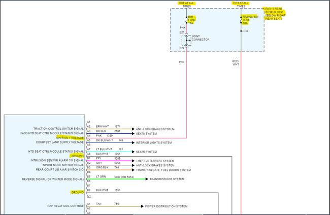
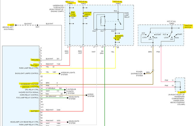
Hello, there looks to be two modules in this vehicle considered to be Body Control modules, what kind of issue are you having? There is a rear integration module and a dash integration module. Each control different sections of the vehicle. I'll post the diagrams for both as well as the GM serial data diagram.
Diagrams 1 and 2(lower half) are the Dash BCM, diagrams 3 and 4 are the Rear BCM, and diagrams 5 and 6 is the GM Serial Data network which shows both BCMs in the lower diagram. If there happens to be a module failure issue, you're dealing with the Splice connectors for the network are a good place where you can disconnect each module one by one if needed.
https://www.2carpros.com/articles/how-to-check-a-car-fuse
Images (Click to enlarge)
Apr 22, 2023 at 4:14 PM