Location of rear defroster relay

2004 TOYOTA MATRIX
112,000 MILES • 1.8L • 4 CYL • 2WD • AUTOMATIC
Avatar
DONLISS
  • MEMBER
  • 3 POSTS
My rear defroster stopped working. dashboard switch (replaced original switch a couple of years ago) seems to be working, soldered attachments from lift gate to grid seem okay and no obvious breaks in grid on window. No current getting to grid. Suspect relay is fried, but can't find any information on where to find it. Not listed on interior or under hood fuse boxes. Might be accessible when coin holder is removed from lower drivers side dash.
Any advice would be greatly appreciated. Frustrating!
Feb 13, 2019 at 5:27 AM
Advertisement
Avatar
ASEMASTER6371
  • CERTIFIED EXPERT
  • 52,796 POSTS
Good morning,

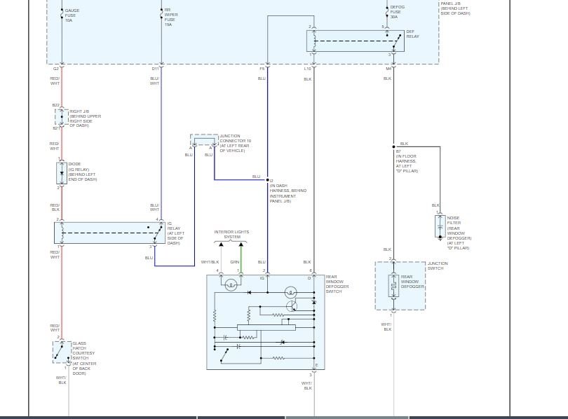
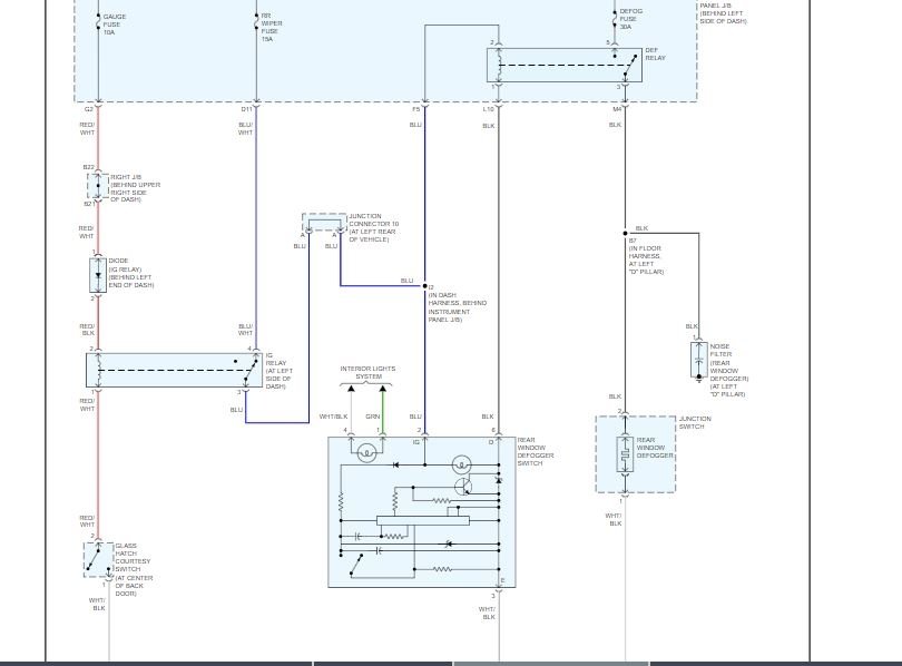
The relay is in the fuse block under the left side of the dash.

I attached a wire diagram for you.

What is your actual issue?

Roy
Feb 13, 2019 at 6:13 AM
Avatar
DONLISS
  • MEMBER
  • 3 POSTS
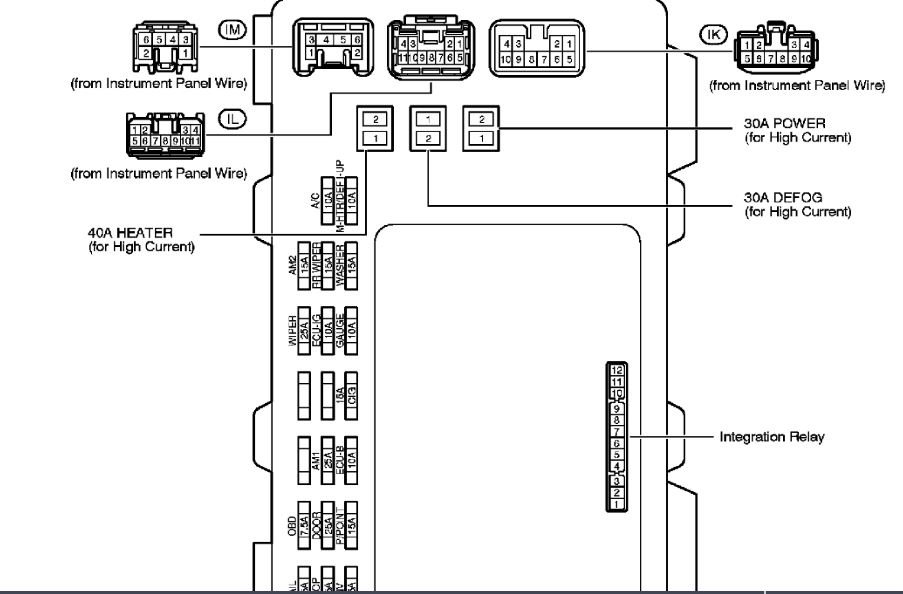
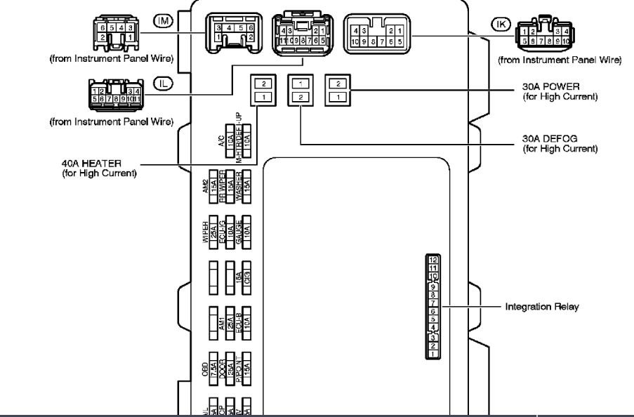
Thanks so much. Can you tell me if the rear Defroster Relay is IK, IL, or IM in the third diagram? Looks like IL would make the most sense given where the 30A fuse is, but I'm not good with wiring diagrams!
The problem is that the rear defroster isn't working. The switch seems okay (the light goes on. I replaced switch a couple of years ago when light wasn't working), the solder points at the grid and the grid all look okay, so I"m thinking it's the relay.
Feb 13, 2019 at 8:45 AM
Advertisement
Avatar
ASEMASTER6371
  • CERTIFIED EXPERT
  • 52,796 POSTS
It is the defrost relay that is shown.

Roy
Feb 13, 2019 at 11:09 AM
Avatar
DONLISS
  • MEMBER
  • 3 POSTS
I realize I'm pushing my luck by asking for more, but I'm really confused: I can't tell from the diagram where the defrost relay is physically located. Is there some picture or diagram that will show me where it is in relation to the fuse box or some other landmark? Again, I really appreciate the advice and apologize for being dense.
Feb 13, 2019 at 3:09 PM
Avatar
ASEMASTER6371
  • CERTIFIED EXPERT
  • 52,796 POSTS
No worries at all.

The diagram is the only one I see that has the identification.

Picture the fuse block and what you have. It points directly at the defroster relay.

Roy
Feb 13, 2019 at 3:21 PM