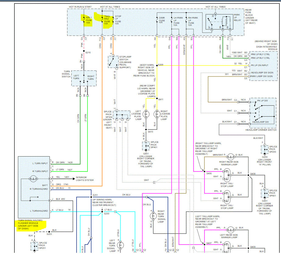
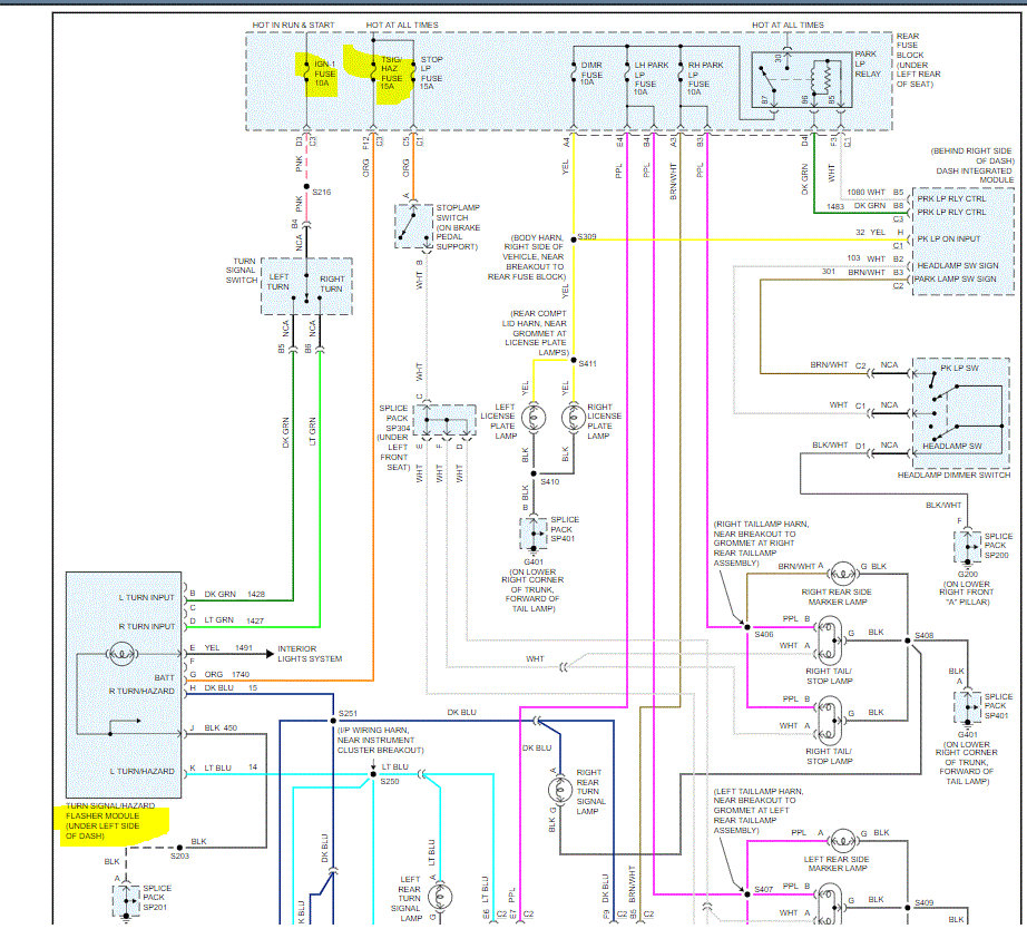
After replacing rear taillight assembly, signals and emergency flashers, are blinking fast. All bulbs were checked, no LED's. Bulbs were installed, with a little bulb grease. No relay, in either fuse box. Under the dash?
I also unplugged the emergency flasher, in the dash. Turned on the key, and no turn signal. This would be an easy fix, to replace. I understand, that they have separate power supplies.
I also unplugged the emergency flasher, in the dash. Turned on the key, and no turn signal. This would be an easy fix, to replace. I understand, that they have separate power supplies.
Oct 19, 2020 at 10:00 AM
