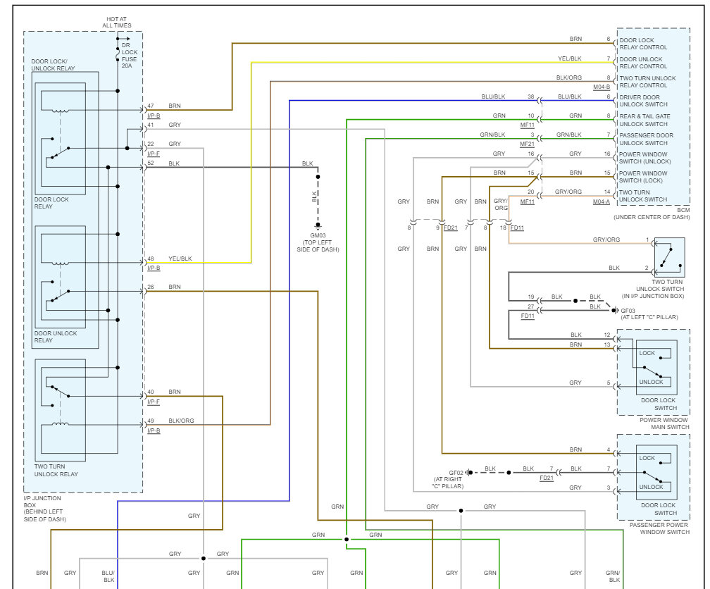
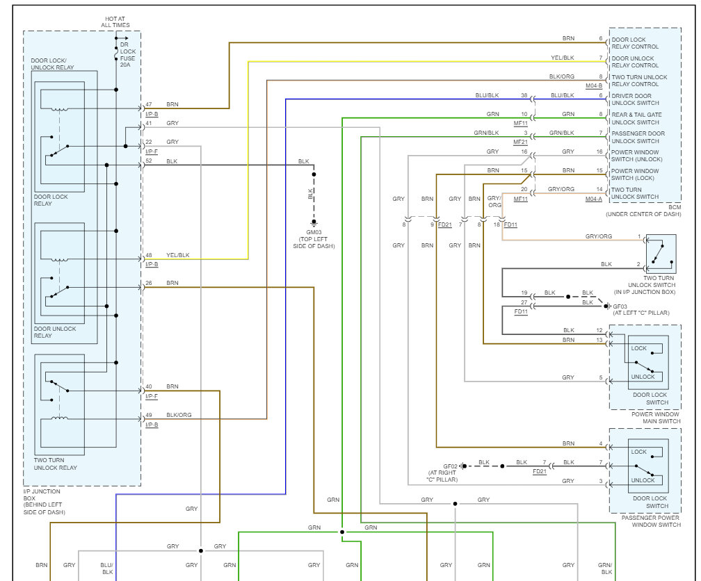
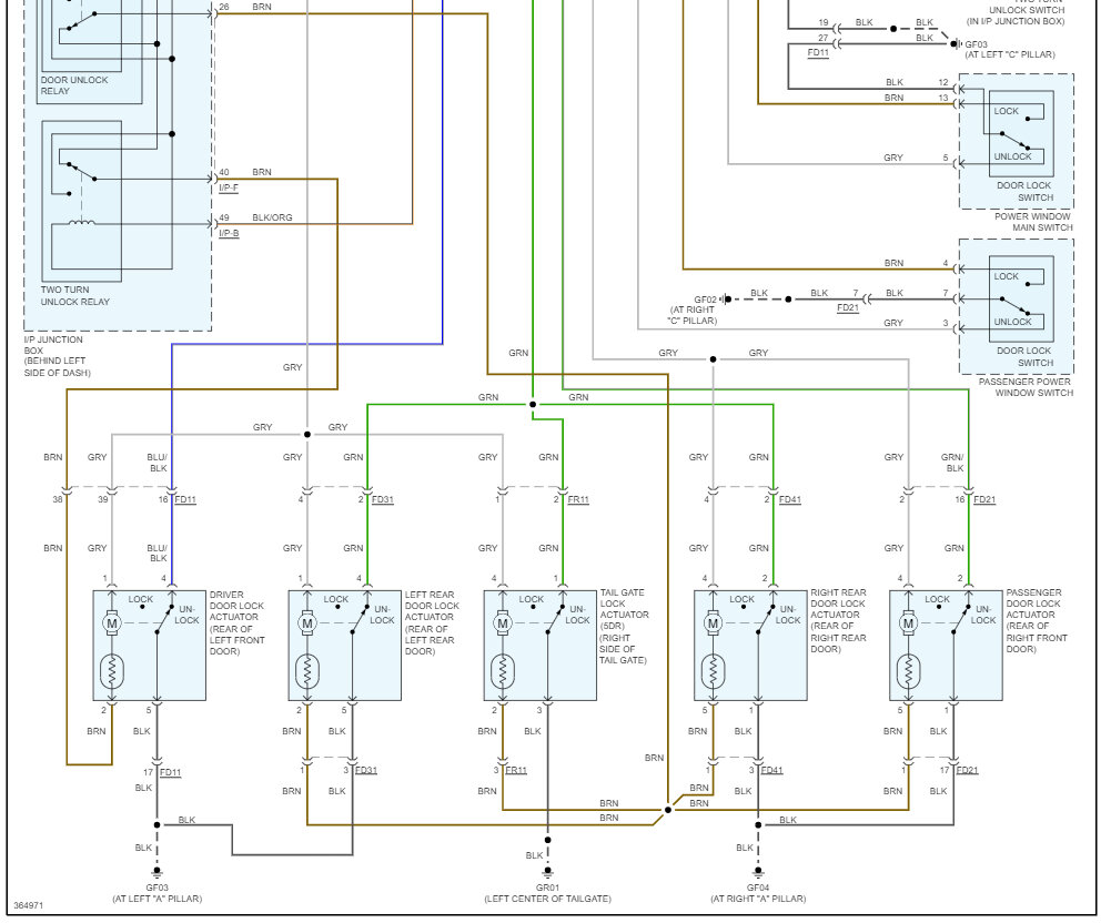
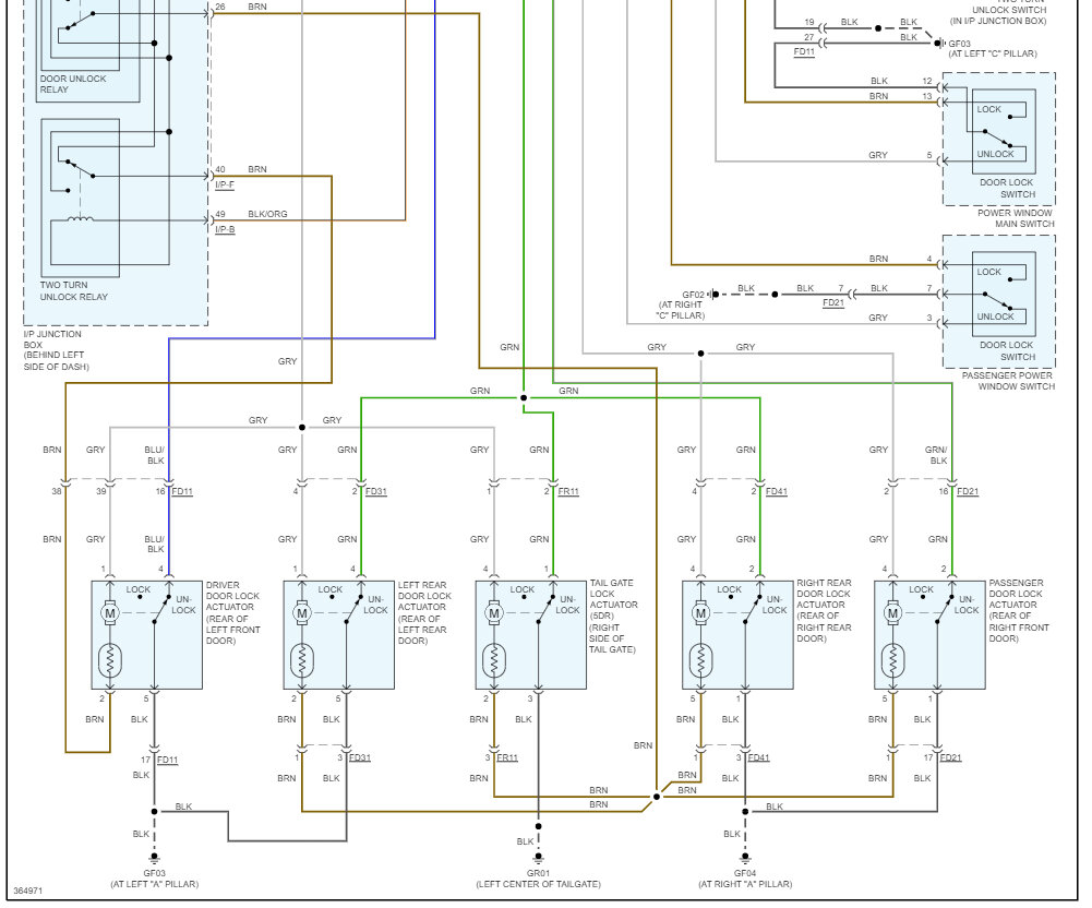
To begin with the Passenger side rear door lock would only unlock intermittently. I replaced it with a second hand one, said to be good. This worked for a few days then started to be the same. Now the front passenger side door has stopped unlocking. I think the problem may be with the wiring and I think I will need to check all the cables and connections. I request the location of the BCM and also a wiring diagram for this model. Registration number EX12CHC.
Sep 2, 2023 at 1:59 AM




