Lost brakes and alarm on

2004 LEXUS GX 470
190,000 MILES • 5.7L • V8 • 4WD • AUTOMATIC
Avatar
MWILSING
  • MEMBER
  • 36 POSTS
My vehicle listed above had all the 4 wheel drive and drive-train lights come on and a high pitch alarm buzzer is on under the dash near firewall or kick-plate area. About 10 miles later i lost all brake power. Used emergency brake to get it home. ABS light also on but no check engine light. Not sure where or why there is a alarm buzzer? Is that a limp mode warning or something? Not sure what to look for..
Jun 22, 2020 at 8:15 AM
Advertisement
Avatar
DANNY L
  • CERTIFIED EXPERT
  • 5,648 POSTS
Hello, I'm Danny.

Yes, that means you have an ABS- anti lock brake system- code stored in your vehicles computer as a result of your brake failure.You will have to retrieve the codes through the OBD2 port.Here is a tutorial showing how to retrieve codes:

https://www.2carpros.com/articles/checking-a-service-engine-soon-or-check-engine-light-on-or-flashing

You will need to use a code reader or scanner that has ABS code reading function.If you don't have access to a scanner or code reader most auto parts stores have a tool loaner program and can rent you one.Some auto parts stores like AutoZone will check codes for free.After you have the codes checked get back to us with the code numbers and we can help diagnose the problem.Hope this helps and thanks for using 2CarPros.
Jun 22, 2020 at 1:53 PM
Avatar
MWILSING
  • MEMBER
  • 36 POSTS
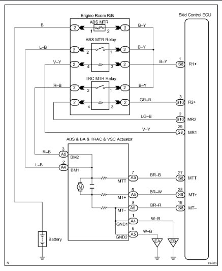
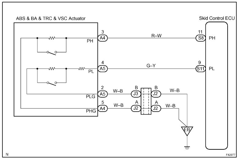
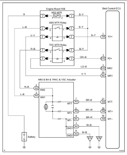
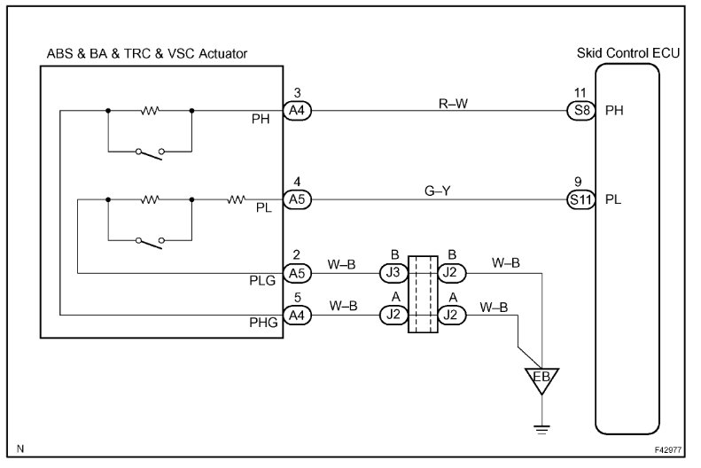
The bad news. C1223. C1251. C1256. My buddy pulled the codes. Had his Toyota tool on it. Tried to run the pump and it would not. Said there is no test to see if it's ECU related? Could it be short in junction box? Our thoughts are to maybe replace just the pump motor first. Any thoughts, ideas, tests ?
Jun 22, 2020 at 5:03 PM
Advertisement
Avatar
MWILSING
  • MEMBER
  • 36 POSTS
ECU stated it was sending signal to pump but it does not run.
Jun 22, 2020 at 11:38 PM
Avatar
MWILSING
  • MEMBER
  • 36 POSTS
Commutator on motor is toast. Parts fell off it when we pulled it.
Jun 23, 2020 at 10:48 PM
Avatar
DANNY L
  • CERTIFIED EXPERT
  • 5,648 POSTS
Hello again.

I've attached picture step diagnosis guides below for those particular codes for your Lexus.Hope this helps and let me know if you have any further questions on this.Keep us updated.Thanks again for using 2CarPros.
Jun 25, 2020 at 8:50 PM