Okay, the water pump makes sense because it can make a squealing noise or cause a drag on the belt. As far as the intake, I'm not sure that was the source of the noise. Regardless, here are the directions for replacing both. The attached pics correlate with the directions. I will start with the intake manifold.
_____________________________________________________
2008 Kia Rio L4-1.6L
Repair Procedures
Vehicle Engine, Cooling and Exhaust Engine Intake Manifold Service and Repair Removal and Replacement Repair Procedures
REPAIR PROCEDURES
REMOVAL
1. Remove the engine cover(A).
pic 1
2. Remove the accelerator cable(A).
3. Disconnect the TPS (Throttle Position Sensor) connector (B).
4. Disconnect the ISA(Idle Speed Actuator) connector(B).
5. Disconnect the PCV(Positive Crankcase Ventilation) hose(D) and breather hose(E).
pic 2
6. Disconnect the injector connector (No. 3, 4) (A).
7. Disconnect the injector connector (No. 1, 2) (B).
pic 3
8. Remove the heater hose(A), PCSV(Purge Control Solenoid Valve)(B) and the brake vacuum hose(C) from throttle body and intake manifold.
9. Disconnect the PCSV(Purge Control Solenoid Valve) (D) and water temperature sensor connector(E).
pic 4
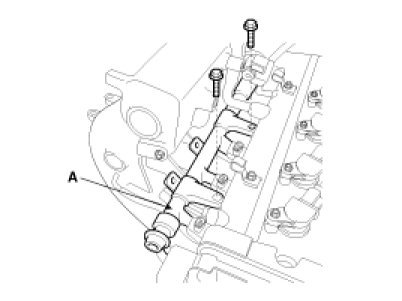
10. Remove the delivery pipe(A).
Tightening torque :
18.6 - 27.5N.m (1.9 - 2.8kgf.m, 13.7 - 20.3lb-ft)
pic 5
11. Remove the intake manifold stay(A).
Tightening torque :
17.7 - 24.5N.m (1.8 - 2.5kgf.m, 13.0 - 18.1lb-ft)
pic 6
12. Remove the intake manifold.
Tightening torque :
14.7 - 19.6N.m (1.5 - 2.0kgf.m, 10.8 - 14.5lb-ft)
pic 7
13. Installation is in the reverse order of removal with new gasket.
_________________________________________________
Here are the directions for the pump. This is a bigger job than normal because the pump is run by the timing belt. I will include directions for timing belt removal and replacement last.
_________________________________________________
2008 Kia Rio L4-1.6L
Repair Procedures
Vehicle Engine, Cooling and Exhaust Engine Water Pump Service and Repair Removal and Replacement Repair Procedures
REPAIR PROCEDURES
REMOVAL
WATER PUMP
1. Drain the engine coolant.
WARNING:
System is under high pressure when the engine is hot.
To avoid danger of releasing scalding engine coolant, remove the cap only when the engine is cool.
2. Loosen the water pump pulley bolts.
3. Remove the drive belts.
pic 8
4. Remove the water pump pulley.
5. Remove the timing belt.
6. Remove the timing belt idler.
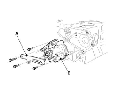
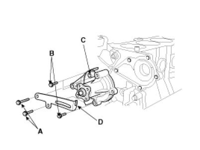
7. Remove the water pump.
(1)Remove the 2 bolts and alternator brace(A).
(2)Remove the 3 bolts and remove the water pump(B) and gasket.
pic 9
INSTALLATION
WATER PUMP
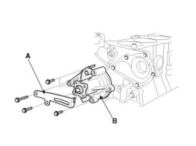
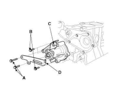
1. Install the water pump.
(1)Install the water pump(C) and a new gasket with the 3 bolts(B).
Tightening torque :
11.8 - 14.7 N.m (1.2 - 1.5 kgf.m, 8.7 - 10.8 lb-ft)
pic 10
(2)Install the alternator brace(D) with the 2 bolts(A).
Tightening torque :
19.6 - 26.5N.m (2.0 - 2.7kgf.m, 14.5 - 19.5lb-ft)
2. Install the timing belt idler.
3. Install the timing belt.
4. Install the water pump pulley.
5. Install the drive belts.
6. Tighten the water pump pulley bolts.
Tightening torque :
7.8 - 9.8 N.m (0.8 - 1.0 kgf.m, 5.8 - 7.2 lb-ft)
7. Fill with engine coolant.
8. Start engine and check for leaks.
9. Recheck engine coolant level.
__________________________________________________________
Timing belt
2008 Kia Rio L4-1.6L
Repair Procedures
Vehicle Engine, Cooling and Exhaust Engine Timing Components Timing Belt Service and Repair Removal and Replacement Repair Procedures
REPAIR PROCEDURES
REMOVAL
Engine removal is not required for this procedure.
1. Remove the engine cover(A).
pic 11
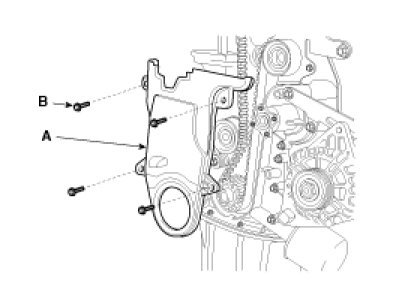
2. Remove the RH front wheel.
3. Remove the 2 bolts(B) and RH side cover(A).
pic 12
4. Temporarily loosen the water pump pulley bolts.
pic 13
5. Remove the alternator drive belt(A).
image 6. Remove the air conditioner compressor drive belt(B).
7. Remove the power steering pump drive belt(C).
8. Remove the 4 bolts and water pump pulley.
9. Remove the 4 bolts(B) and timing belt upper cover(A).
pic 14
10. Turn the crankshaft pulley, and align its groove with timing mark "T" of the timing belt cover. Check that the timing mark of camshaft sprocket is aligned with the timing mark of cylinder head cover. (No.1 cylinder compression TDC position)
pic 15
pic 16
11. Remove the crankshaft pulley bolt and crankshaft pulley(A).
pic 17
12. Remove the crankshaft flange(A).
pic 18
13. Remove the 4 bolts(B) and timing belt lower cover(A).
pic 20
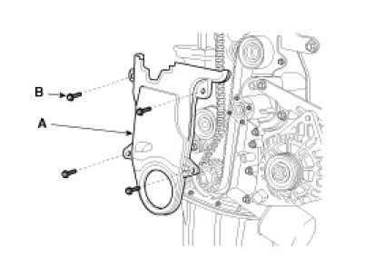
14. Remove the timing belt tensioner(A) and timing belt.
pic 21
pic 22
NOTE:
If the timing belt reused, make an arrow indicating the turning direction to make sure that the belt is reinstalled in the same direction as before.
15. Remove the bolt(B) and timing belt idler(A).
pic 23
16. Remove the crankshaft sprocket(A).
pic 24
17. Remove the cylinder head cover.
(1)Remove the wire harness bracket(A).
image (2)Remove the ignition coil.
pic 25
(3)Remove the PCV (Positive Crankcase Ventilation) hose(A) and the breather hose(B) from the cylinder head cover.
pic 26
(4)Remove the engine cover bracket(A).
pic 27
(5)Loosen the cylinder head cover bolts(B) and then remove the cover(A) and gasket.
pic 28
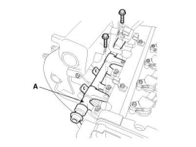
18. Remove the camshaft sprocket.
(1)Hold the portion(A) of the camshaft with a hexagonal wrench, and remove the bolt(C) with a wrench(B) and remove the camshaft sprocket.
pic 29
CAUTION:
Be careful not to damage the cylinder head and valve lifter with the wrench.
INSTALLATION
1. Install the camshaft sprocket and tighten the bolt to the specified torque.
(1)Temporarily install the camshaft sprocket bolt(C).
(2)Hold the portion(A) of the camshaft with a hexagonal wrench, and tighten the bolt(C) with a wrench(B).
Tightening torque :
78.5 - 98.1N.m (8.0 - 10.0kgf.m, 57.9 - 72.3lb-ft)
pic 30
2. Install the cylinder head cover.
(1)Install the cylinder head cover(A) and bolts(B).
Tightening torque :
7.8 - 9.8N.m (0.8 - 1.0kgf.m, 5.8 - 7.2lb-ft)
pic 31
(2)Install the engine cover bracket(A).
pic 32
(3)Install the PCV(Positive Crankcase Ventilation) hose(A) and breather hose(B) to the cylinder head cover.
pic 33
(4)Install the ignition coil.
pic 34
3. Install the crankshaft sprocket(A).
pic 35
4. Align the timing marks of the camshaft sprocket(A) and crankshaft sprocket(B) with the No.1 piston placed at top dead center and its compression stroke.
pic 36
pic 37
5. Install the idler pulley(A) and tighten the bolt(B) to the specified torque.
Tightening torque :
42.2 - 53.9N.m (4.3 - 5.5kgf.m, 31.1 - 39.8lb-ft)
pic 38
6. Temporarily install the timing belt tensioner(A).
pic 39
7. Install the belt so as not give slack at each center of shaft. Use the following order when installing timing belt.
Crankshaft sprocket(A) ->idler pulley(B) ->camshaft sprocket(C) ->timing belt tensioner(D).
pic 40
8. Adjust the timing belt tension.
(1)Loosen the tensioner pulley mounting bolt and apply tension to the timing belt.
pic 41
(2)After checking the alignment between each sprocket and each timing belt tooth, tighten the mounting bolt (A) and (B) one by one.
Tightening torque :
19.6 - 26.5N.m (2.0 - 2.7kgf.m, 14.5 - 19.5lb-ft)
(3)Then recheck the belt tension.
Verify that when the tensioner and the tension side of the timing belt are pushed in horizontally with a moderate force [approx. 49N (11lb)], the timing belt cog end is approx. 1/2 of the tensioner mounting bolt head radius (across flats) away from the bolt head center.
pic 42
(4)Timing belt tension measuring procedure
(by a sonic tension gauge)
Rotate crankshaft in clockwise direction to set 1st piston on top dead center (TDC) and rotate crankshaft in counterclockwise to 90° then measure the belt tension in the middle of tension side span (in arrow direction of above illustration) by free vibration method.
CAUTION:
Avoid rotating the crankshaft in a counter clockwise direction.
Engine damage could occur.
Conversion equation of frequency into tension :
T = (4 / 9.8) x S2 x M x W x f2 / 100000000
S : Measured belt span (mm)
M : Unit weight of belt (kgf/cm2)
W : Belt width (mm)
f : Transverse natural frequency of belt (Hz)
Timing Belt Specifications
pic 43
9. Turn the crankshaft two turns in the operating direction (clockwise) and realign crankshaft sprocket and camshaft sprocket timing mark.
10. Install the timing belt lower cover(A) with 5bolts(B).
Tightening torque :
7.8 - 9.8N.m (0.8 - 1.0kgf.m, 5.8 - 7.2lb-ft)
pic 44
11. Install the flange and crankshaft pulley(A), and then tighten crankshaft pulley bolt.
Make sure that crankshaft sprocket pin fits the small hole in the pulley.
Tightening torque :
137.3 - 147.1N.m (14.0 - 15.0kgf.m, 101.3 - 108.5lb-ft)
pic 45
12. Install the timing belt upper cover(A) with 4 bolts(B).
Tightening torque :
7.8 - 9.8N.m (0.8 - 1.0kgf.m, 5.8 - 7.2lb-ft)
pic 46
13. Install the water pump pulley and 4 bolts.
14. Install the power steering pump drive belt(C).
pic 47
Install the air conditioner compressor drive belt(B).
16. Install the alternator drive belt(A).
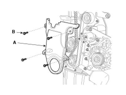
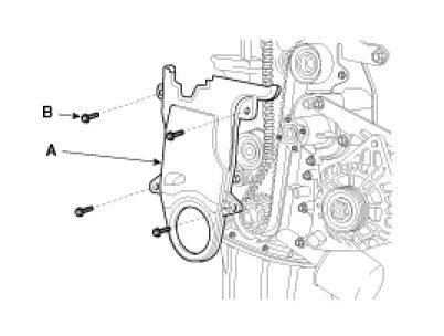
17. Install the RH side cover(A) with 2 bolts(B).
pic 48
18. Install the RH front wheel.
Tightening torque :
88.3 - 98.1N.m (9.0 - 10.0kgf.m, 65.1 - 72.3lb-ft)
19. Install the engine cover with bolts.
Tightening torque :
3.9 - 5.9N.m (0.4 - 0.6kgf.m, 2.9 - 4.3lb-ft)
pic 49
Let me know if this helps or if you have other questions.
Take care,
Joe
Images (Click to enlarge)
Apr 16, 2020 at 7:22 PM