Low Beam Bulb Failure message despite new bulbs

2006 VOLVO XC70
175,000 MILES • 2.5L • 5 CYL • AUTOMATIC
Avatar
TREY SIDES
  • MEMBER
  • 1 POST
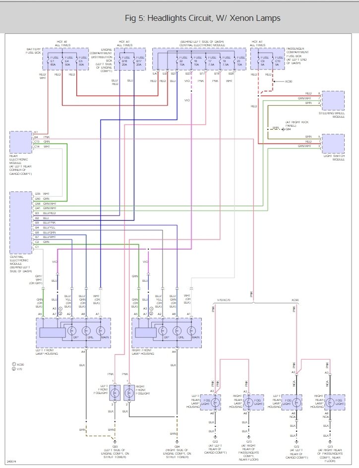
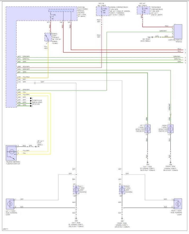
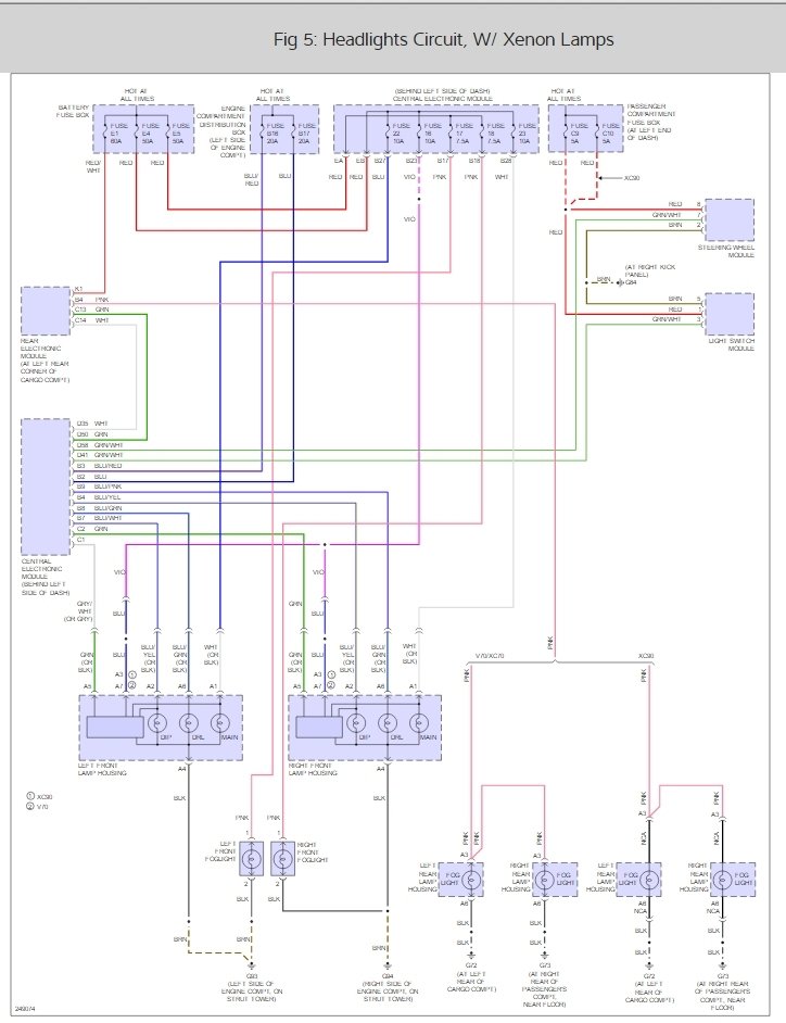
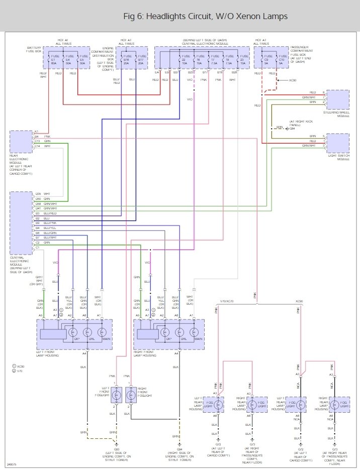
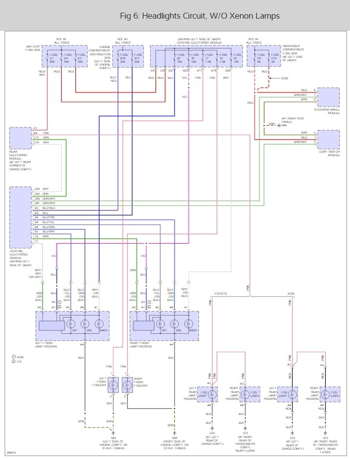
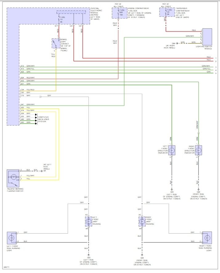
The low beams will not work. The daytime running lights work, as do the high beams. We have tested, via a voltmeter, and found that from the CEM the low beam pins B4 and B7 are not reading the 12 volts that the high beams do when turned on. Is this a relay problem? Any suggestions are greatly appreciated!
May 7, 2016 at 3:28 PM
Advertisement
Avatar
STRAILER
  • CERTIFIED EXPERT
  • 53,855 POSTS
Hi Trey,

You will need to test the fuses of course.

here is a link to do that

https://www.2carpros.com/articles/how-to-check-a-car-fuse

here are some wiring diagrams which include xeon and non xeon systems

It could be the switch or the module behind the dash

Let me know how it goes
May 9, 2016 at 11:45 AM