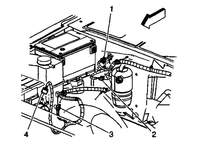
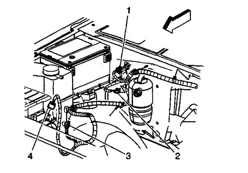
The low coolant light came on, when added I can see it dripping out, however I could see from where. It was near the tire. It's an old truck so worried that it's not an easy fix.
Jan 18, 2020 at 6:27 AM


