Master Power Window Switch Problems

1997 TOYOTA 4RUNNER
269,000 MILES • 3.4L • 6 CYL • 4WD • AUTOMATIC
Avatar
TOYOFAN
  • MEMBER
  • 4 POSTS
All four door windows, rear window, and door locks are unable to be operated from driver's side master power switch. Power door locks work for all doors when operated from passenger side. Passenger window controls do not work either.
I noticed the 30A breaker for window controls was blown and replaced it. I also took apart the master switch and noticed the switch contacts were blackened, so I purchased a new master control switch. All to no avail. Please help.
Jun 24, 2016 at 7:16 PM
Advertisement
Avatar
STRAILER
  • CERTIFIED EXPERT
  • 53,855 POSTS
Hello,

It sounds like the control relay has gone bad, it is located on the lower left side of the dash, check your owners manual to get the exact location.

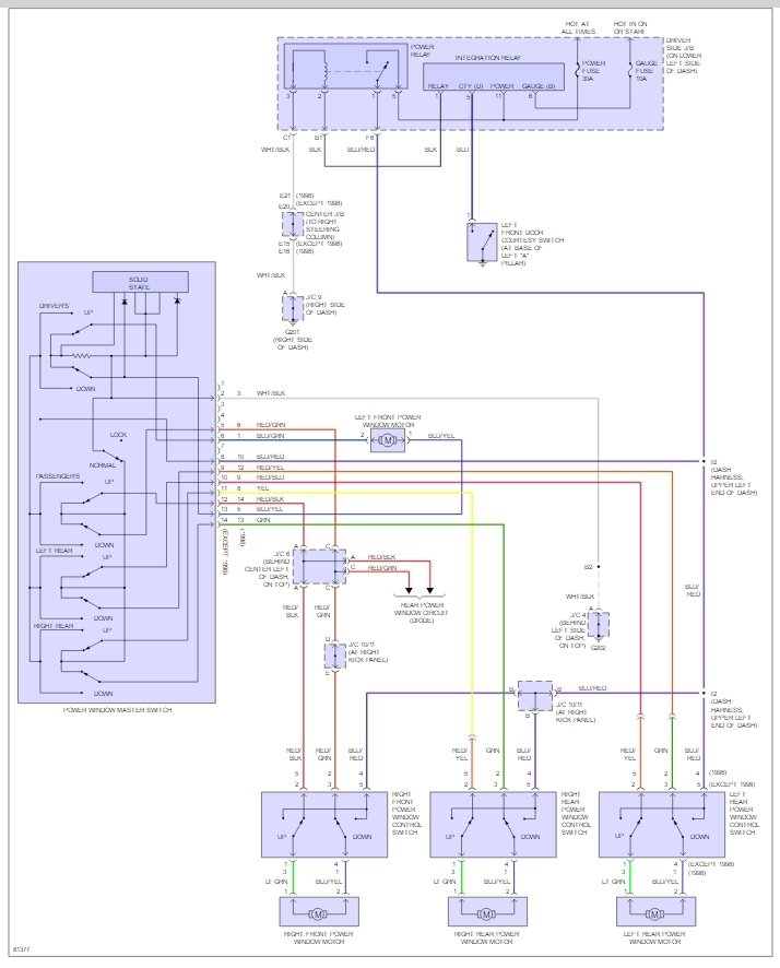
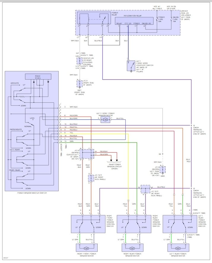
Here is a wiring diagram for you, pleas let me know what you find.

Best, Ken

Jun 28, 2016 at 11:48 AM
Avatar
TOYOFAN
  • MEMBER
  • 4 POSTS
Hi Ken--thanks for the prompt reply. I just finished replacing what I think was the power window relay (a small black box with 4 prongs in the lower left dash), but unfortunately it didn't help. I rechecked the fuse, but it's still ok. I'm scratching my head on this.
Jul 1, 2016 at 1:07 PM
Advertisement
Avatar
STRAILER
  • CERTIFIED EXPERT
  • 53,855 POSTS
Let get a test light and attach it to ground, next with the ignition switch on test the black wire in the relay it should light up. Please let me know.

Best, Ken
Jul 1, 2016 at 3:09 PM
Avatar
TOYOFAN
  • MEMBER
  • 4 POSTS
Will do, thanks again for the reply.
Jul 3, 2016 at 10:46 AM
Avatar
STRAILER
  • CERTIFIED EXPERT
  • 53,855 POSTS
Let me know how it turn out so it will help others
Jul 6, 2016 at 8:12 PM
Avatar
TOYOFAN
  • MEMBER
  • 4 POSTS
Will do, I've been making do with the AC for now. I'll make sure to touch base soon.
Jul 9, 2016 at 4:38 PM